555: AMV LED PWM Zeit Digital Messtechnik Power Alarm Kfz NF Spiele Remote Diverses
Elektronik: 555-AC/DC-Anwendungen und Transverter
2012-2022 © Peter E. Burkhardt
555-AC/DC-Anwendungen und Transverter

DC-Spannungswandler

Wandler für negative Betriebsspannung (555 bipolar)

Wandler +Ub nach 1x -Ub (555, Ls mit D)

Wandler +Ub nach 2x -Ub (555, Ls mit D)

Wandler +Ub nach 1x -Ub (555, Ls mit Q, R-Schutz)

Wandler +Ub nach 1x -Ub (555, Ls mit D, L1-Schutz)

Wandler +Ub nach 1x -Ub (555, Ls mit Q, L1-Schutz)

Wandler +Ub nach 1x -Ub (555, Ls mit D, L1-Schutz, 3x Ub-Test)

Wandler +Ub nach 1x -Ub (555, Ls mit R, L1-Schutz, 3x Ub-Test)

Wandler +Ub nach 1x -Ub (555, Ls mit D, L1-Schutz, 3x D-Test)

Wandler +Ub nach 2x -Ub (555, Ls mit D, L1-Schutz)

Wandler +Ub nach 2x -Ub (555, Ls mit Q, L1-Schutz

Wandler +Ub nach 1x -Ub (555, Ls mit R von Out, Treiber)

Wandler +Ub nach 1x -Ub (555, Ls mit D, Treiber, 3x D-Test)

Wandler +Ub nach 2x -Ub (555, Ls mit R von Out, Treiber)

Wandler +Ub nach 2x -Ub (555, Ls mit R von Out, Treiber, 5V-Regler)

Wandler für negative Betriebsspannung (555 CMOS)

Wandler +Ub nach 1x -Ub (CMOS-555, Ls mit R von Out, Treiber)

Wandler +Ub nach 2x -Ub (CMOS-555, Ls mit R von Out, Treiber)

Wandler +Ub nach 1x -Ub (CMOS-555, Ls mit R von Out, Treiber, 3x D-Test)

Wandler +Ub nach 2x -Ub (CMOS-555, Ls mit R von Out, Treiber, 5V-Regler)

Wandler für positive Betriebsspannung (Gate-Spannung)

CMOS-555-AMV mit N-Kanal-Mosfet-Gegentakt-Endstufe

N-Kanal-Mosfet-Gegentakt-Endstufe, Gate-Spannungserzeugung mit 555

Geregelte Wandler

Geregelte Wandler über 555-Reset (nach P. Williams)

Wandler +10V nach -10V, 20mA
Wandler +10V nach -5V, 40mA
Wandler +12V nach -5V, 100mA, Treiber, stabilisiert
Wandler +13V nach -5V, 94mA, Treiber, stabilisiert, Siebstufe
Wandler +15V nach -5V, 120mA, Treiber, stabilisiert, Siebstufe
Wandler +10V nach -5V, 28mA, Siebstufe
Wandler +12V nach -5V, 60mA, Siebstufe

Geregelte Wandler über 555-Threshold-Eingang

Wandler +10V nach -5V, 40mA, Treiber
Wandler +12V nach -5V, 70mA, Treiber
Wandler +15V nach -5V, 77mA, Treiber, stabilisiert, Siebstufe
Wandler +10V nach -5V, 35mA, Treiber, stabilisiert mit Z-Diode
Wandler +10V nach -5V, 40mA, CMOS-555, Treiber, stabilisiert mit Z-Diode
Wandler +10V nach -5V, 40mA, CMOS-555, Treiber, stabilisiert mit TL-431
555-Power: DC-Spannungswandler für -Ub (555 bipolar)
2018-11 © Peter E. Burkhardt

DC-Spannungswandler

Manchmal muss eine Gleichspannung (DC) transformiert werden, entweder um eine höhere DC zu gewinnen oder um einen anderen Potentialbezug herzustellen. Das geht nur durch Zerhacken mit anschließender Transformierung und Gleichrichtung. Zusätzliche Forderung ist oft die Potentialtrennung der erzeugten Spannung. Die Potentialtrennung erfolgt normalerweise induktiv (Trafo), bei hoher Frequenz und geringer Leistung auch kapazitiv.

Ohne Potentialtrennung muss die DC nur zerhackt und anschließend gleichgerichtet werden, entweder positiv oder negativ zum Bezugspotential des Zerhackers. Der bipolare 555 kann bei geringer Leistung die Zerhackerfunktion selbst übernehmen. Oft dient er aber nur als Steuergenerator für den eigentlichen DC-Schalter.

Im Web sind viele Wandler-Schaltungen mit dem 555 zu finden. Allerdings fehlen meistens Messwerte, um vor allem die Belastung der 555-Endstufe einschätzen zu können. Bei Wandlern mit separaten Leistungsschalter verschiebt sich die Strombelastung auf die komplementären Transistoren.

Die folgenden Schaltungen wurden hinsichtlich Leistungsfähigkeit und Impulsbelastung untersucht. Mit den Messergebnissen ist es leichter möglich, für den speziellen Einsatzfall die geeignete Schaltung zu finden bzw. die richtigen Transistoren auszuwählen.

Wandler für negative Betriebsspannung (555 bipolar)

Eine negative Betriebspannung gegenüber der meist durchgehenden Masseleitung (GND) kann z.B. zur OPV-Versorgung (-Ub) nötig sein. Dabei ist der Strombedarf relativ gering. Der bipolare 555 bietet sich zunächst wegen seiner kräftigen Endstufe an, um einen Wandler nur mit dem 555 zu realisieren.

Der 555 erzeugt ein Rechteck mit Tastgrad 0,5. Die Frequenz ist nicht kritisch, sollte aber über dem Hör-Frequenzbereich liegen, damit keine aktustischen Pfeifstörungen auftreten. Zu hohe Frequenz (z.B. 100 kHz) lässt zwar kleine Umlade-Kondensatoren am Ausgang zu, verursacht aber auch höhere Verluste in den Leistungstransistoren. Außerdem ist die HF-Strahlung nicht zu unterschätzen. Ein 100kHz-Rechteck kann durch seine steilen Flanken Störungen bis in den UKW-Bereich verursachen und auch verschiedene Funkdienste stören.

Die folgenden Schaltungen unterscheiden sich. Entweder schaltet der 555 direkt die benötigte Leistung, oder der 555 steuert eine separate Komplementär-Treiberstufe an. Danach erfolgt die Gleichrichtung 1-stufig (-Ub) oder mit Spannungsverdopplung (2x -Ub).

Die erzielbare Ausgangsspannung ist von der Last RL und von der Eingangsspannung +Ub abhängig. Alle Elkos wurden auf die verwendete Arbeitsfrequenz abgestimmt. Die Transistor-Auswahl der Treiberstufe ist vom Ausgangs-Laststrom abhängig. Dabei ist nicht der statische, sondern der Impulsstrom maßgebend.

Alle Schaltungen wurden mit dem Analog-Oszi untersucht, die Ergebnisse sind in der jeweiligen Tabelle (Bild) zusammengefasst.

Der Tastgrad 0,5 sichert in der dem 555 folgenden Gleichrichterschaltung die maximal erreichbare Leistung der erzeugten Ausgangsspannung. Beim 555 sind besondere Schaltungsmaßnahmen erforderlich, damit der Tastgrad von 0,5 erreicht wird und die Impulspause genau so groß ist wie der Impuls.

In der Standardschaltung des 555-AMV sind die Ladewiderstände für den zeitbestimmenden Kondensator C unterschiedlich groß, um dem Tastgrad D = 0,5 (D = Duty Cycle) nahe zu kommen. Genau 0,5 kann trotzdem nicht erreicht werden. Wird einer der Widerstände mit einer Diode überbrückt, ergibt sich auch ein Tastgrad von fast genau 0,5. Weiterhin kommt man mittels Transistor dem Wert von 0,5 noch näher.

Für maximale Leistung und damit auch Wirkungsgrad eines Spannungswandlers mit dem 555 ist also die Ladeschaltung des zeitbestimmenden Kondensators C ein wichtiges Kriterium. In den folgenden Schaltungen wurde auch dieser Aspekt berücksichtigt.

In den Überschriften der Wandler-Schaltungen werden folgende Kürzel verwendet:
+Ub        = positive Betriebsspannung bzw. positive Ausgangsspannung
-Ub        = negative Betriebsspannung bzw. negative Ausgangsspannung
1x -Ub     = -Ub = -(1 * +Ub) = -Ua, einfache neg. Ausgangsspannung
2x -Ub     = -Ub = -(2 * +Ub) = -Ua, zweifache neg. Ausgangsspannung (Doubler)
Ls         = Ladeschaltung für den Kondensator C
D          = Diode
Q          = Transistor
R          = Widerstand
R von Out  = Widerstand vom 555-Ausgang
R-Schutz   = Überstromschutz mit Widerstand
L1-Schutz  = Überstromschutz mit Drossel
3x Ub-Test = Test mit 3 Betriebsspannungen
3x D-Test  = Test mit 3 verschiedenen Diodentypen
Treiber    = mit Gegentakt-Treiber
DC-Spannungswandler für -Ub (555 bipolar)
2012-12 © Peter E. Burkhardt

Wandler +Ub nach 1x -Ub (555, Ls mit D)

+Ub        = positive Betriebsspannung bzw. positive Ausgangsspannung
-Ub        = negative Betriebsspannung bzw. negative Ausgangsspannung
1x -Ub     = -Ub = -(1 * +Ub) = -Ua, einfache neg. Ausgangsspannung
Ls         = Ladeschaltung für den Kondensator C
D          = Diode

Der Wandler erzeugt mit dem bipolaren 555 aus der positiven Betriebsspannung +Ub eine massebezogene negative Betriebsspannung (-Ua).

Ladeschaltung für Tastgrad 0,5

Der Tastgrad 0,5 wird näherungsweise mit der Diode D01 erreicht. Das C-Laden erfolgt über Ra-D01, Qdis ist in dieser Zeit gesperrt. Das C-Entladen erfolgt über Rb-Qdis. Somit sind für das Laden und Entladen unterschiedliche Pfade vorhanden. Ist Ra genau so groß wie Rb, ergibt sich nahezu ein Tastgrad von 0,5, wenn man die Fluss-Spannung der Diode D01 vernachlässigt. Zur Reduzierung des Diodenfehlers kann vorteilhafterweise eine Schottky-Diode zum Einsatz kommen. Einen gewissen Ausgleich des Diodenfehlers kann man auch durch leicht unterschiedliche Dimensionierung der beiden Widerstände erreichen. Das ist aber nur am Oszi möglich und bedeutet, entsprechende Tests zu machen.

Wandler-Ergebnisse

Muss der 555 die Leistung direkt schalten, ist die 555-Endstufe schnell überfordert. Es wurden Impulsspitzen von über 800 mA sowohl beim C1-Laden (-I3 von +Ub) als auch beim C1-Entladen (+I3 von C1 nach GND) gemessen. Die Spitzen sind zwar schmal (wenig energiehaltig), aber möglicherweise wird der 555 im Dauerbetrieb überlastet.

Die Höhe der Impulsspitzen wird vorrangig von +Ub und nicht vom Ausgangs-Laststrom bestimmt. Allerdings trat selbst bei 15 V keine übermäßige 555-Erwärmung auf.

Fazit

Selbst schon bei 8 V wird die 555-Ausgangsstufe hoch belastet. Eigentlich ist diese Schaltung nur bei 5 bis 6 V Eingangsspannung zu empfehlen.

DC-Spannungswandler für -Ub (555 bipolar)
2012-12 © Peter E. Burkhardt

Wandler +Ub nach 2x -Ub (555, Ls mit D)

+Ub        = positive Betriebsspannung bzw. positive Ausgangsspannung
-Ub        = negative Betriebsspannung bzw. negative Ausgangsspannung
2x -Ub     = -Ub = -(2 * +Ub) = -Ua, zweifache neg. Ausgangsspannung (Doubler)
Ls         = Ladeschaltung für den Kondensator C
D          = Diode

Der Wandler erzeugt mit dem bipolaren 555 aus der positiven Betriebsspannung +Ub mit Spannungsverdopplung eine höhere massebezogene negative Betriebsspannung (-Ua).

Ladeschaltung für Tastgrad 0,5

Der Tastgrad 0,5 wird näherungsweise mit der Diode D01 erreicht. Das C-Laden erfolgt über Ra-D01, Qdis ist in dieser Zeit gesperrt. Das C-Entladen erfolgt über Rb-Qdis. Somit sind für das Laden und Entladen unterschiedliche Pfade vorhanden. Ist Ra genau so groß wie Rb, ergibt sich nahezu ein Tastgrad von 0,5, wenn man die Fluss-Spannung der Diode D01 vernachlässigt. Zur Reduzierung des Diodenfehlers kann vorteilhafterweise eine Schottky-Diode zum Einsatz kommen. Einen gewissen Ausgleich des Diodenfehlers kann man auch durch leicht unterschiedliche Dimensionierung der beiden Widerstände erreichen. Das ist aber nur am Oszi möglich und bedeutet, entsprechende Tests zu machen.

Wandler-Ergebnisse

Auch hier muss der 555 die Leistung direkt schalten. Aufgrund der Spannungsverdopplung ist der entnehmbare Ausgangsstrom -Ia wesentlich höher, aber das belastet den 555 schon bei 5 V stark. Ab 10 V wurde der 555 handwarm, ab 12 V stieg die Erwärmung kontinuierlich. Der 555 wurde richtig heiß. Ab ca. 12 V war der Betrieb ohne Überhitzung dauerhaft nicht mehr möglich.

Fazit

Das direkte Schalten der Leistung mit dem 555 ist bei Spannungsverdopplung nicht zu empfehlen. Bei 5 V ist die erzielte -Ua für eine sinnvolle Verwendung zu gering.

DC-Spannungswandler für -Ub (555 bipolar)
2012-12 © Peter E. Burkhardt

Wandler +Ub nach 1x -Ub (555, Ls mit Q, R-Schutz)

+Ub        = positive Betriebsspannung bzw. positive Ausgangsspannung
-Ub        = negative Betriebsspannung bzw. negative Ausgangsspannung
1x -Ub     = -Ub = -(1 * +Ub) = -Ua, einfache neg. Ausgangsspannung
Ls         = Ladeschaltung für den Kondensator C
Q          = Transistor
R-Schutz   = Überstromschutz mit Widerstand

Der Wandler erzeugt mit dem bipolaren 555 aus der positiven Betriebsspannung +Ub eine massebezogene negative Betriebsspannung (-Ua). Zum Schutz der 555-Endstufe ist ein Widerstand eingefügt.

Ladeschaltung für Tastgrad 0,5

Der Tastgrad 0,5 wird näherungsweise mit der Diode D01 erreicht. Das C-Laden erfolgt über Ra-D01, Qdis ist in dieser Zeit gesperrt. Das C-Entladen erfolgt über Rb-Qdis. Somit sind für das Laden und Entladen unterschiedliche Pfade vorhanden. Ist Ra genau so groß wie Rb, ergibt sich nahezu ein Tastgrad von 0,5, wenn man die Fluss-Spannung der Diode D01 vernachlässigt. Zur Reduzierung des Diodenfehlers kann vorteilhafterweise eine Schottky-Diode zum Einsatz kommen. Einen gewissen Ausgleich des Diodenfehlers kann man auch durch leicht unterschiedliche Dimensionierung der beiden Widerstände erreichen. Das ist aber nur am Oszi möglich und bedeutet, entsprechende Tests zu machen.

Wandler-Ergebnisse

Die hohen Impulsströme der 555-Endstufe sind mit dem Widerstand R2 soweit reduziert, dass sie im 555-Limit liegen und keine Überlastung zu befürchten ist.

Allerdings wird auch die nutzbare Leistung stark reduziert. Trotzdem können mit 15 V bei -8 V Ausgangsspannung noch 4 mA entnommen werden.

Fazit

Mit einem Schutzwiderstand kann der 555 ohne Überlastung eine negative Ausgangsspannung erzeugen. Der Leistungsverlust ist aber ziemlich groß.

DC-Spannungswandler für -Ub (555 bipolar)
2012-12 © Peter E. Burkhardt

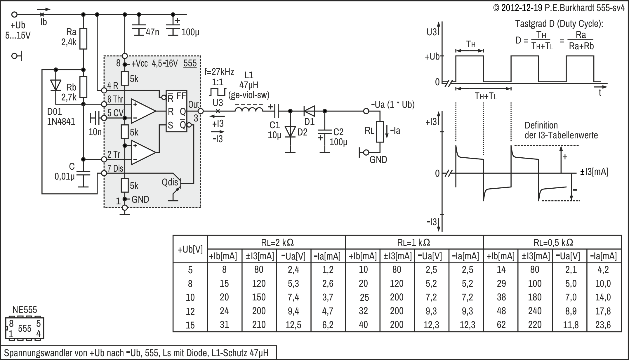
Wandler +Ub nach 1x -Ub (555, Ls mit D, L1-Schutz)

+Ub        = positive Betriebsspannung bzw. positive Ausgangsspannung
-Ub        = negative Betriebsspannung bzw. negative Ausgangsspannung
1x -Ub     = -Ub = -(1 * +Ub) = -Ua, einfache neg. Ausgangsspannung
Ls         = Ladeschaltung für den Kondensator C
D          = Diode
L1-Schutz  = Überstromschutz mit Drossel

Der Wandler erzeugt mit dem bipolaren 555 aus der positiven Betriebsspannung +Ub eine massebezogene negative Betriebsspannung (-Ua). Zum Schutz der 555-Endstufe ist eine Drossel eingefügt. Gegenüber einem Widerstand ist eine Induktivität günstiger, da bevorzugt die höheren Frequenzen gedämpft werden.

Ladeschaltung für Tastgrad 0,5

Der Tastgrad 0,5 wird näherungsweise mit der Diode D01 erreicht. Das C-Laden erfolgt über Ra-D01, Qdis ist in dieser Zeit gesperrt. Das C-Entladen erfolgt über Rb-Qdis. Somit sind für das Laden und Entladen unterschiedliche Pfade vorhanden. Ist Ra genau so groß wie Rb, ergibt sich nahezu ein Tastgrad von 0,5, wenn man die Fluss-Spannung der Diode D01 vernachlässigt. Zur Reduzierung des Diodenfehlers kann vorteilhafterweise eine Schottky-Diode zum Einsatz kommen. Einen gewissen Ausgleich des Diodenfehlers kann man auch durch leicht unterschiedliche Dimensionierung der beiden Widerstände erreichen. Das ist aber nur am Oszi möglich und bedeutet, entsprechende Tests zu machen.

Wandler-Ergebnisse

Die hohen Impulsströme der 555-Endstufe sind mit der Drossel L1 fast völlig verschwunden und deshalb in der Tabelle nicht mehr separat aufgeführt (siehe auch Diagramm im Bild). Der Endstufen-Strom bleibt im 555-Limit selbst bis Ub = 15 V. Die Ausgangsleistung hat sich sogar gegenüber der Schaltung ohne Drossel etwas erhöht (max. 11,8 V gegenüber 10,6 V).

Die Drossel ist eine handelsübliche lackvergossene Induktivität mit axialen Anschlüssen (ähnlich einem Widerstand). Der Induktivitätswert wurde empirisch mit Oszi-Hilfe ermittelt (Farbkodierung siehe Bild).

DC-Spannungswandler für -Ub (555 bipolar)
2012-12 © Peter E. Burkhardt

Wandler +Ub nach 1x -Ub (555, Ls mit Q, L1-Schutz)

+Ub        = positive Betriebsspannung bzw. positive Ausgangsspannung
-Ub        = negative Betriebsspannung bzw. negative Ausgangsspannung
1x -Ub     = -Ub = -(1 * +Ub) = -Ua, einfache neg. Ausgangsspannung
Ls         = Ladeschaltung für den Kondensator C
L1-Schutz  = Überstromschutz mit Drossel

Der Wandler erzeugt mit dem bipolaren 555 aus der positiven Betriebsspannung +Ub eine massebezogene negative Betriebsspannung (-Ua). Zum Schutz der 555-Endstufe ist eine Drossel eingefügt.

Ladeschaltung für Tastgrad 0,5

Der Tastgrad 0,5 wird mittels Transistor Q1 und Diode D1 sichergestellt. Das C-Laden geschieht über Q1-R1, D1 ist dabei gesperrt, da Qdis des 555 gesperrt ist. Das C-Entladen erfolgt über R1-D1-Qdis, sobald Qdis leitend wird (obere 555-Schaltschwelle ist erreicht). Q1 ist dabei gesperrt. Da sowohl das Laden als auch das Entladen über R1 erfolgt, ergeben sich gleiche Zeitkonstanten und damit gleiche H- und L-Zeiten am 555-Ausgang. Allerdings sind auch hier sowohl die Diodenfluss-Spannung als auch die Sättigungs-Spannung des Transistors wirksam. Die Spannung über Q1 ist im EIN-Zustand relativ niedrig und wirkt sich kaum negativ aus. Die Diodenfluss-Spannung verursacht zusammen mit dem 555-internen Entladetransistor Qdis einen etwas größeren Fehler. Wird eine Schottky-Diode verwendet, reduziert sich dieser Fehler.

In der Tabelle sind die gefährlichen Stromspitzen des 555-Ausgangs in positiver und negativer Richtung getrennt aufgeführt. Bei Verdopplung der L1-Induktivität ergeben sich geringere Spitzen, was sich besonders bei hoher Ub günstig auswirkt (letzte Zeile in der Tabelle).

Fazit

Die Schutzbeschaltung mit einer Drossel erscheint nahezu ideal. Jetzt leistet die Schaltung, was man von ihr erwartet, ohne das der 555 überlastet wird.

DC-Spannungswandler für -Ub (555 bipolar)
2018-11 © Peter E. Burkhardt

Wandler +Ub nach 1x -Ub (555, Ls mit D, L1-Schutz, 3x Ub-Test)

+Ub        = positive Betriebsspannung bzw. positive Ausgangsspannung
-Ub        = negative Betriebsspannung bzw. negative Ausgangsspannung
1x -Ub     = -Ub = -(1 * +Ub) = -Ua, einfache neg. Ausgangsspannung
Ls         = Ladeschaltung für den Kondensator C
D          = Diode
L1-Schutz  = Überstromschutz mit Drossel
3x Ub-Test = Test mit 3 Betriebsspannungen

Der Wandler erzeugt mit dem bipolaren 555 aus der positiven Betriebsspannung +Ub eine massebezogene negative Betriebsspannung (-Ua). Zum Schutz der 555-Endstufe ist eine Drossel eingefügt.

Ladeschaltung für Tastgrad 0,5

Der Tastgrad 0,5 wird näherungsweise mit der Diode D01 erreicht. Das C-Laden erfolgt über Ra-D01, Qdis ist in dieser Zeit gesperrt. Das C-Entladen erfolgt über Rb-Qdis. Somit sind für das Laden und Entladen unterschiedliche Pfade vorhanden. Ist Ra genau so groß wie Rb, ergibt sich nahezu ein Tastgrad von 0,5, wenn man die Fluss-Spannung der Diode D01 vernachlässigt. Zur Reduzierung des Diodenfehlers kann vorteilhafterweise eine Schottky-Diode zum Einsatz kommen. Einen gewissen Ausgleich des Diodenfehlers kann man auch durch leicht unterschiedliche Dimensionierung der beiden Widerstände erreichen. Das ist aber nur am Oszi möglich und bedeutet, entsprechende Tests zu machen.

DC-Spannungswandler für -Ub (555 bipolar)
2018-11 © Peter E. Burkhardt

Wandler +Ub nach 1x -Ub (555, Ls mit R, L1-Schutz, 3x Ub-Test)

+Ub        = positive Betriebsspannung bzw. positive Ausgangsspannung
-Ub        = negative Betriebsspannung bzw. negative Ausgangsspannung
1x -Ub     = -Ub = -(1 * +Ub) = -Ua, einfache neg. Ausgangsspannung
Ls         = Ladeschaltung für den Kondensator C
R          = Widerstand
L1-Schutz  = Überstromschutz mit Drossel
3x Ub-Test = Test mit 3 Betriebsspannungen
Ladeschaltung für Tastgrad 0,5

Die Standardschaltung des 555-AMV liefert näherungsweise ein Tastgrad von 0,5, wenn einer der im Ladezweig liegenden Widerstände klein gegenüber dem Entladewiderstand ist. Der an der Betriebsspannung Ub hängende obere Widerstand (Ra) kann aber nicht beliebig klein gemacht werden. Er muss den Strom von +Ub über Qdis begrenzen. Mit Ra = Null würde sich von +Ub nach GND über Qdis ein Kurzschluss ergeben. Je größer das Verhältnis der beiden Widerstände ist, desto mehr nähert sich die 555-Ausgangsimpulsfolge dem Tastgrad von 0,5.

DC-Spannungswandler für -Ub (555 bipolar)
2018-11 © Peter E. Burkhardt

Wandler +Ub nach 1x -Ub (555, Ls mit D, L1-Schutz, 3x D-Test)

+Ub        = positive Betriebsspannung bzw. positive Ausgangsspannung
-Ub        = negative Betriebsspannung bzw. negative Ausgangsspannung
1x -Ub     = -Ub = -(1 * +Ub) = -Ua, einfache neg. Ausgangsspannung
Ls         = Ladeschaltung für den Kondensator C
D          = Diode
3x D-Test  = Test mit 3 verschiedenen Diodentypen
Ladeschaltung für Tastgrad 0,5

Der Tastgrad 0,5 wird näherungsweise mit der Diode D01 erreicht. Das C-Laden erfolgt über Ra-D01, Qdis ist in dieser Zeit gesperrt. Das C-Entladen erfolgt über Rb-Qdis. Somit sind für das Laden und Entladen unterschiedliche Pfade vorhanden. Ist Ra genau so groß wie Rb, ergibt sich nahezu ein Tastgrad von 0,5, wenn man die Fluss-Spannung der Diode D01 vernachlässigt. Zur Reduzierung des Diodenfehlers kann vorteilhafterweise eine Schottky-Diode zum Einsatz kommen. Einen gewissen Ausgleich des Diodenfehlers kann man auch durch leicht unterschiedliche Dimensionierung der beiden Widerstände erreichen. Das ist aber nur am Oszi möglich und bedeutet, entsprechende Tests zu machen.

DC-Spannungswandler für -Ub (555 bipolar)
2018-11 © Peter E. Burkhardt

Wandler +Ub nach 2x -Ub (555, Ls mit D, L1-Schutz)

+Ub        = positive Betriebsspannung bzw. positive Ausgangsspannung
-Ub        = negative Betriebsspannung bzw. negative Ausgangsspannung
2x -Ub     = -Ub = -(2 * +Ub) = -Ua, zweifache neg. Ausgangsspannung (Doubler)
Ls         = Ladeschaltung für den Kondensator C
D          = Diode
L1-Schutz  = Überstromschutz mit Drossel

Der Wandler erzeugt mit dem bipolaren 555 aus der positiven Betriebsspannung +Ub mit Spannungsverdopplung eine massebezogene negative Betriebsspannung (-Ua). Zum Schutz der 555-Endstufe ist eine Drossel eingefügt.

Ladeschaltung für Tastgrad 0,5

Der Tastgrad 0,5 wird näherungsweise mit der Diode D01 erreicht. Das C-Laden erfolgt über Ra-D01, Qdis ist in dieser Zeit gesperrt. Das C-Entladen erfolgt über Rb-Qdis. Somit sind für das Laden und Entladen unterschiedliche Pfade vorhanden. Ist Ra genau so groß wie Rb, ergibt sich nahezu ein Tastgrad von 0,5, wenn man die Fluss-Spannung der Diode D01 vernachlässigt. Zur Reduzierung des Diodenfehlers kann vorteilhafterweise eine Schottky-Diode zum Einsatz kommen. Einen gewissen Ausgleich des Diodenfehlers kann man auch durch leicht unterschiedliche Dimensionierung der beiden Widerstände erreichen. Das ist aber nur am Oszi möglich und bedeutet, entsprechende Tests zu machen.

Wandler-Ergebnisse

Die 555-Endstufe gelangt bei der Spannungsverdopplung selbst mit Drossel L1 an ihre Leistungsgrenzen. Bis 12 V ist der 555 nicht gefährdet. Bei 15 V ist nur mit max. 11 mA Ausgangsstrom ein Dauerbetrieb möglich (555-Erwärmung mäßig). Die Leistungsausbeute ist gegenüber einer Verdopplerschaltung ohne Schutz etwas höher.

Der Induktivitätswert ist hier niedriger. Bei zu hoher Induktivität ändert sich ab ca. 12 V Ub die AMV-Frequenz (wird niedriger). Der ermittelte Wert (siehe Bild) ist optimal.

DC-Spannungswandler für -Ub (555 bipolar)
2018-11 © Peter E. Burkhardt

Wandler +Ub nach 2x -Ub (555, Ls mit Q, L1-Schutz

+Ub        = positive Betriebsspannung bzw. positive Ausgangsspannung
-Ub        = negative Betriebsspannung bzw. negative Ausgangsspannung
2x -Ub     = -Ub = -(2 * +Ub) = -Ua, zweifache neg. Ausgangsspannung (Doubler)
Ls         = Ladeschaltung für den Kondensator C
L1-Schutz  = Überstromschutz mit Drossel

Der Wandler erzeugt mit dem bipolaren 555 aus der positiven Betriebsspannung +Ub mit Spannungsverdopplung eine massebezogene negative Betriebsspannung (-Ua). Zum Schutz der 555-Endstufe ist eine Drossel eingefügt.

Ladeschaltung für Tastgrad 0,5

Der Tastgrad 0,5 wird mittels Transistor Q1 und Diode D1 sichergestellt. Das C-Laden geschieht über Q1-R1, D1 ist dabei gesperrt, da Qdis des 555 gesperrt ist. Das C-Entladen erfolgt über R1-D1-Qdis, sobald Qdis leitend wird (obere 555-Schaltschwelle ist erreicht). Q1 ist dabei gesperrt. Da sowohl das Laden als auch das Entladen über R1 erfolgt, ergeben sich gleiche Zeitkonstanten und damit gleiche H- und L-Zeiten am 555-Ausgang. Allerdings sind auch hier sowohl die Diodenfluss-Spannung als auch die Sättigungs-Spannung des Transistors wirksam. Die Spannung über Q1 ist im EIN-Zustand relativ niedrig und wirkt sich kaum negativ aus. Die Diodenfluss-Spannung verursacht zusammen mit dem 555-internen Entladetransistor Qdis einen etwas größeren Fehler. Wird eine Schottky-Diode verwendet, reduziert sich dieser Fehler.

In der Tabelle sind die gefährlichen Stromspitzen des 555-Ausgangs in positiver und negativer Richtung getrennt aufgeführt. Die angegebene höhere L1-Induktivität ergibt geringe Spitzen. Allerdings muss bei einem Lastwiderstand von 500 Ω die L1-Induktivität verringert werden, damit die Schaltung nicht ins Schwingen gerät (rechter Teil in der Tabelle).

Fazit

Aufgrund der 555-Erwärmung und der doch recht hohen I3-Impulsströme ist festzustellen, dass der 555 bei höheren Ausgangsströmen recht schnell überfordert ist.

DC-Spannungswandler für -Ub (555 bipolar)
2018-11 © Peter E. Burkhardt

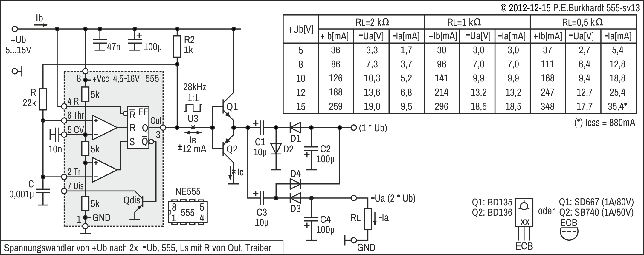
Wandler +Ub nach 1x -Ub (555, Ls mit R von Out, Treiber)

+Ub        = positive Betriebsspannung bzw. positive Ausgangsspannung
-Ub        = negative Betriebsspannung bzw. negative Ausgangsspannung
1x -Ub     = -Ub = -(1 * +Ub) = -Ua, einfache neg. Ausgangsspannung
Ls         = Ladeschaltung für den Kondensator C
R von Out  = Widerstand vom 555-Ausgang
Treiber    = mit Gegentakt-Treiber

Der Wandler erzeugt aus der positiven Betriebsspannung +Ub eine massebezogene negative Betriebsspannung (-Ua). Der Komplementär-Treiber entlastet die 555-Endstufe.

Ladeschaltung für Tastgrad 0,5

Der Tastgrad 0,5 kann näherungsweise auch erreicht werden, wenn die Ausgangsimpulsfolge des 555 (Pin 3) als Lade- und Entladespannung benutzt wird. Dazu ist ein Widerstand von C zum 555-Ausgang geschaltet. Bei H am Ausgang wird C über diesen Widerstand aufgeladen, bei L wird C entladen. Diese Schaltungsvariante ist allerdings beim bipolaren 555 nicht perfekt, da sich H- und L-Pegel des Ausgangs je nach angeschlossener Last stark unterscheiden. Insbesondere der H-Pegel muss zusätzlich hochgezogen werden, d.h. nach +Ub hin verbessert werden. Das geschieht mit einem relativ niederohmigen Widerstand vom 555-Ausgang nach +Ub.

Schaltungsbeschreibung

Prinzipiell würden Kleinleistungs-Transistoren für die Treiberstufe (Q1, Q2) reichen. Da aber Q2-Kollektor-Impulsströme von 200 mA gemessen wurden, sind 1A-Transistoren im Plastikgehäuse (ohne Kühlung) sinnvoll (Typen siehe Bild).

Wandler-Ergebnisse, Wirkungsgrad

Mit der Schaltung sind bei ca. 10,5 V maximal 21 mA Laststrom möglich.

In der Tabelle ist auch der gemessene Eingangsstrom Ib (Betriebsstrom) aufgeführt. Rechnet man den Wirkungsgrad der gesamten Wandlung nach, ergeben sich ziemlich schlechte Werte. Für das letzte Tabellen-Wertepaar 10,7/21,4 ergibt sich gerade mal ein Wirkungsgrad von 0,22, d.h. von 100 % Eingangsleistung (1020 mW) bleiben 22 % am Ausgang übrig (229 mW). Bei kleiner Ue und Ua ist der Wirkungsgrad noch viel schlechter (bei 1,8/3,6 nur 6,7 %).

Bei dieser Betrachtung ist noch nicht berücksichtigt, dass die Ausgangsspannung ungeregelt ist. Oft ist aber eine stabile Spannung gefordert. Eine nachfolgende Spannungsstabilisierung verbraucht weitere Leistung, so dass der Wirkungsgrad noch schlechter wird. Ob überhaupt noch eine Nach-Regelung möglich ist, lässt sich in Abhängigkeit von der geforderten End-Ausgangsspannung aus der Tabelle ablesen.

Fazit

Die Schaltung ist nur bei hoher Ue und gleichzeitig geringem Ausgangsstrom sinnvoll einsetzbar. Allerdings sind für den 555 nur maximal 16 V Ub erlaubt.

DC-Spannungswandler für -Ub (555 bipolar)
2018-11 © Peter E. Burkhardt

Wandler +Ub nach 1x -Ub (555, Ls mit D, Treiber, 3x D-Test)

+Ub        = positive Betriebsspannung bzw. positive Ausgangsspannung
-Ub        = negative Betriebsspannung bzw. negative Ausgangsspannung
1x -Ub     = -Ub = -(1 * +Ub) = -Ua, einfache neg. Ausgangsspannung
Ls         = Ladeschaltung für den Kondensator C
D          = Diode
3x D-Test  = Test mit 3 verschiedenen Diodentypen
Treiber    = mit Gegentakt-Treiber
Ladeschaltung für Tastgrad 0,5

Der Tastgrad 0,5 wird näherungsweise mit der Diode D01 erreicht. Das C-Laden erfolgt über Ra-D01, Qdis ist in dieser Zeit gesperrt. Das C-Entladen erfolgt über Rb-Qdis. Somit sind für das Laden und Entladen unterschiedliche Pfade vorhanden. Ist Ra genau so groß wie Rb, ergibt sich nahezu ein Tastgrad von 0,5, wenn man die Fluss-Spannung der Diode D01 vernachlässigt. Zur Reduzierung des Diodenfehlers kann vorteilhafterweise eine Schottky-Diode zum Einsatz kommen. Einen gewissen Ausgleich des Diodenfehlers kann man auch durch leicht unterschiedliche Dimensionierung der beiden Widerstände erreichen. Das ist aber nur am Oszi möglich und bedeutet, entsprechende Tests zu machen.

DC-Spannungswandler für -Ub (555 bipolar)
2018-11 © Peter E. Burkhardt

Wandler +Ub nach 2x -Ub (555, Ls mit R von Out, Treiber)

+Ub        = positive Betriebsspannung bzw. positive Ausgangsspannung
-Ub        = negative Betriebsspannung bzw. negative Ausgangsspannung
2x -Ub     = -Ub = -(2 * +Ub) = -Ua, zweifache neg. Ausgangsspannung (Doubler)
Ls         = Ladeschaltung für den Kondensator C
R von Out  = Widerstand vom 555-Ausgang
Treiber    = mit Gegentakt-Treiber

Dieser Wandler erzeugt aus der positiven Betriebsspannung +Ub mit Spannungsverdopplung eine massebezogene negative Betriebsspannung (-Ua). Der Komplementär-Treiber entlastet die 555-Endstufe.

Ladeschaltung für Tastgrad 0,5

Der Tastgrad 0,5 kann näherungsweise auch erreicht werden, wenn die Ausgangsimpulsfolge des 555 (Pin 3) als Lade- und Entladespannung benutzt wird. Dazu ist ein Widerstand von C zum 555-Ausgang geschaltet. Bei H am Ausgang wird C über diesen Widerstand aufgeladen, bei L wird C entladen. Diese Schaltungsvariante ist allerdings beim bipolaren 555 nicht perfekt, da sich H- und L-Pegel des Ausgangs je nach angeschlossener Last stark unterscheiden. Insbesondere der H-Pegel muss zusätzlich hochgezogen werden, d.h. nach +Ub hin verbessert werden. Das geschieht mit einem relativ niederohmigen Widerstand vom 555-Ausgang nach +Ub.

Schaltungsbeschreibung

Die Schaltung arbeitet mit Spannungsverdopplung am Ausgang. Da die Ausgangsspannung höher ist, müssen die Schalttransistoren Q1 und Q2 auch höhere Ströme schalten (bei gegebenen Lastwiderstand). Deshalb wurden hier 1,5A-Transistoren eingesetzt, die bei Bedarf gekühlt werden können. 1A-Typen der gleichen Bauart reichen auch.

Wandler-Ergebnisse, Wirkungsgrad

Die Tabelle (Bild) enthält alle Messergebnisse. Die Ausgangsspannung -Ua ist je nach Last bei kleiner Ue bis zu 2 V kleiner, bei großer Ua fast 3 V größer als Ue. Ursache sind die Durchlass-Spannungen der Dioden und Schalttransistoren, die sich bei kleiner Ue besonders auswirken.

Maximal wurde bei ca. 17,5 V ein Laststrom von 35 mA gemessen. Der gemessene Q2-Kollektorstrom ist dabei 880 mA (Spitze/Spitze), ein hoher Wert, der den Einsatz von 1A-Leistungstransistoren erfordert.

Der Wirkungsgrad liegt mit dem Wertepaar 17,7/35,4 bei 0,16, ein sehr niedriger Wert. Hier zeigen sich die Grenzen dieses Schaltungsprinzips.

Fazit

Die Spannungsverdopplung liefert etwas höhere Ausgangsspannungen, hat aber einen noch schlechteren Wirkungsgrad als die einfache Gleichrichtung. Der etwas höheren -Ua kann aber eine Spannungsstabilisierung folgen.

DC-Spannungswandler für -Ub (555 bipolar)
2018-11 © Peter E. Burkhardt

Wandler +Ub nach 2x -Ub (555, Ls mit R von Out, Treiber, 5V-Regler)

+Ub        = positive Betriebsspannung bzw. positive Ausgangsspannung
-Ub        = negative Betriebsspannung bzw. negative Ausgangsspannung
2x -Ub     = -Ub = -(2 * +Ub) = -Ua, zweifache neg. Ausgangsspannung (Doubler)
Ls         = Ladeschaltung für den Kondensator C
R von Out  = Widerstand vom 555-Ausgang
Treiber    = mit Gegentakt-Treiber

Die folgende Schaltung ist für eine End-Ausgangsspannung von -5V bei 12 mA Laststrom dimensioniert. Sie arbeitet mit Spannungsverdopplung und anschließender Stabilisierung auf 5V.

Ladeschaltung für Tastgrad 0,5

Der Tastgrad 0,5 kann näherungsweise auch erreicht werden, wenn die Ausgangsimpulsfolge des 555 (Pin 3) als Lade- und Entladespannung benutzt wird. Dazu ist ein Widerstand von C zum 555-Ausgang geschaltet. Bei H am Ausgang wird C über diesen Widerstand aufgeladen, bei L wird C entladen. Diese Schaltungsvariante ist allerdings beim bipolaren 555 nicht perfekt, da sich H- und L-Pegel des Ausgangs je nach angeschlossener Last stark unterscheiden. Insbesondere der H-Pegel muss zusätzlich hochgezogen werden, d.h. nach +Ub hin verbessert werden. Das geschieht mit einem relativ niederohmigen Widerstand vom 555-Ausgang nach +Ub.

Schaltungsbeschreibung

555-AMV, Leistungsschalter und Spannungsverdopplung entsprechen der vorigen Schaltung.

Gefordert ist eine Ua von -5 V bei 12 mA. Da eine Regelung mit Längstransistor erfolgt, sind wenigstens 7,5 V Ub erforderlich (siehe Tabelle im Bild, 1. Zeile).

Die Regelung arbeitet mit einer einfachen LED-Referenz LED D11 und Längstransistor Q11. Die Ausgangsspannung -Ua1 wird mit Trimm-R VR14 eingestellt.

Wandler-Ergebnisse, Wirkungsgrad

Die Tabelle (Bild) enthält die Messergebnisse für den Ue-Bereich 7,5 bis 15 V. Die Stabilisierung ist noch ausreichend, da -Ua der OPV-Versorgung dient.

Bei der höchsten Ue von 15 V fließen 200 mAss im Q2-Kollektor, deshalb sind mindestens 1A-Transistoren in der Schaltstufe erforderlich (mit eingerechneter Sicherheit).

Der Wirkungsgrad liegt zwischen 12 % (Ub = 7,5 V) und 5 % (Ub = 15 V). Durch die Regelung kommt nochmals weniger Leistung am Ausgang an.

Fazit

Mit dem 555 und Leistungstransistoren lässt sich bei Spannungsverdopplung eine geregelte negative 5V-Versorgung für OPVs realisieren, die mit 12 mA belastet werden kann.

DC-Spannungswandler für -Ub (555 CMOS)
2018-11 © Peter E. Burkhardt

Wandler für negative Betriebsspannung (555 CMOS)

In den folgenden Wandler-Schaltungen arbeitet ein CMOS-555 als Taktgeber. Die schwache Endstufe (gegenüber dem bipolaren 555) erfordert regelmäßig einen separaten Treiber (außer bei sehr geringem Ausgangsstrom).

Vorteil des CMOS-555 ist sein geringerer Betriebsstrom. Bei niedriger Betriebsspannung macht sich der höhere H-Pegel am 555-Ausgang positiv bemerkbar. Die komplementäre Endstufe wird sauber und mit kurzen Schaltzeiten angesteuert. Ein Widerstand begrenzt den möglichen Steuerstrom für die Treiberstufe und schützt somit den CMOS-Ausgang. Die erzielte Leistung ist ewas höher als bei der entsprechenden bipolaren Variante.

Frequenzwahl und Schaltungstechnik sind mit den entsprechenden Schaltungen mit bipolarem 555 vergleichbar (siehe weiter oben).

Wandler +Ub nach 1x -Ub (CMOS-555, Ls mit R von Out, Treiber)

+Ub        = positive Betriebsspannung bzw. positive Ausgangsspannung
-Ub        = negative Betriebsspannung bzw. negative Ausgangsspannung
1x -Ub     = -Ub = -(1 * +Ub) = -Ua, einfache neg. Ausgangsspannung
Ls         = Ladeschaltung für den Kondensator C
R von Out  = Widerstand vom 555-Ausgang
Treiber    = mit Gegentakt-Treiber

Der Wandler erzeugt aus der positiven Betriebsspannung +Ub eine massebezogene negative Betriebsspannung (-Ua). Der Komplementär-Treiber entlastet die 555-Endstufe.

Ladeschaltung für Tastgrad 0,5

Beim CMOS-555 ist es leicht, ein Ausgangsimpuls-Tastgrad 0,5 zu erreichen. Da die CMOS-Endstufe nahezu +Ub (bei H) bzw. Null (bei L) liefert, wenn sie nur gering belastet wird, ist eine exakte Lade- bzw. Entlade-Spannung für C vorhanden. Es ist nur ein Widerstand von C zum 555-Ausgang nötig. Zu niederohmig sollte dieser Widerstand nicht sein, damit der CMOS-555-Ausgang nicht zu sehr belastet wird. Die Ausgangsspannung der CMOS-Endstufe steigt mit höherer Belastung an, und C würde somit nicht bis auf GND entladen werden. Nach oben sind dem Widerstand aber wenig Grenzen gesetzt, da der Eingangswiderstand der CMOS-555-Pins 6 und 2 mehrere hundert Megaohm beträgt. Er ist also sehr hoch. Beim C-Laden fließt in diesem Falle also nur der C-Ladestrom. Einen Leckstrom in den 555 hinein gibt es fast nicht.

DC-Spannungswandler für -Ub (555 CMOS)
2018-11 © Peter E. Burkhardt

Wandler +Ub nach 2x -Ub (CMOS-555, Ls mit R von Out, Treiber)

+Ub        = positive Betriebsspannung bzw. positive Ausgangsspannung
-Ub        = negative Betriebsspannung bzw. negative Ausgangsspannung
2x -Ub     = -Ub = -(2 * +Ub) = -Ua, zweifache neg. Ausgangsspannung (Doubler)
Ls         = Ladeschaltung für den Kondensator C
R von Out  = Widerstand vom 555-Ausgang
Treiber    = mit Gegentakt-Treiber

Der Wandler erzeugt aus der positiven Betriebsspannung +Ub mit Spannungsverdopplung eine massebezogene negative Betriebsspannung (-Ua). Der Komplementär-Treiber entlastet die 555-Endstufe.

Ladeschaltung für Tastgrad 0,5

Beim CMOS-555 ist es leicht, ein Ausgangsimpuls-Tastgrad 0,5 zu erreichen. Da die CMOS-Endstufe nahezu +Ub (bei H) bzw. Null (bei L) liefert, wenn sie nur gering belastet wird, ist eine exakte Lade- bzw. Entlade-Spannung für C vorhanden. Es ist nur ein Widerstand von C zum 555-Ausgang nötig. Zu niederohmig sollte dieser Widerstand nicht sein, damit der CMOS-555-Ausgang nicht zu sehr belastet wird. Die Ausgangsspannung der CMOS-Endstufe steigt mit höherer Belastung an, und C würde somit nicht bis auf GND entladen werden. Nach oben sind dem Widerstand aber wenig Grenzen gesetzt, da der Eingangswiderstand der CMOS-555-Pins 6 und 2 mehrere hundert Megaohm beträgt. Er ist also sehr hoch. Beim C-Laden fließt in diesem Falle also nur der C-Ladestrom. Einen Leckstrom in den 555 hinein gibt es fast nicht.

DC-Spannungswandler für -Ub (555 CMOS)
2018-11 © Peter E. Burkhardt

Wandler +Ub nach 1x -Ub (CMOS-555, Ls mit R von Out, Treiber, 3x D-Test)

+Ub        = positive Betriebsspannung bzw. positive Ausgangsspannung
-Ub        = negative Betriebsspannung bzw. negative Ausgangsspannung
1x -Ub     = -Ub = -(1 * +Ub) = -Ua, einfache neg. Ausgangsspannung
Ls         = Ladeschaltung für den Kondensator C
R von Out  = Widerstand vom 555-Ausgang
3x D-Test  = Test mit 3 verschiedenen Diodentypen
Treiber    = mit Gegentakt-Treiber
Ladeschaltung für Tastgrad 0,5

Beim CMOS-555 ist es leicht, ein Ausgangsimpuls-Tastgrad 0,5 zu erreichen. Da die CMOS-Endstufe nahezu +Ub (bei H) bzw. Null (bei L) liefert, wenn sie nur gering belastet wird, ist eine exakte Lade- bzw. Entlade-Spannung für C vorhanden. Es ist nur ein Widerstand von C zum 555-Ausgang nötig. Zu niederohmig sollte dieser Widerstand nicht sein, damit der CMOS-555-Ausgang nicht zu sehr belastet wird. Die Ausgangsspannung der CMOS-Endstufe steigt mit höherer Belastung an, und C würde somit nicht bis auf GND entladen werden. Nach oben sind dem Widerstand aber wenig Grenzen gesetzt, da der Eingangswiderstand der CMOS-555-Pins 6 und 2 mehrere hundert Megaohm beträgt. Er ist also sehr hoch. Beim C-Laden fließt in diesem Falle also nur der C-Ladestrom. Einen Leckstrom in den 555 hinein gibt es fast nicht.

DC-Spannungswandler für -Ub (555 CMOS)
2018-11 © Peter E. Burkhardt

Wandler +Ub nach 2x -Ub (CMOS-555, Ls mit R von Out, Treiber, 5V-Regler)

+Ub        = positive Betriebsspannung bzw. positive Ausgangsspannung
-Ub        = negative Betriebsspannung bzw. negative Ausgangsspannung
2x -Ub     = -Ub = -(2 * +Ub) = -Ua, zweifache neg. Ausgangsspannung (Doubler)
Ls         = Ladeschaltung für den Kondensator C
R von Out  = Widerstand vom 555-Ausgang
Treiber    = mit Gegentakt-Treiber

Die folgende Schaltung ist für eine End-Ausgangsspannung von -5V bei 12 mA Laststrom dimensioniert. Sie arbeitet mit Spannungsverdopplung und anschließender Stabilisierung auf 5V.

Ladeschaltung für Tastgrad 0,5

Beim CMOS-555 ist es leicht, ein Ausgangsimpuls-Tastgrad 0,5 zu erreichen. Da die CMOS-Endstufe nahezu +Ub (bei H) bzw. Null (bei L) liefert, wenn sie nur gering belastet wird, ist eine exakte Lade- bzw. Entlade-Spannung für C vorhanden. Es ist nur ein Widerstand von C zum 555-Ausgang nötig. Zu niederohmig sollte dieser Widerstand nicht sein, damit der CMOS-555-Ausgang nicht zu sehr belastet wird. Die Ausgangsspannung der CMOS-Endstufe steigt mit höherer Belastung an, und C würde somit nicht bis auf GND entladen werden. Nach oben sind dem Widerstand aber wenig Grenzen gesetzt, da der Eingangswiderstand der CMOS-555-Pins 6 und 2 mehrere hundert Megaohm beträgt. Er ist also sehr hoch. Beim C-Laden fließt in diesem Falle also nur der C-Ladestrom. Einen Leckstrom in den 555 hinein gibt es fast nicht.

Schaltung

Gefordert ist eine Ua von -5 V bei 12 mA. Die minimale Eingangsspannung Ub wurde auf 9 V festgelegt, das ergibt -8,9 V vor der Regelung. Dabei sinkt die geregelte Ausgangsspannung auf minimal 4,95 V ab (siehe Tabelle im Bild, 1. Zeile).

Die Regelung arbeitet wahlweise mit einer einfachen LED-Referenz oder mit der Bandgap-Referenz LM336-2.5 und dem Längstransistor Q11. Die Ausgangsspannung -Ua1 wird mit Trimm-R VR14 eingestellt.

Fazit

Mit dem CMOS-555 und Leistungstransistoren lässt sich bei Spannungsverdopplung eine geregelte negative 5V-Versorgung für OPVs realisieren, die mit 12 mA belastet werden kann. Mit der Bandgap-Referenz ist eine sehr gute Stabilität zwischen 9 und 15 V Wandler-Betriebsspannung erreichbar.

DC-Spannungswandler für +Ub
2022 © Peter E. Burkhardt

Wandler für positive Betriebsspannung (Gate-Spannung)

Manchmal ist eine positive Versorgungsspannung erforderlich, die größer als die eigentliche Betriebsspannung Ub der Schaltung ist. Bei einem Opamp z.B., der nicht bis zur positiven Betriebsspannung aussteuerfähig ist, hilft nur eine entsprechend höhere Versorgungsspannung. Auch bei Mosfets kann es sein, dass die zur Verfügung stehende Gate-Spannung nicht ausreicht und deshalb aufgestockt werden muss.

Meist ist der Strombedarf der über +Ub liegenden Hilfsspannung relativ gering. Auch ist es nicht immer erforderlich, die Hilfsspannung stabilisiert bereit zu stellen. Je nach Anwendungsfall ist deshalb die Schaltung zur Erzeugung der über Ub liegenden positiven Hilfsspannung mehr oder weniger aufwendig.

CMOS-555-AMV mit N-Kanal-Mosfet-Gegentakt-Endstufe

Die folgende Schaltung zeigt, dass es mit wenig Aufwand möglich ist, einen AMV mit dem 555 so zu erweitern, dass durch eine N-Kanal-Mosfet-Gegentakt-Endstufe der Leistungsbereich der 555-Endstufe fast beliebig vergrößert werden kann.

Schaltungsbeschreibung

Der AMV mit dem CMOS-555 ist in sparsamer Schaltungstechnik ausgeführt. R1 und C1 bestimmen die Frequenz der erzeugten Rechteckschwingung, die beim Probeaufbau ca. 15 kHz betrug. Weitere Bauelemente sind nicht nötig. Die Nutzung der 555-Ausgangsspannung am Pin 3 zur Auf- und Entladung des frequenzbestimmenden Kondensators C1 garantiert einen Tastgrad von 0,5, d.h. die positive Halbwelle ist genau so lang wie die negative Halbwelle. Das ist für die Ansteuerung der folgenden Leistungsendstufe vorteilhaft.

Der untere Endstufenzweig mit dem Mosfet Q2 ist leicht ansteuerbar, da die Q2-Source auf GND liegt. Der 555-Ausgang liefert mit seiner positiven Ausgangsspannung die nötige positive Gate-Spannung, die über R3 den Mosfet Q2 durchsteuern kann.

Für den oberen Endstufenzweig mit dem Mosfet Q1 ist allerdings eine gegenphasige Ansteuerung erforderlich, denn wenn Q2 gesperrt ist, soll Q1 durchgesteuert sein. Die erforderliche Phasendrehung von 180 Grad wird mit dem Mosfet-Negator Q3 realisiert. Q3 ist ein Kleinsignal-Mosfet und wird synchron zu Q2 angesteuert.

Damit Q1 richtig durchsteuert, muss die Q1-Gatespannung größer als die Betriebsspannung +Ub sein, da die Q1-Source nicht auf GND liegt. Diese höhere Gate-Spannung entsteht wie folgt: Sobald Q2 im unteren Zweig durchgesteuert wird, schaltet auch der Hilfs-Mosfet Q3 durch und legt somit das Q1-Gate auf GND. Da der Mosfet Q2 des unteren Zweiges auch durchgesteuert ist, liegt das Q2-Drain ebenfalls auf GND. Nun kann sich der Kondensator C2 über die Diode D1 auf die Betriebsspannung +Ub aufladen.

Liegt dagegen die 555-Ausgangsspannung am Pin3 auf L (LOW bzw. GND), sperren der Hilfs-Mosfet Q3 und auch der Mosfet Q2 des unteren Zweiges. Der Kondensator C2 legt jetzt seine Spannung über Widerstand R2 auf das Q1-Gate. Damit schaltet der Mosfet Q1 des oberen Endstufenzweigs voll durch. Die Q1-Gatespannung beträgt dann fast das 2-fache der Betriebsspannung +Ub. Diese Spannung muss der Hilfs-Mosfet Q3 sperren können. Der angegebene BS170 hält 60 V aus, ist also auch ausreichend, wenn die Betriebsspannung +15 V betragen würde.

DC-Spannungswandler für +Ub
2022 © Peter E. Burkhardt

Die vorgenannte Ansteuerung der Gegentakt-Endstufe muss allerdings sicherstellen, dass niemals die beiden Mosfets Q1 und Q2 gleichzeitig durchgesteuert sind. Wäre das der Fall, würde es von +Ub nach GND einen Kurzschluss geben. Das gleichzeitige Durchsteuern wird durch die Gate-Widerstände R2 und R3 verhindert. Das jeweilige Gate muss sich über seinen Gate-Widerstand aufladen. Erst danach kann der Mosfet voll durchsteuern. Gate-Widerstand und Gate-Kapazität bilden also ein RC-Glied mit der Eigenschaft, das anliegende Steuersignal zu verzögern und damit das Durchschalten des jeweiligen Mosfets zu verzögern.

Beim Ausschalten wird das Q1-Gate durch den Hilfs-Mosfet Q3 schnell, d.h. ohne die Begrenzung durch R2 entladen. Das bedeutet, das Q1-Sperren erfolgt ohne Verzögerung. Ähnlich verhält es sich mit dem Q2-Gate des unteren Zweiges. Das Q2-Gate wird über Diode D2 und den unteren Endstufen-Mosfet des 555 schnell entladen, d.h. auch hier ohne Begrenzung durch R3.

Wenn also einer der Endstufen-Mosfets einschaltet, ist der andere bereits gesperrt. Kurzzeitig sind also beide Mosfets Q1 und Q2 gesperrt. Diese Zeit hängt von den verwendeten Mosfet-Typen ab und beträgt etwa 100 ns. Das schadet nicht. Auf jeden Fall wird mit dem verzögerten Einschalten und dem sofortigen Abschalten verhindert, dass beide Endstufen-Mosfets gleichzeitig durchgesteuert sind.

Fazit

Diese Schaltung mit Mosfet-Gegentakt-Endstufe erweitert auf einfache Weise den Leistungsbereich eines CMOS-555. Dabei ist mit nur einem Hilfs-Mosfet und einer kleinen Schaltung zur Aufstockung der Gate-Spannung des oberen Endstufen-Mosfets das sichere Arbeiten der beiden N-Kanal-Mosfets gewährleistet. Der vorgeschaltete 555 kann auch als MMV geschaltet sein. Selbst ein bipolarer 555 kann die Mosfet-Endstufe ansteuern, wenn mit einem Hilfswiderstand vom 555-Ausgang nach +Ub der H-Pegel des 555 etwas verbessert wird.

DC-Spannungswandler für +Ub
2022 © Peter E. Burkhardt

N-Kanal-Mosfet-Gegentakt-Endstufe, Gate-Spannungserzeugung mit 555

Auch diese Schaltung erweitert den Leistungsbereich einer CMOS-555-Endstufe durch eine N-Kanal-Mosfet-Gegentakt-Endstufe. Für die nötige gegephasige Ansteuerung des oberen Endstufenzweiges wird ein bipolarer Kleinleistungstransistor verwendet. Die nötige Gate-Spannung oberhalb der Betriebsspannung wird mit einem separaten 555 und einer Verdopplerschaltung gewonnen. Durch diese von der Mosfet-Endstufe unabhängige Bereitstellung der aufgestockten Betriebsspannung ist die Schaltung universeller nutzbar.

Schaltungsbeschreibung
Spannungsverdoppler mit einem bipolaren 555

Der bipolare 555 IC2 arbeitet als AMV. Die Schaltung wurde bewusst so einfach wie möglich gehalten. Damit der frequenzbestimmende Widerstand R6 direkt am 555-Ausgang angeschlossen werden kann, um einen Tastgrad von annähernd 0,5 zu erhalten, wurde der H-Pegel am 555-Ausgang Pin 3 mit dem Widerstand R7 etwas verbessert. Der bipolare 555 hat ja den Nachteil, dass der H-Pegel am Ausgang bei Belastung rund 1,5 V niedriger als die Betriebsspannung +Ub ist.

Zur Speisung der Verdopplerschaltung mit den Dioden D3 und D4 sowie den Kondensatoren C3 und C4 ist ein Tastgrad von 0,5 nötig, wenn die maximal mögliche Leistung bzw. Spannung am Ausgang der Verdopplerschaltung (also über C4 gegen GND) abnehmbar sein soll. Natürlich kann auch dieser 555-AMV in CMOS-Ausführung ausgeführt sein, R7 entfällt dann.

CMOS-555-AMV mit N-Kanal-Mosfet-Gegentakt-Endstufe

Der AMV IC1 mit dem CMOS-555 ist in sparsamer Schaltungstechnik ausgeführt. R1 und C1 bestimmen die Frequenz der erzeugten Rechteckschwingung, die beim Probeaufbau ca. 15 kHz betrug. Weitere Bauelemente sind nicht nötig. Die Nutzung der 555-Ausgangsspannung am Pin 3 zur Auf- und Entladung des frequenzbestimmenden Kondensators C1 garantiert einen Tastgrad von 0,5, d.h. die positive Halbwelle ist genau so lang wie die negative Halbwelle. Das ist für die Ansteuerung der folgenden Leistungsendstufe vorteilhaft. Damit die Belastung am 555-Ausgang Pin 3 nicht zu groß wird, wurde der Basiswiderstand R5 relativ hochohmig ausgelegt.

Der untere Endstufenzweig mit dem Mosfet Q2 ist leicht ansteuerbar, da die Q2-Source auf GND liegt. Der 555-Ausgang liefert mit seiner positiven Ausgangsspannung die nötige positive Gate-Spannung, die über R3 den Mosfet Q2 durchsteuern kann.

Für den oberen Endstufenzweig mit dem Mosfet Q1 ist allerdings eine gegenphasige Ansteuerung erforderlich, denn wenn Q2 gesperrt ist, soll Q1 durchgesteuert sein. Die erforderliche Phasendrehung von 180 Grad wird mit dem Negator Q3 realisiert. Q3 ist ein npn-Kleinsignal-Transistor und wird synchron zu Q2 angesteuert.

Damit Q1 richtig durchsteuert, muss die Q1-Gatespannung größer als die Betriebsspannung +Ub bzw. +Ub1 sein, da die Q1-Source nicht auf GND liegt. Diese höhere Gate-Spannung wird vom Spannungsverdoppler (IC1, D3, D4, C3, C4) geliefert.

DC-Spannungswandler für +Ub
2022 © Peter E. Burkhardt

Liegt dagegen die 555-Ausgangsspannung am Pin3 auf L (LOW bzw. GND), sperren der Transistor Q3 und auch der Mosfet Q2 des unteren Zweiges. Am Q3-Kollektor wird jetzt die über der Betriebsspannung liegende Gate-Spannung wirksam. Damit schaltet der Mosfet Q1 des oberen Endstufenzweigs voll durch. Die Q1-Gatespannung beträgt dann fast das 2-fache der Betriebsspannung +Ub. Diese Spannung muss der Transistor Q3 sperren können. Der angegebene SC945 hält 50 V aus, ist also auch ausreichend, wenn die Betriebsspannung +15 V betragen würde.

Die vorgenannte Ansteuerung der Gegentakt-Endstufe muss allerdings sicherstellen, dass niemals die beiden Mosfets Q1 und Q2 gleichzeitig durchgesteuert sind. Wäre das der Fall, würde es von +Ub nach GND einen Kurzschluss geben. Das gleichzeitige Durchsteuern wird durch die Gate-Widerstände R2 und R3 verhindert. Das jeweilige Gate muss sich über seinen Gate-Widerstand aufladen. Erst danach kann der Mosfet voll durchsteuern. Gate-Widerstand und Gate-Kapazität bilden also ein RC-Glied mit der Eigenschaft, das anliegende Steuersignal zu verzögern und damit das Durchschalten des jeweiligen Mosfets zu verzögern.

Beim Ausschalten wird das Q1-Gate durch den Transistor Q3 schnell, d.h. ohne die Begrenzung durch R2 entladen. Zu diesem Zweck ist dem Widerstand R2 die Diode D1 parallel geschaltet. Das bedeutet, das Q1-Sperren erfolgt ohne Verzögerung. Ähnlich verhält es sich mit dem Q2-Gate des unteren Zweiges. Das Q2-Gate wird über Diode D2 und den unteren Endstufen-Mosfet des 555 schnell entladen, d.h. auch hier ohne Begrenzung durch R3.

Wenn also einer der Endstufen-Mosfets einschaltet, ist der andere bereits gesperrt. Kurzzeitig sind also beide Mosfets Q1 und Q2 gesperrt. Diese Zeit hängt von den verwendeten Mosfet-Typen ab und beträgt etwa 100 ns. Das schadet nicht. Auf jeden Fall wird mit dem verzögerten Einschalten und dem sofortigen Abschalten verhindert, dass beide Endstufen-Mosfets gleichzeitig durchgesteuert sind.

Funktion Jumper JP1

Die ganze Schaltung einschließlich Leistungsendstufe kann an der normalen Betriebsspannung +Ub hängen (JP1 on) oder es kann für die Endstufe eine separate leistungsstarke Spannung +Ub1 (JP1 off) eingespeist werden. Damit ist die Steuerung der Schaltung unabhängig von der zu schaltenden Leistung. Allerdings darf +Ub1 nicht wesentlich größer als +Ub sein. Die vom Verdoppler gelieferte Gate-Spannung kann maximal fast doppelt so groß wie +Ub sein, muss aber gleichzeitig einige Volt (wenigstens 5 V) über der Spannung +Ub1 betragen. Andernfalls würde Q1 nicht voll durchsteuern können.

Fazit

Diese Schaltung mit Mosfet-Gegentakt-Endstufe erweitert auf einfache Weise den Leistungsbereich eines CMOS-555. Dabei ist mit nur einem bipolarem Kleinleistungstransistor die gegenphasige Ansteuerung des oberen Endstufenzweiges gesichert. Der vorgeschaltete 555 kann auch als MMV geschaltet sein. Selbst ein bipolarer 555 kann die Mosfet-Endstufe ansteuern, wenn mit einem Hilfswiderstand vom 555-Ausgang nach +Ub der H-Pegel des 555 etwas verbessert wird.

Die Hilfsspannung für die Gate-Ansteuerung des oberen Mosfet-Endstufenzweiges Q1 wird separat erzeugt. Der Schaltungsteil IC2 mit der zugehörigen Spannungsverdopplung kann auch ganz anders aussehen. Hauptsache ist, dass für das Q1-Gate eine Spannung zur Verfügung steht, die einige Volt größer als die Betriebsspannung +Ub bzw. +Ub1 ist.

DC-Spannungswandler: Geregelte Wandler
2020 © Peter E. Burkhardt

Geregelte Wandler

Eine gegen GND negative Spannung oder auch eine über der normalen positiven Betriebsspannung liegende höhere positive Spannung ist relativ einfach mit Spannungsvervielfacher-Schaltungen zu realisieren. Dazu gehört ein von der nominalen Betriebsspannung gespeister Generator, der dann die Leistung direkt oder über Treiber für den Spannungsvervielfacher liefert.

Die zu speisende Elektronik benötigt nicht immer eine stabilisierte Spannung. Es ist aber meistens nachteilig, wenn sich die erzeugte Spannung bei Belastung ändert. Auch die nominale Betriebsspannung sollte stabilisiert sein, so dass deren Schwankung nicht auf die Generatorschaltung und damit auf den Spannungsvervielfacher durchgreifen kann. Soll die erzeugte Spannung stabil bleiben, muss sie also in doppelter Hinsicht geregelt werden.

Im Web sind jede Menge Vervielfacherschaltungen zu finden. Leider wird aber meistens nicht angegeben, wie sich die erzeugte Spannung bei Belastung oder bei Änderung der Eingangsspannung verhält. Die Einsatzfähigkeit einer Schaltung hängt aber stark davon ab, ob die Ausgangsspannung bei Belastung stabil bleibt und welche Rippelspannung (Restwelligkeit) zu erwarten ist.

Die im Folgenden angegebenen Schaltungen wurden mit einer einstellbaren Konstantstromsenke statisch untersucht und mit analogem Oszi bzw. Multimetern vermessen. Nur so kann sichergestellt werden, dass eine Schaltung zumindest wie angegeben funktioniert.

Geregelte Wandler über 555-Reset (nach P. Williams)

Beim 555 gibt es mehrere Möglichkeiten, stabilisierend in seine Funktion als Generator einzugreifen. Die folgenden Schaltungen basieren auf einer Anregung von P. Williams. Die Rückführung von der Vervielfacherschaltung auf den Generator erfolgt über den 555-Reset-Eingang. Je nach Größe der erzeugten Ausgangsspannung werden Frequenz und Tastgrad des 555-AMV so verändert, dass der lastabhängigen Ausgangsspannungsänderung entgegengewirkt wird.

Diese Regelung hat aber keinen Einfluss auf Schwankungen der 555-Betriebsspannung +Ub. Diese Ub-Schwankungen werden linear durchgereicht, d.h. die Ausgangsspannung ändert sich entsprechend. Deshalb sollte die Versorgungsspannung +Ub stabilisiert sein. Das ist aber in den meisten Schaltungen sowieso der Fall.

Soll die erzeugte Ausgangsspannung auch bei Schwankungen der Betriebsspannung Ub konstant bleiben, muss der Sollwert für die Ua-Regelung unabhängig von +Ub sein. In einigen Schaltungen wurde der Sollwert stabilisiert, so dass eine echte Referenzspannung Uref entsteht. Die Ausgangsspannung Ua ist dann also unabhängig vom Laststrom und unabhängig von Ub-Schwankungen.

DC-Spannungswandler: Geregelte Wandler
2020 © Peter E. Burkhardt
Wandler +10V nach -10V, 20mA
Der folgende selbstgeregelte (self-regulated) Wandler hat folgende Eigenschaften:
Schaltungsbeschreibung

Der 555-AMV arbeitet in einfachster Schaltung mit 2 Widerständen und dem Lade-Kondensator C1. Ungewöhnlich ist die Beschaltung des Reset-Eingangs Pin 4. Das Verhältnis R3 zu R4 bestimmt die Höhe der erzeugten negativen Ausgangsspannung -Ua. Die Dioden D5 bis D7 linearisieren das Tracking von Ua in Abhängigkeit von +Ub. Tracking bedeutet, Ua ändert sich linear entsprechend einer Ub-Änderung. Deshalb sollte Ub stabilisiert sein. D5 bis D7 kann man auch weglassen.

Mit C2 bis C5 in Zusammenarbeit mit den Dioden D1 bis D4 erfolgt die Verdopplung der Betriebsspannung +Ub. Ohne Regelung würde bei +10 V Betriebsspannung eine gegenüber GND negative Spannung von -20 V entstehen. Die Fluss-Spannungen der Dioden verringern diesen Wert um etwa 2 V. Schottky-Dioden sind an dieser Stelle günstig, da sie nur ca. 0,3 V Spannungsabfall in Fluss-Richtung verursachen. Schottky-Dioden sind aber hier nicht nötig, da die Ausgangsspannung sowieso auf den niedrigen Wert von -10 V geregelt wird.

Das Bild enthält so ziemlich alle interessanten Bauelemente-Informationen und zusätzlich die gemessenen Werte.

Tracking

Das Diagramm mit Ua = f(Ub) (links im Bild) zeigt, dass Ua tatsächlich der Betriebsspannung Ub folgt. Allerdings geht dieser lineare Zusammenhang in Richtung kleinerer Ub zunehmend verloren.

DC-Spannungswandler: Geregelte Wandler
2020 © Peter E. Burkhardt
Regelung

Wird die negative Ausgangsspannung -Ua so groß (so negativ gegen GND), dass der Knoten R3-R4 die Reset-Schwelle von +0,7 V unterschreitet, kann der 555 nicht mehr schwingen, da er rückgesetzt wird. Der 555-Ausgang bleibt auf L (low). Die Energiezufuhr zur Vervielfacherschaltung ist unterbrochen, C5 erhält keine Ladung mehr.

Wegen der Ua-Last entlädt sich C5 etwas, die negative Ua wird kleiner, d.h. sie steigt in positive Richtung. Das verschiebt den Knoten R3-R4 ebenfalls in positive Richtung, und der Reset-Eingang wird wieder positiver. Das bedeutet, Reset ist nicht mehr aktiv, der 555 kann wieder schwingen. Damit steigt die negative Spannung an C5 wieder, -Ua erreicht wieder ihren Sollwert.

Die negative Ausgangsspannung -Ua steigt aber weiter und wird so groß, dass der Knoten R3-R4 wieder die Reset-Schwelle von +0,7 V unterschreitet, d.h. der 555 wird wieder rückgesetzt, und die Energiezufuhr zur Vervielfacherschaltung wird wieder unterbrochen. Nun beginnt das Spiel neu.

Die negative Ausgangsspannung pendelt sich also auf einen Wert ein, der durch die Spannungsteilung mit R3-R4 und die Dioden D5 bis D7 bestimmt wird. Ist die Spannung über C5 zu groß (zu negativ gegen GND), stoppt der 555, sinkt sie zu weit ab, schwingt der 555 wieder.

Das Diagramm mit Ua = f(Ia) (rechts im Bild) bildet die Regelungseigenschaften ab. Der akzeptable Arbeitsbereich, in dem die Ausgangsspannung Ua sich nur wenig ändert, erstreckt sich bis 20 mA Laststrom. Wird der Ausgang weiter belastet, sinkt Ua gegen Null. Bei Kurzschluss (Null Ohm Lastwiderstand) fließen dann nur etwa 50 mA. Die Schaltung ist also ohne besondere Maßnahmen kurzschlussfest.

Restwelligkeit des Ausgangs

Die Rippelspannung der erzeugten Ausgangsspannung Ua hängt natürlich von der Generator-Frequenz fo ab, schaltungstechnisch aber vor allem von der Kapazität des am Ausgang parallel liegenden Kondensators C5. Im Bild sind die Werte angegeben. Eine Erhöhung der C5-Kapazität auf das 10-fache verringerte die Rippelspannung auch um etwa das 10-fache. Der verbleibende Rippel von 20 mV ist gering genug, um z.B. bei der Versorgung von Opamps nicht störend zu wirken.

Ganz beseitigen kann man den Rippel nicht, da das geringfügige Schwanken der Ausgangsspannung für das Funktionieren der Regelung erforderlich ist. Oder anders ausgedrückt, nur wenn -Ua absinkt und wieder ansteigt, kann auch der 555-Reset aktiviert und wieder deaktiviert werden, damit im Mittel die richtige Energiemenge den Kondensator C5 erreicht.

Fazit

Die Schaltung ist einfach, übersichtlich und funktionssicher. Aufgrund der möglichen Last ist die Versorgung mehrerer Opamps normalerweise kein Problem. Eine zusätzliche Stabilisierung der erzeugten negativen Spannung ist nicht erforderlich. Treiber sind auch nicht nötig, da der bipolare 555 mit seiner 200mA-Endstufe die geforderte Last gut liefern kann.

DC-Spannungswandler: Geregelte Wandler
2020 © Peter E. Burkhardt
Wandler +10V nach -5V, 40mA

Der folgende selbstgeregelte 555-Wandler arbeitet mit nur einer Gleichricher-Kombination (2 Dioden) und liefert so maximal den Wert der zugeführten Spannung (1x Ub abzüglich Dioden-Fluss-Spannung). Die Einstellung der negativen Ausgangsspannung kann auch mit einem Poti erfolgen.

Eigenschaften
Schaltungsbeschreibung

Der 555-AMV arbeitet in einfachster Schaltung mit 2 Widerständen und dem Lade-Kondensator C1. Ungewöhnlich ist die Beschaltung des Reset-Eingangs Pin 4. Das Verhältnis R3 zu R4 bestimmt die Höhe der erzeugten negativen Ausgangsspannung -Ua. Ua ändert sich linear entsprechend einer Änderung der Betriebsspannung Ub (Tracking). Deshalb sollte Ub stabilisiert sein.

Mit den Elkos C2 und C3 in Zusammenarbeit mit den Dioden D1 und D2 erfolgt eine einfache potentialgetrennte Weitergabe der Betriebsspannung +Ub. Die Polung der Dioden bestimmt, ob sich am Ausgang eine negative oder eine positive Spannung bezogen auf GND ergibt. Bei dieser Schaltung würde ohne Regelung bei +10 V Betriebsspannung eine gegenüber GND negative Spannung von -10 V entstehen. Die Fluss-Spannungen der Dioden verringern diesen Wert etwas. Schottky-Dioden sind an dieser Stelle günstig, da sie nur ca. 0,3 V Spannungsabfall in Fluss-Richtung verursachen. Schottky-Dioden sind aber hier nicht nötig, da die Ausgangsspannung sowieso auf den niedrigen Wert von -5 V geregelt wird.

Das Bild enthält alle nötigen Infos und zusätzlich die gemessenen Werte.

Tracking

Das Diagramm mit Ua = f(Ub) (links im Bild) zeigt, dass Ua tatsächlich der Betriebsspannung Ub folgt. Durch die Einstellung der Ausgangsspannung auf -5 V erfolgt das Tracking mit einem bestimmten Faktor. Der lineare Zusammenhang geht in Richtung kleinerer Ub zunehmend verloren (siehe Diagramm).

DC-Spannungswandler: Geregelte Wandler
2020 © Peter E. Burkhardt
Regelung

Wird die negative Ausgangsspannung -Ua so groß (so negativ gegen GND), dass der Knoten R3-R4 die Reset-Schwelle von +0,7 V unterschreitet, kann der 555 nicht mehr schwingen, da er rückgesetzt wird. Der 555-Ausgang bleibt auf L (low). Die Energiezufuhr zur Vervielfacherschaltung ist unterbrochen, C3 erhält keine Ladung mehr.

Wegen der Ua-Last entlädt sich C3 etwas, die negative Ua wird kleiner, d.h. sie steigt in positive Richtung. Das verschiebt den Knoten R3-R4 ebenfalls in positive Richtung, und der Reset-Eingang wird wieder positiver. Das bedeutet, Reset ist nicht mehr aktiv, der 555 kann wieder schwingen. Damit steigt die negative Spannung an C3 wieder, -Ua erreicht wieder ihren Sollwert.

Die negative Ausgangsspannung -Ua steigt aber weiter und wird so groß, dass der Knoten R3-R4 wieder die Reset-Schwelle von +0,7 V unterschreitet, d.h. der 555 wird wieder rückgesetzt, und die Energiezufuhr zur Vervielfacherschaltung wird wieder unterbrochen. Nun beginnt das Spiel neu.

Die negative Ausgangsspannung pendelt sich also auf einen Wert ein, der durch die Spannungsteilung mit R3-R4 bestimmt wird. Ist die Spannung über C3 zu groß (zu negativ gegen GND), stoppt der 555, sinkt sie zu weit ab, schwingt der 555 wieder.

Das Diagramm mit Ua = f(Ia) (rechts im Bild) bildet die Regelungseigenschaften ab. Der akzeptable Arbeitsbereich, in dem die Ausgangsspannung Ua sich nur wenig ändert, erstreckt sich bis 40 mA Laststrom. Wird der Ausgang weiter belastet, sinkt Ua gegen Null. Bei Kurzschluss (Null Ohm Lastwiderstand) fließen dann etwa 120 mA. Die Schaltung ist also ohne besondere Maßnahmen kurzschlussfest.

Restwelligkeit des Ausgangs

Die Rippelspannung der erzeugten Ausgangsspannung Ua hängt natürlich von der Generator-Frequenz fo ab, schaltungstechnisch aber vor allem von der Kapazität des am Ausgang parallel liegenden Elkos C3. Im Bild sind die Werte angegeben. Eine Erhöhung der C3-Kapazität auf das 10-fache verringerte die Rippelspannung auch um etwa das 10-fache. Der verbleibende Rippel von 35 mV ist gering genug, um z.B. bei der Versorgung von Opamps nicht störend zu wirken.

Ganz beseitigen kann man den Rippel nicht, da das geringfügige Schwanken der Ausgangsspannung für das Funktionieren der Regelung erforderlich ist. Oder anders ausgedrückt, nur wenn -Ua absinkt und wieder ansteigt, kann auch der 555-Reset aktiviert und wieder deaktiviert werden, damit im Mittel die richtige Energiemenge den Kondensator C3 erreicht.

Einstellen der Ausgangsspannung

Im Bild sind für den Istwert-Spannungsteiler feste Widerstandswerte angegeben, da im praktischen Einsatz sowieso meist am Ausgang keine veränderliche Spannung nötig ist. Es kann aber auch ein Trimmer oder Poti eingesetzt werden, um die Ausgangsspannung bequem einzustellen bzw. an eine abweichende 555-Betriebsspannung anzupassen.

Soll der Einstellbereich eingeschränkt werden, ist dies durch Widerstände im oberen und/oder unteren Trimmer-Zweig realisierbar. Der Gesamtwiderstand R3 + R4 bzw. des Trimmers VR1 ist nicht kritisch. Als Belastung wirkt hier nur der geringe 555-Reset-Eingangsstrom von weniger als 0,1 mA bei aktivem Reset.

Im Bild sind ein paar mögliche Ua-Werte mit den zugehörigen maximalen Ausgangsströmen angegeben. Bei niedriger Ua ist eine größere Ausgangslast möglich im Vergleich zu höherer Ua. Die Werte der Maximalströme beziehen sich auf einen gut ausgeregelten Arbeitsbereich, in dem -Ua nur um 0,1 V belastungsabhängig schwanken darf. Außerdem sind die Werte natürlich nur bei einer Betriebsspannung, in diesem Falle 10 V, gültig. Bei anderen 555-Betriebsspannungen ergeben sich auch andere mögliche Belastungsgrenzen.

Die Einstellbarkeit mittels Trimmer oder Poti gilt natürlich auch für alle ähnlichen 555-Schaltungen, deren Regelung über den Reset-Eingang erfolgt.

Fazit

Die Schaltung ist noch einfacher gegenüber einer 555-Schaltung mit Spannungsverdoppler. Meist wird sowieso zur Opamp-Versorgung nur eine relativ kleine negative Spannung benötigt, um das Unvermögen mancher Opamps auszugleichen, bis an die untere Betriebsspannung aussteuern zu können. Bei unipolarer Opamp-Versorgung, also nur mit einer positiven Betriebsspannung, liegt der negative Opamp-Betriebsspannungs-Anschluss auf GND. Kleine Nutzsignale nahe GND können dann nicht linear verarbeitet werden.

Die mit dieser 555-Schaltung gewonnene Spannung von -5 V bei einer Belastungsgrenze von 40 mA mit nur 0,1 V Schwankung, wenn sich die Belastung ändert, erfüllt die meisten Anforderungen, die an eine Opamp-Versorgung gestellt werden. Günstig ist auch das geringe Rippel-Maß, das sich allerdings mit etwas Zusatzaufwand weiter verbessern lässt (siehe Schaltung mit Transistor zur Glättung).

DC-Spannungswandler: Geregelte Wandler
2020 © Peter E. Burkhardt
Wandler +12V nach -5V, 100mA, Treiber, stabilisiert

Dieser selbstgeregelte 555-Wandler arbeitet auch nach dem Grundprinzip nach P. Williams. Die Regelung erfolgt über den 555-Reset-Eingang. Um den möglichen Ausgangsstrom zu erhöhen, wurde eine Treiberstufe ergänzt. Außerdem sorgt eine Stabilisierungsschaltung für die Stabilität der negativen Ausgangsspannung auch bei schwankender 555-Betriebsspannung.

Eigenschaften
Schaltungsbeschreibung

Der 555-AMV arbeitet in Standardschaltung mit 2 Widerständen und dem Lade-Kondensator C1. Zur Regelung wird der 555-Reset-Eingang Pin 4 verwendet. Das Verhältnis R5 zu R6 in Verbindung mit dem Trimmer VR1 bestimmt die Höhe der erzeugten negativen Ausgangsspannung -Ua. Damit die 555-Betriebsspannung keinen Einfluss auf die eingestellte negative Ausgangsspannung -Ua hat, ist das obere Ende des Spannungsteilers R5-VR1-R6 geklemmt, d.h. stabilisiert. Der dem Reset-Eingang zugeführte Istwert hängt also nur noch von -Ua ab. Deshalb muss die 555-Betriebsspannung +Ub nicht stabilisiert sein.

Treiberstufe

Damit die negative Ausgangsspannung -Ua höher belastet werden kann, wurde die Treiberstufe mit den Transistoren Q1 und Q2 eingefügt. Der 555-Ausgang muss jetzt nur den Basisstrom liefern und wird dementsprechend entlastet. Bei hohem Ausgangsstrom an -Ua ist die Impulsbelastung für die Umladung der Elkos C2 und C3 relativ groß. Ist kein Treiber vorhanden, bringen die Spitzenströme den 555-Ausgang schnell an die Grenze seiner 200mA-Leistungsfähigkeit.

DC-Spannungswandler: Geregelte Wandler
2020 © Peter E. Burkhardt

Auch die Transistoren der Treiberstufe sollten hohe Impulsströme aushalten. Es wurden 800mA-Typen verwendet. Die Verlustleistung hält sich in Grenzen, da Q1 und Q2 im Schaltbetrieb arbeiten. Beim nominalen Maximalstrom von 100 mA am Ausgang erwärmen sich Q1 und Q2 aber schon merklich. Wird längere Zeit ein hoher Strom am Ausgang gefordert, sollte man Transistoren nehmen, die gekühlt werden können.

Gleichrichtung

Mit den Elkos C2 und C3 in Zusammenarbeit mit den Dioden D1 und D2 erfolgt eine einfache potentialgetrennte Weitergabe der Betriebsspannung +Ub. Die Polung der Dioden bestimmt, ob sich am Ausgang eine negative oder eine positive Spannung bezogen auf GND ergibt. Bei dieser Schaltung würde ohne Regelung bei +12 V Betriebsspannung eine gegenüber GND negative Spannung von -12 V entstehen. Die Fluss-Spannungen der Dioden verringern diesen Wert etwas. Schottky-Dioden sind an dieser Stelle günstig, da sie nur ca. 0,3 V Spannungsabfall in Fluss-Richtung verursachen. Schottky-Dioden sind aber hier nicht nötig, da die Ausgangsspannung sowieso auf den niedrigen Wert von -5 V geregelt wird.

Das Bild enthält alle nötigen Infos und zusätzlich die gemessenen Werte.

Regelung

Wird die negative Ausgangsspannung -Ua so groß (so negativ gegen GND), dass die Spannung am VR1-Schleifer die Reset-Schwelle von +0,7 V unterschreitet, kann der 555 nicht mehr schwingen, da er rückgesetzt wird. Der 555-Ausgang bleibt auf L (low). Die Energiezufuhr zur Vervielfacherschaltung ist unterbrochen, C3 erhält keine Ladung mehr.

Wegen der Ua-Last entlädt sich C3 etwas, die negative Ua wird kleiner, d.h. sie steigt in positive Richtung. Das verschiebt die Spannung am VR1-Schleifer ebenfalls in positive Richtung, und der Reset-Eingang wird wieder positiver. Das bedeutet, Reset ist nicht mehr aktiv, der 555 kann wieder schwingen. Damit steigt die negative Spannung an C3 wieder, -Ua erreicht wieder ihren Sollwert.

Die negative Ausgangsspannung -Ua steigt aber weiter und wird so groß, dass die Spannung am VR1-Schleifer wieder die Reset-Schwelle von +0,7 V unterschreitet, d.h. der 555 wird wieder rückgesetzt, und die Energiezufuhr zur Vervielfacherschaltung wird wieder unterbrochen. Nun beginnt das Spiel neu.

Die negative Ausgangsspannung pendelt sich also auf einen Wert ein, der durch die Spannungsteilung mit R5-VR1-R6 bestimmt wird. Ist die Spannung über C3 zu groß (zu negativ gegen GND), stoppt der 555, sinkt sie zu weit ab, schwingt der 555 wieder.

Das Diagramm mit Ua = f(Ia) (rechts im Bild) bildet die Regelungseigenschaften ab. Der akzeptable Arbeitsbereich, in dem die Ausgangsspannung Ua sich nur wenig ändert, erstreckt sich bis 100 mA Laststrom. Wird der Ausgang weiter belastet, sinkt Ua gegen Null. Bei Kurzschluss (Null Ohm Lastwiderstand) fließen dann etwa 150 mA. Die Schaltung ist also ohne besondere Maßnahmen kurzschlussfest.

Restwelligkeit des Ausgangs

Die Rippelspannung der erzeugten Ausgangsspannung Ua hängt von der Generator-Frequenz fo ab, schaltungstechnisch aber vor allem von der Kapazität des am Ausgang parallel liegenden Elkos C3. Im Bild sind die Werte angegeben.

Ganz beseitigen kann man den Rippel nicht, da das geringfügige Schwanken der Ausgangsspannung für das Funktionieren der Regelung erforderlich ist. Oder anders ausgedrückt, nur wenn -Ua absinkt und wieder ansteigt, kann auch der 555-Reset aktiviert und wieder deaktiviert werden, damit im Mittel die richtige Energiemenge den Kondensator C3 erreicht.

Abhängigkeit -Ua von +Ub

Wie wirksam die Stabilisierung der Spannung für den Istwert-Teiler ist, zeigt das linke Diagramm im Bild. Bereits ab +10 V Eingangsspannung ändert sich die negative Ausgangsspannung von -5 V so gut wie überhaupt nicht mehr. Die Abhängigkeit -Ua vom entnommenen Strom ist natürlich weiterhin vorhanden (siehe rechtes Diagramm Ua = f(Ia) im Bild). Die stabilisierte Spannung muss nur ungefähr 8 V betragen. Dieser Wert soll die Funktionsfähigkeit der Schaltung bei +10 V noch sichern.

Fazit

Die Schaltung ist durch den zusätzlichen Treiber und die Stabilisierung des Istwert-Teilers etwas umfangreicher, erfüllt dadurch aber alle Forderungen, die man an die erzeugte negative Ausgangsspannung stellen könnte. Die Rippelspannung lässt sich mit einer zusätzlichen Siebstufe reduzieren, ohne dass man große Elkos einsetzen muss (siehe Schaltung mit Transistor zur Glättung).

DC-Spannungswandler: Geregelte Wandler
2020 © Peter E. Burkhardt
Wandler +13V nach -5V, 94mA, Treiber, stabilisiert, Siebstufe

Die Schaltung des vorigen 555-Wandlers, der selbstgeregelt über den 555-Reset-Eingang bis zu 100 mA über eine Treiberstufe liefert, ist hier mit einer aktiven Glättung ergänzt. Die Rippelspannung beträgt nur noch 5 mV.

Da die Siebstufe über dem Transistor einen Spannungsverlust mit sich bringt, musste die nominale Eingangsspannung auf +13 V erhöht werden. Außerdem sind bei einer zugelassenen Ua-Abweichung von +/-0,05 V nur noch 94 mA Ausgangsstrom möglich. Das ergibt sich aus den Messwerten. Natürlich kann der praktische Schaltungsaufbau durchaus bessere Ergebnisse bringen, z.B. wenn man Schottkydioden zur Gleichrichtung verwendet.

Eigenschaften
Schaltungsbeschreibung

Der 555-AMV arbeitet in Standardschaltung mit 2 Widerständen und dem Lade-Kondensator C1. Zur Regelung wird der 555-Reset-Eingang Pin 4 verwendet. Das Verhältnis R5 zu R6 in Verbindung mit dem Trimmer VR1 bestimmt die Höhe der erzeugten negativen Ausgangsspannung -Ua. Damit die 555-Betriebsspannung keinen Einfluss auf die eingestellte negative Ausgangsspannung -Ua hat, ist das obere Ende des Spannungsteilers R5-VR1-R6 geklemmt, d.h. stabilisiert. Der dem Reset-Eingang zugeführte Istwert hängt also nur noch von -Ua ab. Deshalb muss die 555-Betriebsspannung +Ub nicht stabilisiert sein.

DC-Spannungswandler: Geregelte Wandler
2020 © Peter E. Burkhardt
Treiberstufe

Damit die negative Ausgangsspannung -Ua höher belastet werden kann, wurde die Treiberstufe mit den Transistoren Q1 und Q2 eingefügt. Der 555-Ausgang muss jetzt nur den Basisstrom liefern und wird dementsprechend entlastet. Bei hohem Ausgangsstrom an -Ua ist die Impulsbelastung für die Umladung der Elkos C2 und C3 relativ groß. Ist kein Treiber vorhanden, bringen die Spitzenströme den 555-Ausgang schnell an die Grenze seiner 200mA-Leistungsfähigkeit.

Auch die Transistoren der Treiberstufe sollten hohe Impulsströme aushalten. Es wurden 800mA-Typen verwendet. Die Verlustleistung hält sich in Grenzen, da Q1 und Q2 im Schaltbetrieb arbeiten. Beim nominalen Maximalstrom am Ausgang erwärmen sich Q1 und Q2 aber schon merklich. Wird längere Zeit ein hoher Strom am Ausgang gefordert, sollte man Transistoren nehmen, die gekühlt werden können.

Gleichrichtung

Mit den Elkos C2 und C3 in Zusammenarbeit mit den Dioden D1 und D2 erfolgt eine einfache potentialgetrennte Weitergabe der Betriebsspannung +Ub. Die Polung der Dioden bestimmt, ob sich am Ausgang eine negative oder eine positive Spannung bezogen auf GND ergibt. Bei dieser Schaltung würde ohne Regelung bei +13 V Betriebsspannung eine gegenüber GND negative Spannung von -13 V entstehen. Die Fluss-Spannungen der Dioden verringern diesen Wert etwas. Schottky-Dioden sind an dieser Stelle günstig, da sie nur ca. 0,3 V Spannungsabfall in Fluss-Richtung verursachen. Schottky-Dioden würden den Spannungsabfall über der nachfolgenden Siebstufe etwas ausgleichen. Das ist aber alles nur wichtig, wenn der maximale Strom von knapp 100 mA gefordert ist.

Das Bild enthält alle nötigen Infos und zusätzlich die gemessenen Werte.

Restwelligkeit des Ausgangs, Siebstufe

Die Rippelspannung der erzeugten Ausgangsspannung Ua hängt von der Generator-Frequenz fo ab, schaltungstechnisch aber vor allem von der Kapazität des am Ausgang parallel liegenden Elkos C5. In dieser Schaltung wurde eine aktive Glättungsstufe mit dem pnp-Tansistor Q3 nachgeschaltet. Die Eingangsspannung am Q3-Kollektor erscheint abzüglich der Q3-Basis-Emitter-Spannung am Q3-Emitter. Da die Q3-Basis über einen Elko mit GND verbunden ist, wird die Glättungswirkung (anders ausgedrückt die Siebwirkung) durch die Q3-Stromverstärkung vervielfacht. Ein vergleichbar kleiner Elko hat also eine große Siebwirkung. Die Rippelspannung am Ausgang wird gegenüber dem Eingang stark reduziert. In der angegebenen Dimensionierung ergaben sich maximal 5 mV im gesamten Lastbereich.

Die Rückführung der Regelung ist nach dieser Glättungsstufe, also am Ua-Ausgang, angeschlossen. Dadurch wird -Ua trotz Spannungsverlust über dem Transistor Q3 auf dem mit VR1 eingestellten Wert gehalten. Das hat natürlich seine Grenzen, denn der Q3-Spannungsabfall wirkt sich auf den Arbeitsbereich aus, d.h. die mögliche Stromentnahme sinkt etwas gegenüber einer Schaltung ohne Glättungsstufe. Zum Ausgleich wurde die nominale Eingangsspannung +Ub auf 13 V erhöht.

Regelung

Wird die negative Ausgangsspannung -Ua so groß (so negativ gegen GND), dass die Spannung am VR1-Schleifer die Reset-Schwelle von +0,7 V unterschreitet, kann der 555 nicht mehr schwingen, da er rückgesetzt wird. Der 555-Ausgang bleibt auf L (low). Die Energiezufuhr zur Vervielfacherschaltung ist unterbrochen, C5 erhält keine Ladung mehr.

Wegen der Ua-Last entlädt sich C5 etwas, die negative Ua wird kleiner, d.h. sie steigt in positive Richtung. Das verschiebt die Spannung am VR1-Schleifer ebenfalls in positive Richtung, und der Reset-Eingang wird wieder positiver. Das bedeutet, Reset ist nicht mehr aktiv, der 555 kann wieder schwingen. Damit steigt die negative Spannung an C5 wieder, -Ua erreicht wieder ihren Sollwert.

Die negative Ausgangsspannung -Ua steigt aber weiter und wird so groß, dass die Spannung am VR1-Schleifer wieder die Reset-Schwelle von +0,7 V unterschreitet, d.h. der 555 wird wieder rückgesetzt, und die Energiezufuhr zur Vervielfacherschaltung wird wieder unterbrochen. Nun beginnt das Spiel neu.

Die negative Ausgangsspannung pendelt sich also auf einen Wert ein, der durch die Spannungsteilung mit R5-VR1-R6 bestimmt wird. Ist die Spannung über C5 zu groß (zu negativ gegen GND), stoppt der 555, sinkt sie zu weit ab, schwingt der 555 wieder.

Das Diagramm mit Ua = f(Ia) (rechts im Bild) bildet die Regelungseigenschaften ab. Der akzeptable Arbeitsbereich, in dem die Ausgangsspannung Ua sich nur wenig ändert, erstreckt sich bis nahezu 100 mA Laststrom. Wird der Ausgang weiter belastet, sinkt Ua gegen Null. Bei Kurzschluss (Null Ohm Lastwiderstand) fließen dann etwa 175 mA. Die Schaltung ist also ohne besondere Maßnahmen kurzschlussfest.

Abhängigkeit -Ua von +Ub

Wie wirksam die Stabilisierung der Spannung für den Istwert-Teiler ist, zeigt das linke Diagramm im Bild. Bereits ab +10 V Eingangsspannung ändert sich die negative Ausgangsspannung von -5 V so gut wie überhaupt nicht mehr. Die Abhängigkeit -Ua vom entnommenen Strom ist natürlich weiterhin vorhanden (siehe rechtes Diagramm Ua = f(Ia) im Bild). Die stabilisierte Spannung muss nur ungefähr 8 V betragen. Dieser Wert soll die Funktionsfähigkeit der Schaltung bei +10 V noch sichern.

DC-Spannungswandler: Geregelte Wandler
2020 © Peter E. Burkhardt

Damit auch im Leerlauf am Ausgang die Rippelspannung nicht zu sehr ansteigt, wurde Widerstand R11 als Grundlast eingefügt. Über ihn fließen 5 mA, so dass die Regelung auch ohne externe Last sauber arbeitet. Das hat natürlich Auswirkungen auf den maximal entnehmbaren Strom. Entsprechend der zugelassenen Ua-Toleranz von 0,1 V ergaben sich 94 mA (siehe rechtes Diagramm im Bild).

Ganz beseitigen kann man den Rippel nicht, da das geringfügige Schwanken der Ausgangsspannung für das Funktionieren der Regelung erforderlich ist. Oder anders ausgedrückt, nur wenn -Ua absinkt und wieder ansteigt, kann auch der 555-Reset aktiviert und wieder deaktiviert werden, damit im Mittel die richtige Energiemenge den Kondensator C5 erreicht.

Wollte man die negative Ausgangsspannung -Ua ganz frei vom Rippel machen und auch den Rauschpegel absenken, müsste man nach der Regelrückführung, also am Ua-Ausgang, eine zusätzliche Siebung anordnen. Das könnte mit Drossel und Elko erfolgen.

Fazit

Die zusätzliche Siebstufe ist sinnvoll, wenn niedrige Rippelwerte gefordert sind. Allerdings muss die Eingangsspannung etwas höher sein, um den Verlust über dem Siebtransistor auszugleichen.

DC-Spannungswandler: Geregelte Wandler
2020 © Peter E. Burkhardt
Wandler +15V nach -5V, 120mA, Treiber, stabilisiert, Siebstufe

Der folgende selbstgeregelte 555-Wandler liefert bis zu 120 mA bei -5 V Ausgangsspannung. Doch nicht diese maximale Belastbarkeit ist bedeutsam, sondern die hohe Regelgenauigkeit von 60 mV. Das wird durch eine besondere Schaltungstechnik erreicht. Der als präzise Z-Diode verwendete TL431 dient zusammen mit der 555-Reset-Schwelle als Referenz zur Regelung der negativen Ausgangsspannung. Der Komplementärtreiber und die aktive Glättung sichern eine relativ hoch belastbare Ausgangsspannung bei geringer Welligkeit.

Da die Siebstufe über dem Transistor einen Spannungsverlust mit sich bringt, muss die nominale Eingangsspannung +15 V betragen, wenn der Ausgang bis zum Maximalstrom belastbar sein soll.

Eigenschaften
Schaltungsbeschreibung

Der 555-AMV arbeitet in Standardschaltung mit 2 Widerständen und dem Lade-Kondensator C1. Die generierten Impulse am 555-Ausgang durchlaufen den Komplementärtreiber (Q1, Q2), die Gleichrichterkombination (D1, D2) und eine aktive Glättungsstufe (Q3). Am Ausgang ergibt sich die gegenüber GND negative Spannung mit hoher Belastbarkeit und gleichzeitig niedriger Restwelligkeit.

Damit die Ausgangsspannung auch bei wechselnder Last und gleichzeitig bei Schwankungen der 555-Betriebsspannung stabil bleibt, erfolgt eine Regelung über den 555-Reset-Eingang.

DC-Spannungswandler: Geregelte Wandler
2020 © Peter E. Burkhardt
Treiberstufe

Damit die negative Ausgangsspannung -Ua höher belastet werden kann, wurde die Treiberstufe mit den Transistoren Q1 und Q2 eingefügt. Der 555-Ausgang muss jetzt nur den Basisstrom liefern und wird dementsprechend entlastet. Bei hohem Ausgangsstrom an -Ua ist die Impulsbelastung für die Umladung der Elkos C2 und C3 relativ groß. Ohne Treiber würde der 555-Ausgang wegen der hohen Stromspitzen überlastet werden.

Auch die Transistoren der Treiberstufe sollten hohe Impulsströme aushalten. Es wurden 800mA-Typen verwendet. Die Verlustleistung hält sich in Grenzen, da Q1 und Q2 im Schaltbetrieb arbeiten. Beim nominalen Maximalstrom am Ausgang erwärmen sich Q1 und Q2 aber schon merklich. Wird längere Zeit ein hoher Strom am Ausgang gefordert, sollte man Transistoren nehmen, die gekühlt werden können (TO220-Gehäuse).

Gleichrichtung

Mit den Elkos C2 und C3 in Zusammenarbeit mit den Dioden D1 und D2 erfolgt eine einfache potentialgetrennte Weitergabe der Betriebsspannung +Ub. Die Polung der Dioden bewirkt am Ausgang eine negative Spannung bezogen auf GND. Ohne Regelung hätte die Ausgangsspannung den Betrag der 555-Betriebsspannung (abzüglich der Fluss-Spannung der Dioden).

Restwelligkeit des Ausgangs, Siebstufe

Die Rippelspannung der erzeugten Ausgangsspannung Ua hängt von der Generator-Frequenz fo ab, schaltungstechnisch aber vor allem von der Kapazität des am Ausgang parallel liegenden Elkos C5. In dieser Schaltung wurde eine aktive Glättungsstufe mit dem pnp-Tansistor Q3 nachgeschaltet. Die Eingangsspannung am Q3-Kollektor erscheint abzüglich der Q3-Basis-Emitter-Spannung am Q3-Emitter. Da die Q3-Basis über einen Elko mit GND verbunden ist, wird die Glättungswirkung (anders ausgedrückt die Siebwirkung) durch die Q3-Stromverstärkung vervielfacht. Ein vergleichbar kleiner Elko hat also eine große Siebwirkung. Die Rippelspannung am Ausgang wird gegenüber dem Eingang stark reduziert. In der angegebenen Dimensionierung ergaben sich maximal 20 mV im gesamten Lastbereich.

Die Rückführung der Regelung ist nach dieser Glättungsstufe, also am Ua-Ausgang, angeschlossen. Dadurch wird -Ua trotz Spannungsverlust über dem Transistor Q3 auf dem mit VR1 eingestellten Wert gehalten. Das hat natürlich seine Grenzen, denn der Q3-Spannungsabfall wirkt sich auf den Arbeitsbereich aus, d.h. die mögliche Stromentnahme sinkt etwas gegenüber einer Schaltung ohne Glättungsstufe. Für 120 mA Ausgangsstrom muss die Betriebsspannung 15 V betragen.

Regelung

Wird die negative Ausgangsspannung -Ua so groß, dass sie den Wert der einstellbaren Z-Diode (TL431) und die 0,7V-Schwelle des 555-Reset-Eingangs unterschreitet, kann der 555 seinen frequenzbestimmenden Kondensator C1 nicht aufladen, da der 555 zurückgesetzt ist. Der 555 führt L-Pegel. Erst wenn die Spannung am Reset-Eingang über +0,7 V liegt, ist der Reset-Eingang inaktiv und der 555 kann arbeiten.

Sinkt also der Betrag der Ausgangsspannung, beginnt ein Ladezyklus und der 555-Ausgang führt H-Pegel. Dieser Impuls lädt über den Treiber und die Dioden D1, D2 sowie die Glättungsstufe letztendlich den Ausgangs-Elko C5 nach. Ua steigt wieder.

Somit erfolgt durch die Verzögerung über den Reset-Eingang eine Stabilisierung der Ausgangsspannung. Näheres zeigt das rechte Diagramm im Bild. Der akzeptable Arbeitsbereich, in dem die Ausgangsspannung Ua sich nur wenig ändert, erstreckt sich bis 120 mA Laststrom. Wird der Ausgang weiter belastet, sinkt Ua gegen Null. Bei Kurzschluss (Null Ohm Lastwiderstand) fließen dann etwa 190 mA. Die Schaltung ist also ohne besondere Maßnahmen kurzschlussfest.

Abhängigkeit -Ua von +Ub

Wie wirksam die Stabilisierung der Spannung für den Istwert-Teiler ist, zeigt das linke Diagramm im Bild. Bereits ab +10 V Eingangsspannung ändert sich die negative Ausgangsspannung von -5 V so gut wie überhaupt nicht mehr (bezogen auf 20 mA Laststrom). Die Abhängigkeit -Ua vom entnommenen Strom ist natürlich weiterhin vorhanden (siehe rechtes Diagramm Ua = f(Ia) im Bild).

Grundlast

Damit auch im Leerlauf am Ausgang die Rippelspannung nicht zu sehr ansteigt, wurde Widerstand R7 als Grundlast eingefügt. Über ihn fließen 5 mA, so dass die Regelung auch ohne externe Last sauber arbeitet. Anstelle von R7 kann auch eine LED mit Vorwiderstand geschaltet werden, um so eine visuelle Kontrolle von -Ua zu haben.

Ganz beseitigen kann man den Rippel nicht, da das geringfügige Schwanken der Ausgangsspannung für das Funktionieren der Regelung erforderlich ist. Oder anders ausgedrückt, nur wenn -Ua absinkt und wieder ansteigt, kann auch der 555-Reset aktiviert und wieder deaktiviert werden, damit im Mittel die richtige Energiemenge den Kondensator C5 erreicht.

DC-Spannungswandler: Geregelte Wandler
2020 © Peter E. Burkhardt

Wollte man die negative Ausgangsspannung -Ua ganz frei vom Rippel machen und auch den Rauschpegel absenken, müsste man nach der Regelrückführung, also am Ua-Ausgang, eine zusätzliche Siebung anordnen. Das könnte mit Drossel und Elko erfolgen.

Fazit

Die Schaltung ist zwar etwas aufwendig, liefert aber überzeugende Ergebnisse. Soll eine höhere Ausgangsspannung zur Verfügung stehen, muss anstelle der einfachen Diodenschaltung ein Spannungsverdoppler mit 4 Dioden treten.

DC-Spannungswandler: Geregelte Wandler
2020 © Peter E. Burkhardt
Wandler +10V nach -5V, 28mA, Siebstufe

Der folgende selbstgeregelte 555-Wandler ist zusätzlich zur einfachen Gleichricher-Kombination (2 Dioden) mit einer Siebstufe ausgerüstet, die trotz kleinem Ausgangselko eine niedrige Rippelspannung garantiert.

Eigenschaften
Schaltungsbeschreibung

Der 555-AMV arbeitet in Standardschaltung mit 2 Widerständen und dem Lade-Kondensator C1. Ungewöhnlich ist die Beschaltung des Reset-Eingangs Pin 4. Das Verhältnis R3 zu R4 bestimmt die Höhe der erzeugten negativen Ausgangsspannung -Ua. Ua ändert sich linear entsprechend einer Änderung der Betriebsspannung Ub (Tracking). Deshalb sollte Ub stabilisiert sein.

Mit den Elkos C2 und C3 in Zusammenarbeit mit den Dioden D1 und D2 erfolgt eine einfache potentialgetrennte Weitergabe der Betriebsspannung +Ub. Die Polung der Dioden bestimmt, ob sich am Ausgang eine negative oder eine positive Spannung bezogen auf GND ergibt. Bei dieser Schaltung würde ohne Regelung bei +10 V Betriebsspannung eine gegenüber GND negative Spannung von -10 V entstehen. Die Fluss-Spannungen der Dioden verringern diesen Wert etwas. Schottky-Dioden sind an dieser Stelle günstiger, aber nicht nötig, da die Ausgangsspannung sowieso auf den niedrigen Wert von -5 V geregelt wird.

Das Bild enthält alle nötigen Infos und zusätzlich die gemessenen Werte.

Tracking

Das Diagramm mit Ua = f(Ub) (links im Bild) zeigt, dass Ua tatsächlich der Betriebsspannung Ub folgt. Durch die Einstellung der Ausgangsspannung auf -5 V erfolgt das Tracking mit einem bestimmten Faktor. Der lineare Zusammenhang geht in Richtung kleinerer Ub zunehmend verloren (siehe Diagramm).

DC-Spannungswandler: Geregelte Wandler
2020 © Peter E. Burkhardt
Regelung

Wird die negative Ausgangsspannung -Ua so groß (so negativ gegen GND), dass der Knoten R3-R4 die Reset-Schwelle von +0,7 V unterschreitet, kann der 555 nicht mehr schwingen, da er rückgesetzt wird. Der 555-Ausgang bleibt auf L (low). Die Energiezufuhr zur Vervielfacherschaltung ist unterbrochen, C3 erhält keine Ladung mehr.

Wegen der Ua-Last entlädt sich C3 etwas, die negative Ua wird kleiner, d.h. sie steigt in positive Richtung. Das verschiebt den Knoten R3-R4 ebenfalls in positive Richtung, und der Reset-Eingang wird wieder positiver. Das bedeutet, Reset ist nicht mehr aktiv, der 555 kann wieder schwingen. Damit steigt die negative Spannung an C3 wieder, -Ua erreicht wieder ihren Sollwert.

Die negative Ausgangsspannung -Ua steigt aber weiter und wird so groß, dass der Knoten R3-R4 wieder die Reset-Schwelle von +0,7 V unterschreitet, d.h. der 555 wird wieder rückgesetzt, und die Energiezufuhr zur Vervielfacherschaltung wird wieder unterbrochen. Nun beginnt das Spiel neu.

Die negative Ausgangsspannung pendelt sich also auf einen Wert ein, der durch die Spannungsteilung mit R3-R4 bestimmt wird. Ist die Spannung über C3 zu groß (zu negativ gegen GND), stoppt der 555, sinkt sie zu weit ab, schwingt der 555 wieder.

Das Diagramm mit Ua = f(Ia) (rechts im Bild) bildet die Regelungseigenschaften ab. Der akzeptable Arbeitsbereich, in dem die Ausgangsspannung Ua sich nur wenig ändert, erstreckt sich bis 60 mA Laststrom. Allerdings ist dazu eine Eingangsspannung von 12 V nötig. Wird der Ausgang weiter belastet, sinkt Ua gegen Null. Bei Kurzschluss (Null Ohm Lastwiderstand) fließen dann etwa 120 mA. Die Schaltung ist also ohne besondere Maßnahmen kurzschlussfest.

Restwelligkeit des Ausgangs

Die Rippelspannung der erzeugten Ausgangsspannung Ua hängt natürlich von der Generator-Frequenz fo ab, schaltungstechnisch aber vor allem von der Kapazität des am Ausgang parallel liegenden Elkos C3. In dieser Schaltung wurde eine aktive Glättungsstufe mit dem pnp-Tansistor Q1 nachgeschaltet. Die Eingangsspannung am Q1-Kollektor erscheint abzüglich der Q1-Basis-Emitter-Spannung am Q1-Emitter. Da die Q1-Basis über einen Elko mit GND verbunden ist, wird die Glättungswirkung (anders ausgedrückt die Siebwirkung) durch die Q1-Stromverstärkung vervielfacht. Ein vergleichbar kleiner Elko hat also eine große Siebwirkung. Die Rippelspannung am Ausgang wird gegenüber dem Eingang stark reduziert. In der angegebenen Dimensionierung ergaben sich maximal 4 mV im gesamten Lastbereich.

Die Rückführung der Regelung ist nach dieser Glättungsstufe, also am Ua-Ausgang, angeschlossen. Dadurch wird -Ua trotz Spannungsverlust über dem Transistor Q1 auf dem mit R3-R4 eingestellten Wert gehalten. Das hat natürlich seine Grenzen, denn der Q1-Spannungsabfall wirkt sich auf den Arbeitsbereich aus, d.h. die mögliche Stromentnahme sinkt etwas gegenüber einer Schaltung ohne Glättungsstufe. Zum Ausgleich müsste die nominale Eingangsspannung +Ub erhöht werden.

Ganz beseitigen kann man den Rippel nicht, da das geringfügige Schwanken der Ausgangsspannung für das Funktionieren der Regelung erforderlich ist. Oder anders ausgedrückt, nur wenn -Ua absinkt und wieder ansteigt, kann auch der 555-Reset aktiviert und wieder deaktiviert werden, damit im Mittel die richtige Energiemenge den Kondensator C5 erreicht.

Wollte man die negative Ausgangsspannung -Ua ganz frei vom Rippel machen und auch den Rauschpegel absenken, müsste man nach der Regelrückführung, also am Ua-Ausgang, eine zusätzliche Siebung anordnen. Das könnte mit Drossel und Elko erfolgen.

Einstellen der Ausgangsspannung

Im Bild sind für den Istwert-Spannungsteiler feste Widerstandswerte angegeben, da im praktischen Einsatz sowieso meist am Ausgang keine veränderliche Spannung nötig ist. Es kann aber auch ein Trimmer oder Poti eingesetzt werden, um die Ausgangsspannung bequem einzustellen bzw. an eine abweichende 555-Betriebsspannung anzupassen.

Die Einstellbarkeit mittels Trimmer oder Poti gilt natürlich auch für alle ähnlichen 555-Schaltungen, deren Regelung über den Reset-Eingang erfolgt.

Fazit

Die Schaltung ist noch einfacher gegenüber einer 555-Schaltung mit Spannungsverdoppler. Meist wird sowieso zur Opamp-Versorgung nur eine relativ kleine negative Spannung benötigt, um das Unvermögen mancher Opamps auszugleichen, bis an die untere Betriebsspannung aussteuern zu können. Bei unipolarer Opamp-Versorgung, also nur mit einer positiven Betriebsspannung, liegt der negative Opamp-Betriebsspannungs-Anschluss auf GND. Kleine Nutzsignale nahe GND können dann nicht linear verarbeitet werden.

Die mit dieser 555-Schaltung gewonnene Spannung von -5 V bei einer Belastungsgrenze von 28 mA mit nur 0,1 V Schwankung, wenn sich die Belastung ändert, erfüllt die meisten Anforderungen vor allem wegen der niedrigen Rippelspannung. Die zusätzliche Glättungsstufe vermeidet große Elkos und kostet (fast) nichts.

DC-Spannungswandler: Geregelte Wandler
2020 © Peter E. Burkhardt
Wandler +12V nach -5V, 60mA, Siebstufe
Höhere Eingangsspannung für größeren Laststrom

Der Unterschied zur vorangegangenen Schaltung "Wandler +10V nach -5V, 28mA" ist die höhere Eingangsspannung. Dadurch wird der Arbeitsbereich auf bis zu 60 mA hinausgeschoben (siehe rechtes Diagramm im Bild).

Der 555-Wandler ist selbstgeregelt über den 555-Reset-Eingang nach einer Veröffentlichung von Peter Williams im Jahre 1978 (Quelle siehe Info im Bild). Die Gleichrichter-Kombination (2 Dioden, 2 Elkos) liefert so maximal den zugeführten Spannungswert, allerdings abzüglich einer Dioden-Fluss-Spannung. Die aktive Siebschaltung garantiert einen sehr niedrigen Rippelwert der Ausgangsspannung.

Schaltungsbeschreibung

Der 555-AMV arbeitet in Standardschaltung mit 2 Widerständen und dem Lade-Kondensator C1. Die Regelung erfolgt über den 555-Reset-Eingang. Das Verhältnis R3 zu R4 bestimmt die Höhe der erzeugten negativen Ausgangsspannung -Ua. Ua ist aber nicht nur lastabhängig, sondern ändert sich auch linear entsprechend einer Änderung der Betriebsspannung Ub (Tracking). Deshalb sollte Ub stabilisiert sein.

Mit den Elkos C2 und C3 in Zusammenarbeit mit den Dioden D1 und D2 erfolgt eine einfache potentialgetrennte Weitergabe der Betriebsspannung +Ub. Die Polung der Dioden bestimmt, ob sich am Ausgang eine negative oder eine positive Spannung bezogen auf GND ergibt. Bei dieser Schaltung würde ohne Regelung bei +12 V Betriebsspannung eine gegenüber GND negative Spannung von -12 V entstehen. Die Fluss-Spannungen der Dioden verringern diesen Wert etwas. Schottky-Dioden sind an dieser Stelle günstiger, aber nicht unbedingt nötig, da die Ausgangsspannung sowieso auf den niedrigen Wert von -5 V geregelt wird.

Das Bild enthält alle nötigen Infos und zusätzlich die gemessenen Werte.

DC-Spannungswandler: Geregelte Wandler
2020 © Peter E. Burkhardt
Tracking

Das Diagramm mit Ua = f(Ub) (links im Bild) zeigt, dass Ua tatsächlich der Betriebsspannung Ub folgt. Durch die Einstellung der Ausgangsspannung auf -5 V erfolgt das Tracking mit einem bestimmten Faktor. Der lineare Zusammenhang geht in Richtung kleinerer Ub zunehmend verloren (siehe Diagramm).

Regelung

Wird die negative Ausgangsspannung -Ua so groß (so negativ gegen GND), dass der Knoten R3-R4 die Reset-Schwelle von +0,7 V unterschreitet, kann der 555 nicht mehr schwingen, da er rückgesetzt wird. Der 555-Ausgang bleibt auf L (low). Die Energiezufuhr zur Vervielfacherschaltung ist unterbrochen, C3 erhält keine Ladung mehr.

Wegen der Ua-Last entlädt sich C3 etwas, die negative Ua wird kleiner, d.h. sie steigt in positive Richtung. Das verschiebt den Knoten R3-R4 ebenfalls in positive Richtung, und der Reset-Eingang wird wieder positiver. Das bedeutet, Reset ist nicht mehr aktiv, der 555 kann wieder schwingen. Damit steigt die negative Spannung an C3 wieder, -Ua erreicht wieder ihren Sollwert.

Die negative Ausgangsspannung -Ua steigt aber weiter und wird so groß, dass der Knoten R3-R4 wieder die Reset-Schwelle von +0,7 V unterschreitet, d.h. der 555 wird wieder rückgesetzt, und die Energiezufuhr zur Vervielfacherschaltung wird wieder unterbrochen. Nun beginnt das Spiel neu.

Die negative Ausgangsspannung pendelt sich also auf einen Wert ein, der durch die Spannungsteilung mit R3-R4 bestimmt wird. Ist die Spannung über C3 zu groß (zu negativ gegen GND), stoppt der 555, sinkt sie zu weit ab, schwingt der 555 wieder.

Das Diagramm mit Ua = f(Ia) (rechts im Bild) bildet die Regelungseigenschaften ab. Der akzeptable Arbeitsbereich, in dem die Ausgangsspannung Ua sich nur wenig ändert, erstreckt sich bis 28 mA Laststrom. Wird der Ausgang weiter belastet, sinkt Ua gegen Null. Bei Kurzschluss (Null Ohm Lastwiderstand) fließen dann etwa 106 mA. Die Schaltung ist also ohne besondere Maßnahmen kurzschlussfest.

Restwelligkeit des Ausgangs

Die Rippelspannung der erzeugten Ausgangsspannung Ua hängt natürlich von der Generator-Frequenz fo ab, schaltungstechnisch aber vor allem von der Kapazität des am Ausgang parallel liegenden Elkos C3. In dieser Schaltung wurde eine aktive Glättungsstufe mit dem pnp-Tansistor Q1 nachgeschaltet. Die Eingangsspannung am Q1-Kollektor erscheint abzüglich der Q1-Basis-Emitter-Spannung am Q1-Emitter. Da die Q1-Basis über einen Elko mit GND verbunden ist, wird die Glättungswirkung (anders ausgedrückt die Siebwirkung) durch die Q1-Stromverstärkung vervielfacht. Ein vergleichbar kleiner Elko hat also eine große Siebwirkung. Die Rippelspannung am Ausgang wird gegenüber dem Eingang stark reduziert. In der angegebenen Dimensionierung ergaben sich maximal 8 mV im gesamten Lastbereich.

Die Rückführung der Regelung ist nach dieser Glättungsstufe, also am Ua-Ausgang, angeschlossen. Dadurch wird -Ua trotz Spannungsverlust über dem Transistor Q1 auf dem mit R3-R4 eingestellten Wert gehalten. Das hat natürlich seine Grenzen, denn der Q1-Spannungsabfall wirkt sich auf den Arbeitsbereich aus, d.h. die mögliche Stromentnahme sinkt etwas gegenüber einer Schaltung ohne Siebstufe. Zum Ausgleich ist die nominale Eingangsspannung +Ub auf 12 V erhöht gegenüber 10 V bei einer Schaltung ohne Siebstufe.

Ganz beseitigen kann man den Rippel nicht, da das geringfügige Schwanken der Ausgangsspannung für das Funktionieren der Regelung erforderlich ist. Oder anders ausgedrückt, nur wenn -Ua absinkt und wieder ansteigt, kann auch der 555-Reset aktiviert und wieder deaktiviert werden, damit im Mittel die richtige Energiemenge den Kondensator C5 erreicht.

Wollte man die negative Ausgangsspannung -Ua ganz frei vom Rippel machen und auch den Rauschpegel absenken, müsste man nach der Regelrückführung, also am Ua-Ausgang, eine zusätzliche Siebung anordnen. Das könnte mit Drossel und Elko erfolgen.

Einstellen der Ausgangsspannung

Im Bild sind für den Istwert-Spannungsteiler feste Widerstandswerte angegeben, da im praktischen Einsatz sowieso meist am Ausgang keine veränderliche Spannung nötig ist. Es kann aber auch ein Trimmer oder Poti eingesetzt werden, um die Ausgangsspannung bequem einzustellen bzw. an eine abweichende 555-Betriebsspannung anzupassen.

Die Einstellbarkeit mittels Trimmer oder Poti gilt natürlich auch für alle ähnlichen 555-Schaltungen, deren Regelung über den Reset-Eingang erfolgt.

DC-Spannungswandler: Geregelte Wandler
2020 © Peter E. Burkhardt
Fazit

Die Schaltung ist einfacher gegenüber einer 555-Schaltung mit Spannungsverdoppler (4 Dioden, 4 Elkos). Meist wird sowieso zur Opamp-Versorgung nur eine relativ kleine negative Spannung benötigt, um das Unvermögen mancher Opamps auszugleichen, bis an die untere Betriebsspannung aussteuern zu können. Bei unipolarer Opamp-Versorgung, also nur mit einer positiven Betriebsspannung, liegt der negative Opamp-Betriebsspannungs-Anschluss auf GND. Kleine Nutzsignale nahe GND können dann nicht linear verarbeitet werden.

Die mit dieser 555-Schaltung gewonnene Spannung von -5 V bei einer Belastungsgrenze von 60 mA mit nur 0,1 V Schwankung, wenn sich die Belastung maximal ändert, erfüllt die meisten Anforderungen vor allem wegen der niedrigen Rippelspannung. Die zusätzliche Glättungsstufe vermeidet große Elkos und kostet (fast) nichts. Allerdings sind für -5 V am Ausgang nominal +12 V am Eingang nötig, wenn der gesamte Laststrombereich genutzt werden soll.

Die Rippelspannung ist nicht größer als 8 mV im gesamten Bereich bis 60 mA. Der Kurzschluss-Strom betrug 120 mA. Infolgedessen reicht ein 150mA-Transistor in der Glättungsstufe gerade noch aus. Sicherheitshalber könnte man auch einen 500mA-Typ nehmen.

Natürlich musste der Spannungsteiler R3-R4 angepasst werden.

DC-Spannungswandler: Geregelte Wandler
2020 © Peter E. Burkhardt

Geregelte Wandler über 555-Threshold-Eingang

Auch über die 555-Pins 2 und 6 kann die AMV-Impulsfolge des 555 so beeinflusst werden, dass sich eine nahezu belastungsunabhängige Ausgangsspannung des Wandlers ergibt. Ähnlich der 555-Wandlerschaltungen mit Regelung über den Reset-Eingang wird in den hier beschriebenen Schaltungen die Ausgangsspannung auf den 555-Threshold-Eingang zurückgeführt, um damit die Ausgangsspannung möglichst konstant zu halten.

Wandler +10V nach -5V, 40mA, Treiber

Der folgende selbstgeregelte 555-Wandler ist durch den pnp-Transistor am 555-Threshold-Eingang gekennzeichnet. Mit der rückgeführten Ausgangsspannung erfolgt über diesen Transistor eine Beeinflussung von Frequenz und Tastgrad der AMV-Impulse, um so die negative Ausgangsspannung auch bei Laständerung konstant zu halten.

Eigenschaften
Schaltungsbeschreibung
Tastgrad 0,5

Die RC-Kombination des 555-AMV besteht nur aus einem Widerstand R1, der sich seine Spannung vom 555-Ausgang Pin 3 holt, und aus dem frequenzbestimmenden Kondensator C1. Führt der 555-Ausgang ein H (high), lädt sich C1 über R1 bis zur oberen 555-Schwelle auf. Dann schaltet das 555-FF den Ausgang auf L (low) um, und C1 kann sich über R1 wieder entladen. Da Lade- und Entladevorgang über den gleichen Widerstand erfolgen, ergeben sich für die Ausgangsimpulsfolge gleiche H- und L-Zeiten.

Da der 555 insbesondere bei H-Belastung am Ausgang nicht ganz die 555-Betriebspannung erreicht, ist R2 eingefügt. R2 verbessert den H-Pegel. Es wird nahezu ein Tastgrad von 0,5 erreicht. Bei der 555-CMOS-Ausführung ist R2 nicht erforderlich. Der CMOS-555 liefert grundsätzlich H- und L-Pegel nahe an den Betriebsspannungsgrenzen.

DC-Spannungswandler: Geregelte Wandler
2020 © Peter E. Burkhardt

Mit den Elkos C2 und C3 in Zusammenarbeit mit den Dioden D1 und D2 erfolgt eine einfache potentialgetrennte Weitergabe der Betriebsspannung +Ub. Die Polung der Dioden bestimmt, ob sich am Ausgang eine negative oder eine positive Spannung bezogen auf GND ergibt. Bei dieser Schaltung würde ohne Regelung bei +10 V Betriebsspannung eine gegenüber GND negative Spannung von -10 V entstehen. Die Fluss-Spannungen der Dioden verringern diesen Wert etwas. Schottky-Dioden sind an dieser Stelle günstiger, aber nicht nötig, da die Ausgangsspannung sowieso auf den niedrigen Wert von -5 V geregelt wird.

Das Bild enthält alle nötigen Infos und zusätzlich die gemessenen Werte.

Treiberstufe

Damit die negative Ausgangsspannung -Ua höher belastet werden kann, wurde die Treiberstufe mit den Transistoren Q1 und Q2 eingefügt. Der 555-Ausgang muss jetzt nur den Basisstrom liefern und wird dementsprechend entlastet. Bei hohem Ausgangsstrom an -Ua ist die Impulsbelastung für die Umladung der Elkos C2 und C3 relativ groß. Ist kein Treiber vorhanden, bringen die Spitzenströme den 555-Ausgang schnell an die Grenze seiner 200mA-Leistungsfähigkeit.

Auch die Transistoren der Treiberstufe sollten hohe Impulsströme aushalten. Es wurden 800mA-Typen verwendet. Die Verlustleistung hält sich in Grenzen, da Q1 und Q2 im Schaltbetrieb arbeiten. Beim nominalen Maximalstrom am Ausgang erwärmen sich Q1 und Q2 aber schon merklich. Wird längere Zeit ein hoher Strom am Ausgang gefordert, sollte man Transistoren nehmen, die gekühlt werden können.

Tracking

Das Diagramm mit Ua = f(Ub) (links im Bild) zeigt, dass Ua der Betriebsspannung Ub folgt. Durch die Einstellung der Ausgangsspannung auf -5 V erfolgt das Tracking mit einem bestimmten Faktor. Der lineare Zusammenhang geht in Richtung kleinerer Ub zunehmend verloren (siehe Diagramm).

Regelung

Der am VR1-Schleifer verfügbare Ua-Istwert steuert über den Basiswiderstand R6 den pnp-Transistor so an, dass die 555-Ausgangsimpulsfolge der Ausgangsspannungsschwankung an -Ua entgegenwirkt.

Wird die negative Ausgangsspannung -Ua so groß (so negativ gegen GND), dass der Knoten R3-VR1-R4 die Q1-Basis-Emitter-Schwelle von +0,6 V erreicht, wird Q1 durchgesteuert und senkt somit den Threshold-Pegel ab. Das bedeutet, der 555 schwingt auf einer höeren Frequenz und ändert das Tastverhältnis der Ausgangsimpulsfolge in der Weise, dass sich letztendlich am Elko C3 eine geringere Energiemenge ergibt. C3 erhält weniger Ladung und die Ausgangsspannung sinkt (-Ua wird kleiner).

Wird die negative Ua kleiner, d.h. steigt sie in positive Richtung, verschiebt sich die Spannung am VR1-Schleifer ebenfalls in positive Richtung, und Q1 wird zunehmend wieder zugesteuert. Das bedeutet, der Einfluss des Transistors auf die 555-Schaltschwelle verringert sich und der 555 liefert über seine steigende Ausgangsspannung wieder mehr Energie an die Gleichrichterschaltung. Das bedeutet, die Spannung über C3 wird wieder negativer. Die Ausgangsspannung -Ua erreicht wieder ihren Sollwert.

Die negative Ausgangsspannung pendelt sich also auf einen Wert ein, der durch die Spannungsteilung mit R3-VR1-R4 bestimmt wird. Ist die Spannung über C3 zu groß (zu negativ gegen GND), stoppt der 555, sinkt sie zu weit ab, schwingt der 555 wieder.

Das Diagramm mit Ua = f(Ia) (rechts im Bild) bildet die Regelungseigenschaften ab. Der akzeptable Arbeitsbereich, in dem die Ausgangsspannung Ua sich nur wenig ändert, erstreckt sich bis 40 mA Laststrom. Dazu ist eine eine Eingangsspannung von 10 V nötig. Wird der Ausgang weiter belastet, sinkt Ua gegen Null. Bei Kurzschluss (Null Ohm Lastwiderstand) fließen dann etwa 150 mA. Die Schaltung ist also ohne besondere Maßnahmen kurzschlussfest.

Restwelligkeit des Ausgangs

Die Rippelspannung der erzeugten Ausgangsspannung Ua hängt vor allem von der Kapazität des am Ausgang parallel liegenden Elkos C3 ab. Es ergaben sich maximal 50 mV.

Einstellen der Ausgangsspannung

Die negative Ausgangsspannung kann mit dem Trimmer VR1 recht feinfühlig eingestellt werden. Sollte die gewollte Ausgangsspannung nicht im Einstellbereich liegen, müssen R4 und/oder R5 verändert werden.

Fazit

Auch diese Art der Regelung des 555 zur Stabilisierung der Ausgangsspannung ist möglich. Die Ansteuerung über den 555-Threshold-Eingang erreicht aber nicht ganz die Stabilisierungswirkung, die bei Ansteuerung über den 555-Reset-Eingang erzielt wird. Allerdings wurde die Schaltung noch nicht optimiert.

DC-Spannungswandler: Geregelte Wandler
2020 © Peter E. Burkhardt
Wandler +12V nach -5V, 70mA, Treiber

Der folgende selbstgeregelte 555-Wandler ist durch den pnp-Transistor am 555-Threshold-Eingang gekennzeichnet. Mit der rückgeführten Ausgangsspannung erfolgt über diesen Transistor eine Beeinflussung von Frequenz und Tastgrad der AMV-Impulse, um so die negative Ausgangsspannung auch bei Laständerung konstant zu halten.

Eigenschaften
Schaltungsbeschreibung
Tastgrad 0,5

Die RC-Kombination des 555-AMV besteht nur aus einem Widerstand R1, der sich seine Spannung vom 555-Ausgang Pin 3 holt, und aus dem frequenzbestimmenden Kondensator C1. Führt der 555-Ausgang ein H (high), lädt sich C1 über R1 bis zur oberen 555-Schwelle auf. Dann schaltet das 555-FF den Ausgang auf L (low) um, und C1 kann sich über R1 wieder entladen. Da Lade- und Entladevorgang über den gleichen Widerstand erfolgen, ergeben sich für die Ausgangsimpulsfolge gleiche H- und L-Zeiten.

Da der 555 insbesondere bei H-Belastung am Ausgang nicht ganz die 555-Betriebspannung erreicht, ist R2 eingefügt. R2 verbessert den H-Pegel. Es wird nahezu ein Tastgrad von 0,5 erreicht. Bei der 555-CMOS-Ausführung ist R2 nicht erforderlich. Der CMOS-555 liefert grundsätzlich H- und L-Pegel nahe an den Betriebsspannungsgrenzen.

DC-Spannungswandler: Geregelte Wandler
2020 © Peter E. Burkhardt

Mit den Elkos C2 und C3 in Zusammenarbeit mit den Dioden D1 und D2 erfolgt eine einfache potentialgetrennte Weitergabe der Betriebsspannung +Ub. Die Polung der Dioden bestimmt, ob sich am Ausgang eine negative oder eine positive Spannung bezogen auf GND ergibt. Bei dieser Schaltung würde ohne Regelung bei +10 V Betriebsspannung eine gegenüber GND negative Spannung von -10 V entstehen. Die Fluss-Spannungen der Dioden verringern diesen Wert etwas. Schottky-Dioden sind an dieser Stelle günstiger, aber nicht nötig, da die Ausgangsspannung sowieso auf den niedrigen Wert von -5 V geregelt wird.

Das Bild enthält alle nötigen Infos und zusätzlich die gemessenen Werte.

Treiberstufe

Damit die negative Ausgangsspannung -Ua höher belastet werden kann, wurde die Treiberstufe mit den Transistoren Q1 und Q2 eingefügt. Der 555-Ausgang muss jetzt nur den Basisstrom liefern und wird dementsprechend entlastet. Bei hohem Ausgangsstrom an -Ua ist die Impulsbelastung für die Umladung der Elkos C2 und C3 relativ groß. Ist kein Treiber vorhanden, bringen die Spitzenströme den 555-Ausgang schnell an die Grenze seiner 200mA-Leistungsfähigkeit.

Auch die Transistoren der Treiberstufe sollten hohe Impulsströme aushalten. Es wurden 800mA-Typen verwendet. Die Verlustleistung hält sich in Grenzen, da Q1 und Q2 im Schaltbetrieb arbeiten. Beim nominalen Maximalstrom am Ausgang erwärmen sich Q1 und Q2 aber schon merklich. Wird längere Zeit ein hoher Strom am Ausgang gefordert, sollte man Transistoren nehmen, die gekühlt werden können.

Tracking

Die Ausgangsspannung folgt in einem bestimmten Verhältnis einer Eingangsspannungsänderung. Die 555-Betriebsspannung Ub sollte deshalb stabilisiert sein.

Regelung

Der am VR1-Schleifer verfügbare Ua-Istwert steuert über den Basiswiderstand R6 den pnp-Transistor so an, dass die 555-Ausgangsimpulsfolge der Ausgangsspannungsschwankung an -Ua entgegenwirkt.

Wird die negative Ausgangsspannung -Ua so groß (so negativ gegen GND), dass der Knoten R3-VR1-R4 die Q1-Basis-Emitter-Schwelle von +0,6 V erreicht, wird Q1 durchgesteuert und senkt somit den Threshold-Pegel ab. Das bedeutet, der 555 schwingt auf einer höeren Frequenz und ändert das Tastverhältnis der Ausgangsimpulsfolge in der Weise, dass sich letztendlich am Elko C3 eine geringere Energiemenge ergibt. C3 erhält weniger Ladung und die Ausgangsspannung sinkt (-Ua wird kleiner).

Wird die negative Ua kleiner, d.h. steigt sie in positive Richtung, verschiebt sich die Spannung am VR1-Schleifer ebenfalls in positive Richtung, und Q1 wird zunehmend wieder zugesteuert. Das bedeutet, der Einfluss des Transistors auf die 555-Schaltschwelle verringert sich und der 555 liefert über seine steigende Ausgangsspannung wieder mehr Energie an die Gleichrichterschaltung. Das bedeutet, die Spannung über C3 wird wieder negativer. Die Ausgangsspannung -Ua erreicht wieder ihren Sollwert.

Die negative Ausgangsspannung pendelt sich also auf einen Wert ein, der durch die Spannungsteilung mit R3-VR1-R4 bestimmt wird. Ist die Spannung über C3 zu groß (zu negativ gegen GND), stoppt der 555, sinkt sie zu weit ab, schwingt der 555 wieder.

Das Diagramm mit Ua = f(Ia) (siehe Bild) bildet die Regelungseigenschaften ab. Der akzeptable Arbeitsbereich, in dem die Ausgangsspannung Ua sich nur wenig ändert, erstreckt sich bis 40 mA Laststrom. Dazu ist eine eine Eingangsspannung von 10 V nötig. Wird der Ausgang weiter belastet, sinkt Ua gegen Null. Bei Kurzschluss (Null Ohm Lastwiderstand) fließen dann etwa 150 mA. Die Schaltung ist also ohne besondere Maßnahmen kurzschlussfest.

Restwelligkeit des Ausgangs

Die Rippelspannung der erzeugten Ausgangsspannung Ua hängt vor allem von der Kapazität des am Ausgang parallel liegenden Elkos C3 ab. Es ergaben sich maximal 50 mV.

Einstellen der Ausgangsspannung

Die negative Ausgangsspannung kann mit dem Trimmer VR1 recht feinfühlig eingestellt werden. Sollte die gewollte Ausgangsspannung nicht im Einstellbereich liegen, müssen R4 und/oder R5 verändert werden.

Fazit

Auch diese Art der Regelung des 555 zur Stabilisierung der Ausgangsspannung ist möglich. Die Ansteuerung über den 555-Threshold-Eingang erreicht aber nicht ganz die Stabilisierungswirkung, die bei Ansteuerung über den 555-Reset-Eingang erzielt wird. Allerdings wurde die Schaltung noch nicht optimiert.

DC-Spannungswandler: Geregelter Wandler +15V nach -5V
2013-05 © Peter E. Burkhardt
Wandler +15V nach -5V, 77mA, Treiber, stabilisiert, Siebstufe

Dieser Wandler ist geregelt und war bei mir schon in 2013 im Test. In Abhängigkeit von der Ausgangsspannung werden Tastgrad und Frequenz des 555-AMV so verändert, dass sich auch bei wechselnder Last eine nahezu konstante Ausgangsspannung ergibt. Die Regelung erfolgt über den Threshold-Eingang des 555.

Eigenschaften
Schaltungsteile
Schaltungsbeschreibung

Die vergleichsweise guten Regeleigenschaften des Wandlers basieren auf einigen Besonderheiten.

555-AMV (IC1)

Ohne Q1-Stelltransistor und mit Brücke Pin 7-2 liefert der AMV am Ausgang Pin 3 ca. 28 kHz mit langer H-Zeit und sehr kurzer L-Zeit. Das kann zum Test des 555-AMV genutzt werden, ohne dass dabei die anderen Schaltungsteile (Gleichrichter, Siebstufe, Z-Diode, Stelltransistor) funktionieren müssen.

Ist alles wie im Bild angeschlossen, wird über Stelltransistor Q1 die C1-Entladung solange hinausgezögert, bis die Ausgangsspannung Ua unter 5,0 V absinkt. Erst dann wird C1 über R3-Q1 bis zur unteren 555-Schwelle (1/3 von Ub) entladen. Nun beginnt ein neuer Ladezyklus, d.h. der 555-Ausgang liefert H und damit über Treiber Q4 neue Energie für den Gleichrichter.

DC-Spannungswandler: Geregelter Wandler +15V nach -5V
2013-05 © Peter E. Burkhardt
Treiber mit Q4-Q5

Durch den Treiber können auch CMOS-555 eingesetzt werden, ohne dass eine Schaltungsänderung nötig wäre. Die Treibertransistoren sollten auf je einem kleinen Kühlblech montiert sein, insbesondere, wenn ein höherer Ausgangsstrom gefordert wird.

Für Q4 und Q5 können auch Kleinleistungs-Transistoren ausreichen, wenn nur wenige mA entnommen werden. Die angegebenen Transistoren wurden vor allem wegen der Impulsbelastung bei Maximalstrom ausgewählt.

Der entnehmbare Maximalstrom ist beim CMOS-555 etwas höher als beim bipolaren 555. H- und L-Pegel des 555-CMOS-Ausgangs sind nahezu identisch mit +Ub und GND. Dadurch werden die Treibertransistoren Q4 und Q5 sauber durchgesteuert, C2 kann sich bis nahezu +Ub (abzüglich Q4-Basis-Emitter-Spannung) aufladen, d.h. +Ub wird bestmöglich genutzt. Beim bipolaren 555 ist dagegen der 555-Ausgangs-H-Pegel um ca. 2 V niedriger als +Ub (lastabhängig), so dass C2 nicht so weit aufgeladen werden kann. Das wirkt sich dann negativ auf den maximal entnehmbaren Strom am -5V-Ausgang aus.

Gleichrichter

C2, D2-D3 und C3 bilden die Gleichrichterschaltung. Über C3 steht die negative Ausgangsspannung. Diese Spannung enthält allerdings normalerweise ca. 100 mVac. Dieser Wechselspannungsanteil wird durch die Regelung verursacht. Für eine möglichst saubere Ausgangsspannung wurde deshalb eine aktive Siebstufe hinzugefügt.

Aktive Siebstufe mit Transistor Q6

Die Wirksamkeit des Sieb-Cs C4 wird um die Q6-Stromverstärkung erhöht. C3 und C4 können deshalb relativ klein sein. Trotzdem ergibt sich eine sehr geringe Welligkeit der negativen Ausgangsspannung. C5 verhindert Schwingen der gesamten Schaltung in ungünstigen Belastungs-Situationen, R11 ist eine Grundlast und dient dem gleichen Zweck.

Erst nach dieser Siebstufe ist die Istwert-Rückführung angeschlossen, so dass sich insgesamt gute Regeleigenschaften ergeben.

Z-Dioden-Nachbildung (Q2, Q3, R4 bis R8)

Die mit Transistoren realisierte Z-Diode hat nicht nur den Vorteil, dass die Z-Spannung (und damit die Ausgangspannung Ua) einstellbar ist. Q2 und Q3 inkl. Beschaltung bewirken durch die Verstärkung der Transistoren einen wesentlich schärferen Z-Dioden-Knick. Die Kombination wird nahezu schlagartig leitend, sobald die mit VR4 eingestellte Z-Spannung erreicht ist. Deshalb muss auch VR4 ein Mehrgang-Poti sein, um eine feinfühlige Ua-Einstellung zu ermöglichen. VR4 und R5 können ggf. angepasst werden, der Gesamtwert sollte aber bei ca. 10 kΩ bis maximal 100 kΩ liegen.

Die Z-Dioden-Nachbildung trägt wesentlich dazu bei, dass die Regel-Ungenauigkeit der gesamten Schaltung bei max. 0,2 % liegt. Mit einer normalen Z-Diode werden im günstigsten Falle nur 1,5 % erreicht.

Stelltransistor Q1

Q1 hat die Aufgabe, bei gesperrter Z-Diode (Q2 gesperrt) das regelmäßige C1-Entladen zu sichern. Während der AMV schwingt, erhält die Gleichrichterschaltung Energie und der Ausgang liefert Strom (Ua steigt). Damit C1 bis auf weniger als die untere 555-Schwelle (1/3 von Ub) entladen werden kann, muss R1 mehr als doppelt so groß als R3 sein. Ist R1 mit 10 kΩ vorgegeben, muss R3 kleiner als 5 kΩ sein, da die Kollektor-Emitter-Restspannungen von Q1 und dem 555-Qdis zusätzlich zu berücksichtigen sind. Ist R1 zu groß, wird die 1/3-Schwelle nicht unterschritten, der 555 schwingt nicht.

Andererseits darf R3 nicht zu klein sein, da sonst der Tastgrad für maximalen Ausgangsstrom zu ungünstig wird. Idealerweise sollte der Tastgrad für maximalen Ausgangsstrom bei gegebener Betriebsspannung bei 0,5 liegen. In diesem Fall liefert die Gleichrichterschaltung die meiste Energie an den Ausgang. Der angegebene R3-Wert ist günstig, ggf. ist eine geringfügige Anpassung nötig.

Sobald Ua geringfügig größer als 5,0 V ist, wird die Z-Diode leitend (Q2 leitet) und Q1 sperrt. Somit wird das C1-Entladen verhindert und der 555 beginnt später mit seinem Schwing-Zyklus oder setzt bei geringer Ua-Last sogar kurzzeitig aus. Ua sinkt wieder, usw.

Wirkung der Regelung

Sind -5,0 V am Ausgang erreicht, sperrt Stelltransistor Q1, da die Z-Diode leitet und den über R2 kommenden Strom der Q1-Basis entzieht. Solange Q1 sperrt, bleibt C1 geladen und der 555-Ausgang verharrt auf H-Potential. Das bedeutet, der 555 stoppt, die Gleichrichterschaltung bekommt keine Energie.

Erst wenn Ua weniger als -5,0 V wird (wegen R11 und RL), erhält Q1 Basisstrom. Q1 entlädt nun C1, ein neuer 555-Zyklus beginnt. Damit liefert der 555 wieder Energie an die Gleichrichterschaltung, -Ua kann wieder steigen.

Sind -5,0 V erreicht, beginnt das Spiel von vorn. Ua pendelt also geringfügig um den eingestellten Wert von 5,00 V. Wie groß dieses Pendeln um den Sollwert ist, wird von der Regelverstärkung der gesamten Anordnung bestimmt. Die Ua-Welligkeit war nicht größer als 2 mVac (inkl. Rauschen).

DC-Spannungswandler: Geregelter Wandler +15V nach -5V
2013-05 © Peter E. Burkhardt
Ausgangsstrom -Ia und Betriebsspannung Ub

Die Tabelle im Bild enthält einige Messwerte bei Einsatz des bippolaren 555. Bei 15 V sind mit Sicherheit 70 mA entnehmbar (80 mA beim CMOS-555). Bei 10 V sind es nur noch 7 mA. Damit sind die Grenzen der Schaltung abgesteckt. Ub sollte zumindest vorstabilisiert sein, wenn die jeweilige Belastungsgrenze genutzt wird. Generell bestimmt aber die Z-Spannung den Ua-Wert. Sie ist nahezu unabhängig von Ub.

Die Schaltung ist kurzschlussfest, da Ua bei zu hohem Strom zusammenbricht.

Fazit

Mit etwas mehr Aufwand lässt sich auch mit dem 555 eine gut stabilisierte negative Spannung erzeugen. Eine nachgeschaltete Regelschaltung, die den Wirkungsgrad weiter verschlechtern würde, ist nicht erforderlich.

DC-Spannungswandler: Geregelter Wandler +10V nach -5V
2022-03 © Peter E. Burkhardt
Wandler +10V nach -5V, 35mA, Treiber, stabilisiert mit Z-Diode

Dieser selbstgeregelte Wandler ist ähnlich der vorigen Schaltung mit einer Z-Diode stabilisiert. Im Vergleich zur vorigen Schaltung mit der einstellbaren Z-Dioden-Nachbildung mittels npn-Transistoren ist diese Schaltung mit einer Z-Diode ausgestattet. Dadurch entfällt natürlich die Einstellbarkeit der Ausgangsspannung. Die Z-Spannung bestimmt direkt die negative Ausgangsspannung. Tastgrad und Frequenz des 555-AMV werden so verändert, dass sich auch bei wechselnder Last eine nahezu konstante Ausgangsspannung ergibt. Die Regelung erfolgt über den Threshold-Eingang des 555.

Eigenschaften
Schaltungsteile
Schaltungsbeschreibung

Die vergleichsweise guten Regeleigenschaften des Wandlers ergeben sich trotz der einfachen Z-Dioden-Regelung. Mit einer Z5.6 ergab sich eine Ausgangsspannung von ca. 4,95 V, die bis zur Belastung von 35 mA nahezu konstant blieb. Die Messung erfolgte bei einer Betriebsspannung Ub von 10 V. Mit höherer Ub kann die Belastungsfähigkeit der negativen Ausgangsspannung vergrößert werden, ohne dass sich die Regeleigenschaften verschlechtern.

DC-Spannungswandler: Geregelter Wandler +10V nach -5V
2022-03 © Peter E. Burkhardt
555-AMV (IC1)

Der 555 arbeitet ohne Stelltransistor Q3 als normaler AMV. Durch Q3 wird die C1-Entladung solange hinausgezögert, bis die Ausgangsspannung Ua unter 5,0 V absinkt. Erst dann wird C1 über R3-Q3 bis zur unteren 555-Schwelle (1/3 von Ub) entladen. Nun beginnt ein neuer Ladezyklus, d.h. der 555-Ausgang liefert H und damit über Treiber Q1 (Emitterfolger) neue Energie für den Gleichrichter.

Der Pullup-Widerstand R5 verbessert den H-Pegel des 555-Ausgangs, so dass Q1 bis nahe der Betriebsspannung Ub durchgesteuert werden kann. Die Wirkung von R5 ist in der Grundlagenbeschreibung zum 555 ("555-Ausgang, Belastbarkeit") mittels Diagramm verdeutlicht. Beim CMOS-555 ist R5 nicht nötig.

Treiber mit Q1-Q2

Durch den Treiber können auch CMOS-555 eingesetzt werden, ohne dass eine Schaltungsänderung nötig wäre. Die Treibertransistoren müssen nicht gekühlt werden.

Für Q1 und Q2 können auch Kleinleistungs-Transistoren mit einem maximalen Kollektorstrom von 150 mA eingesetzt werden, wenn nur wenige mA entnommen werden. Die angegebenen Transistoren wurden vor allem wegen der Impulsbelastung bei Maximalstrom ausgewählt.

Gleichrichter

C2, D1-D2 und C3 bilden die Gleichrichterschaltung. Über C3 steht die negative Ausgangsspannung. Die Größe von C2 reicht für die zu übertragende Ladungsmenge vollkommen aus. Für den Ausgangskondensator C3 ist allerdings ein Wert von wenigstens 470 uF, besser 1000 uF, erforderlich, damit die für die Regelung nötige Restwelligkeit am Ausgang nicht zu hoch ist. Gemessen wurden im angegebenen Lastbereich ca. 10 bis 20 mV. Dies ist ein Wert, der bei Versorgung z.B. eines Opamp überhaupt nicht stört. Die sogenannte Betriebsspannungs-Unterdrückung des Opamp lässt den geringen AC-Anteil nicht wirksam werden. Bei Audio-Schaltungen ist allerdings Vorsicht geboten. Ein zusätzliches Siebglied (L und C oder R und C) am Ausgang der Wandlerschaltung sollte dann vorgesehen werden.

Z-Diode ZD1

Der Einsatz einer Z-Diode in der Istwert-Rückführung zur Steuerung des Transistors Q3 ist schaltungstechnisch einfach, hat aber den Nachteil, die negative Ausgangsspannung nicht einstellen zu können. Mit einer Z5.6 egab sich nahezu perfekt der Ausgangswert von -5 V. Zur festen Z-Spannung addiert sich die Ube des Transistors Q3. Allerdings ändert sich die gesamte Vergleichsspannung von ca. 5,6 V mit der Temperatur. Die resultierende Ausgangsspannungs-Änderung im Anwendungsfall als negative Opamp-Versorgungsspannung spielt aber keine Rolle.

Erstaunlicherweise brachte die einzelne Z-Diode eine ähnlich gute Regelgenauigkeit wie die einstellbare Z-Dioden-Nachbildung der weiter oben beschriebenen Schaltung. Näheres ist aus den Diagrammen im Schaltbild ersichtlich.

Stelltransistor Q3

Transistor Q3 hat die Aufgabe, bei gesperrter Z-Diode (Q2 gesperrt) das regelmäßige C1-Entladen zu sichern. Während der AMV schwingt, erhält die Gleichrichterschaltung Energie und der Ausgang liefert Strom (Ua steigt). Damit C1 bis auf weniger als die untere 555-Schwelle (1/3 von Ub) entladen werden kann, muss R1 mehr als doppelt so groß als R3 sein. Ist R1 mit 10 kΩ vorgegeben, muss R3 kleiner als 5 kΩ sein, da die Kollektor-Emitter-Restspannungen von Q3 und dem 555-Qdis zusätzlich zu berücksichtigen sind. Ist R1 zu groß, wird die 1/3-Schwelle nicht unterschritten, der 555 schwingt nicht.

Andererseits darf R3 nicht zu klein sein, da sonst der Tastgrad für maximalen Ausgangsstrom zu ungünstig wird. Idealerweise sollte der Tastgrad für maximalen Ausgangsstrom bei gegebener Betriebsspannung bei 0,5 liegen. In diesem Fall liefert die Gleichrichterschaltung die meiste Energie an den Ausgang. Der angegebene R3-Wert ist günstig, ggf. ist eine geringfügige Anpassung nötig.

Sobald die negative Ua geringfügig größer als 5,0 V ist, wird die Z-Diode leitend und Q3 sperrt. Somit wird das C1-Entladen verhindert und der 555 beginnt später mit seinem Schwing-Zyklus oder setzt bei geringer Ua-Last sogar kurzzeitig aus.

Wirkung der Regelung

Sind -5,0 V am Ausgang erreicht, sperrt Stelltransistor Q3, da die Z-Diode leitet und den über R2 kommenden Strom der Q3-Basis entzieht. Solange Q3 sperrt, bleibt C1 geladen und der 555-Ausgang verharrt auf H-Potential. Das bedeutet, der 555 stoppt, die Gleichrichterschaltung bekommt keine Energie.

Erst wenn Ua weniger als -5,0 V wird (wegen RL), erhält Q3 Basisstrom. Q3 entlädt nun C1, ein neuer 555-Zyklus beginnt. Damit liefert der 555 wieder Energie an die Gleichrichterschaltung, -Ua kann wieder steigen.

Sind -5,0 V erreicht, beginnt das Spiel von vorn. Ua pendelt also geringfügig um den Nominalwert von 5,00 V. Wie groß dieses Pendeln um den Sollwert ist, wird von der Regelverstärkung der gesamten Anordnung bestimmt. Die Ua-Welligkeit war bei 20 mA Ausgangsstrom ca. 10 mVac.

DC-Spannungswandler: Geregelter Wandler +10V nach -5V
2022-03 © Peter E. Burkhardt
Ausgangsstrom -Ia und Betriebsspannung Ub

Das rechte Diagramm im Schaltbild enthält einige Ua-Messwerte in Abhängigkeit vom Ausgangsstrom Ia. Dabei wurde Ub mit 10,0 V konstant gehalten. Erst bei einer Last größer als 35 mA begann Ua zu sinken. Das reicht für die Versorgung einiger Opamps spielend aus. Ub sollte vorstabilisiert sein. Generell bestimmt die Z-Spannung den Ua-Wert. Sie ist nahezu unabhängig von Ub.

Das linke Diagramm im Schaltbild enthält einige Ua-Messwerte in Abhängigkeit von der Betriebsspannung Ub. Dabei wurde der Ausgangsstrom Ia mit 20 mA konstant gehalten. Schon ab Ub = 9 V bleibt die Ausgangsspannung Ua nahezu konstant.

Die Schaltung ist kurzschlussfest, da Ua bei zu hohem Strom zusammenbricht.

Fazit

Die Schaltung mit einer einfachen Z-Diode ist trotz der guten Stabilisierung der negativen Ausgangsspannung relativ einfach. Allerdings muss eine passende Z-Diode eingesetzt werden, wenn eine bestimmte Spannung am Ausgang erwartet wird. Bei der Opamp-Versorgung hat die Höhe der negativen Versorgungsspannung meist keinen signifikanten Einfluss auf die Anwendungsschaltung.

DC-Spannungswandler: Geregelter Wandler +10V nach -5V
2022-03 © Peter E. Burkhardt
Wandler +10V nach -5V, 40mA, CMOS-555, Treiber, stabilisiert mit Z-Diode

Dieser selbstgeregelte Wandler mit Z-Dioden-Stabilisierung ist mit einem CMOS-555 ausgestattet. Nahezu alle anderen Bauelemente entsprechen der vorigen Wandlerschaltung mit bipolarem 555. Auch hier bestimmt die Z-Spannung direkt die negative Ausgangsspannung. Tastgrad und Frequenz des C555-AMV werden so verändert, dass sich auch bei wechselnder Last eine nahezu konstante Ausgangsspannung ergibt. Die Regelung erfolgt über den Treshold-Eingang des C555.

Eigenschaften
Schaltungsteile
Schaltungsbeschreibung

Die vergleichsweise guten Regeleigenschaften des Wandlers ergeben sich trotz der einfachen Z-Dioden-Regelung. Mit einer Z5.6 ergab sich eine Ausgangsspannung von ca. 4,96 V, die bis zur Belastung von 40 mA nahezu konstant blieb. Die Messung erfolgte bei einer Betriebsspannung Ub von 10 V. Mit höherer Ub kann die Belastungsfähigkeit der negativen Ausgangsspannung vergrößert werden, ohne dass sich die Regeleigenschaften verschlechtern.

DC-Spannungswandler: Geregelter Wandler +10V nach -5V
2022-03 © Peter E. Burkhardt
C555-AMV (IC1)

Der C555 arbeitet ohne Stelltransistor Q3 als normaler AMV. Durch Q3 wird die C1-Entladung solange hinausgezögert, bis die Ausgangsspannung Ua unter 5,0 V absinkt. Erst dann wird C1 über R3-Q3 bis zur unteren C555-Schwelle (1/3 von Ub) entladen. Nun beginnt ein neuer Ladezyklus, d.h. der C555-Ausgang liefert H und damit über Treiber Q1 (Emitterfolger) neue Energie für den Gleichrichter.

Da der C555 nahezu Rail-to-Rail-Eigenschaften hat, d.h. die Ausgangsspannung am Pin 3 ist bei H nahezu +Ub, bei L nahezu GND, wird der Komplementär-Treiber Q1-Q2 bis fast an die Betriebsspannungsgrenzen ausgesteuert. In der Grundlagenbeschreibung zum 555 ("555-Ausgang, Belastbarkeit") sind die Eigenschaften einer C555-Ausgangsstufe mittels Diagramm mittels Diagramm dargestellt. Ein Pullup-Widerstand am CMOS-555-Ausgang ist, im Vergleich zum bipolaren 555-Ausgang, nicht nötig.

Treiber mit Q1-Q2

Die Treibertransistoren müssen nicht gekühlt werden.

Für Q1 und Q2 können auch Kleinleistungs-Transistoren mit einem maximalen Kollektorstrom von 150 mA eingesetzt werden, wenn nur wenige mA entnommen werden. Die angegebenen Transistoren wurden vor allem wegen der Impulsbelastung bei Maximalstrom ausgewählt.

Gleichrichter

C2, D1-D2 und C3 bilden die Gleichrichterschaltung. Über C3 steht die negative Ausgangsspannung. Die Größe von C2 reicht für die zu übertragende Ladungsmenge vollkommen aus. Für den Ausgangskondensator C3 ist allerdings ein Wert von wenigstens 470 uF, besser 1000 uF, erforderlich, damit die für die Regelung nötige Restwelligkeit am Ausgang nicht zu hoch ist. Gemessen wurden im angegebenen Lastbereich ca. 10 bis 20 mV. Dies ist ein Wert, der bei Versorgung z.B. eines Opamp überhaupt nicht stört. Die sogenannte Betriebsspannungs-Unterdrückung des Opamp lässt den geringen AC-Anteil nicht wirksam werden. Bei Audio-Schaltungen ist allerdings Vorsicht geboten. Ein zusätzliches Siebglied (L und C oder R und C) am Ausgang der Wandlerschaltung sollte dann vorgesehen werden.

Z-Diode ZD1

Der Einsatz einer Z-Diode in der Istwert-Rückführung zur Steuerung des Transistors Q3 ist schaltungstechnisch einfach, hat aber den Nachteil, die negative Ausgangsspannung nicht einstellen zu können. Mit einer Z5.6 egab sich nahezu perfekt der Ausgangswert von -5 V. Zur festen Z-Spannung addiert sich die Ube des Transistors Q3. Allerdings ändert sich die gesamte Vergleichsspannung von ca. 5,6 V mit der Temperatur. Die resultierende Ausgangsspannungs-Änderung im Anwendungsfall als negative Opamp-Versorgungsspannung spielt aber keine Rolle.

Erstaunlicherweise brachte die einzelne Z-Diode eine ähnlich gute Regelgenauigkeit wie die einstellbare Z-Dioden-Nachbildung der weiter oben beschriebenen Schaltung. Näheres ist aus den Diagrammen im Schaltbild ersichtlich.

Stelltransistor Q3

Transistor Q3 hat die Aufgabe, bei gesperrter Z-Diode (Q2 gesperrt) das regelmäßige C1-Entladen zu sichern. Während der AMV schwingt, erhält die Gleichrichterschaltung Energie und der Ausgang liefert Strom (Ua steigt). Damit C1 bis auf weniger als die untere C555-Schwelle (1/3 von Ub) entladen werden kann, muss R1 mehr als doppelt so groß als R3 sein. Ist R1 mit 10 kΩ vorgegeben, muss R3 kleiner als 5 kΩ sein, da die Kollektor-Emitter-Restspannung von Q3 und der Source-Drain-Widerstand des C555-Qdis zusätzlich zu berücksichtigen sind. Ist R1 zu groß, wird die 1/3-Schwelle nicht unterschritten, der C555 schwingt nicht.

Andererseits darf R3 nicht zu klein sein, da sonst der Tastgrad für maximalen Ausgangsstrom zu ungünstig wird. Idealerweise sollte der Tastgrad für maximalen Ausgangsstrom bei gegebener Betriebsspannung bei 0,5 liegen. In diesem Fall liefert die Gleichrichterschaltung die meiste Energie an den Ausgang. Der angegebene R3-Wert ist günstig, ggf. ist eine geringfügige Anpassung nötig.

Sobald die negative Ua geringfügig größer als 5,0 V ist, wird die Z-Diode leitend und Q3 sperrt. Somit wird das C1-Entladen verhindert und der C555 beginnt später mit seinem Schwing-Zyklus oder setzt bei geringer Ua-Last sogar kurzzeitig aus.

Wirkung der Regelung

Sind -5,0 V am Ausgang erreicht, sperrt Stelltransistor Q3, da die Z-Diode leitet und den über R2 kommenden Strom der Q3-Basis entzieht. Solange Q3 sperrt, bleibt C1 geladen und der C555-Ausgang verharrt auf H-Potential. Das bedeutet, der C555 stoppt, die Gleichrichterschaltung bekommt keine Energie.

Erst wenn Ua weniger als -5,0 V wird (wegen RL), erhält Q3 Basisstrom. Q3 entlädt nun C1, ein neuer C555-Zyklus beginnt. Damit liefert der C555 wieder Energie an die Gleichrichterschaltung, -Ua kann wieder steigen.

Sind -5,0 V erreicht, beginnt das Spiel von vorn. Ua pendelt also geringfügig um den Nominalwert von 5,00 V. Wie groß dieses Pendeln um den Sollwert ist, wird von der Regelverstärkung der gesamten Anordnung bestimmt. Die Ua-Welligkeit war bei 20 mA Ausgangsstrom ca. 10 mVac.

DC-Spannungswandler: Geregelter Wandler +10V nach -5V
2022-03 © Peter E. Burkhardt
Ausgangsstrom -Ia und Betriebsspannung Ub

Das rechte Diagramm im Schaltbild enthält einige Ua-Messwerte in Abhängigkeit vom Ausgangsstrom Ia. Dabei wurde Ub mit 10,0 V konstant gehalten. Erst bei einer Last größer als 40 mA begann Ua zu sinken. Das reicht für die Versorgung einiger Opamps spielend aus. Ub sollte vorstabilisiert sein. Generell bestimmt die Z-Spannung den Ua-Wert. Sie ist nahezu unabhängig von Ub.

Im Diagramm zeigt sich die etwas bessere Aussteuerungsfähigkeit des Komplementärtreibers Q1-Q2 durch den C555 gegenüber dem bipolaren 555. Beim bipolaren 555 war der Arbeitsbereich 0 bis 35 mA Ausgangsstrom, bei dem eine nahezu perfekte Regelung der negativen Ausgangsspannung erfolgte. Hier sind es 40 mA.

Das linke Diagramm im Schaltbild enthält einige Ua-Messwerte in Abhängigkeit von der Betriebsspannung Ub. Dabei wurde der Ausgangsstrom Ia mit 20 mA konstant gehalten. Schon ab Ub = 9 V bleibt die Ausgangsspannung Ua nahezu konstant.

Die Schaltung ist kurzschlussfest, da Ua bei zu hohem Strom zusammenbricht.

Fazit

Die Schaltung mit einer einfachen Z-Diode ist trotz der guten Stabilisierung der negativen Ausgangsspannung relativ einfach. Allerdings muss eine passende Z-Diode eingesetzt werden, wenn eine bestimmte Spannung am Ausgang erwartet wird. Bei der Opamp-Versorgung hat die Höhe der negativen Versorgungsspannung meist keinen signifikanten Einfluss auf die Anwendungsschaltung.

Der Einsatz eines CMOS-555 liefert ähnliche Schaltungseigenschaften wie mit einem bipolaren 555. Allerdings ist die Stromaufnahme beim C555 signifikant geringer. Im Leerlauf (ohne Ia) nimmt die Schaltung mit CMOS-555 nur 3 mA auf, beim bipolaren 555 waren es 23 mA.

DC-Spannungswandler: Geregelter Wandler +10V nach -5V
2022-03 © Peter E. Burkhardt
Wandler +10V nach -5V, 40mA, CMOS-555, Treiber, stabilisiert mit TL-431

Im Unterschied zum vorigen Wandler mit Z-Dioden-Stabilisierung ist die folgende Schaltung mit einem TL431-IC ausgestattet. Die Z-Diode ist also durch den Parallelregler TL431 ersetzt. Die geregelte Spannung lässt sich einstellen, so dass der Abgleich der negativen Ausgangsspannung möglich ist. Tastgrad und Frequenz des C555-AMV werden so verändert, dass sich auch bei wechselnder Last eine nahezu konstante Ausgangsspannung ergibt. Die Regelung erfolgt über den Treshold-Eingang des C555.

Eigenschaften
Schaltungsteile
Schaltungsbeschreibung

Die guten Regeleigenschaften des Wandlers mit dem TL431 in der Rückführung entsprechen etwa der einfachen Z-Dioden-Regelung. Mit Widerstand R5 kann der Ausgang auf genau 5,00 V getrimmt werden. Dazu sollte für R5 vorübergehend (oder auch dauernd) ein Trimm-Poti eingelötet werden. Bis zur Belastung von 40 mA blieb die negative Ausgangsspannung nahezu konstant. Die Messung erfolgte bei einer Betriebsspannung Ub von 10 V. Mit höherer Ub kann die Belastungsfähigkeit der negativen Ausgangsspannung vergrößert werden, ohne dass sich die Regeleigenschaften verschlechtern.

DC-Spannungswandler: Geregelter Wandler +10V nach -5V
2022-03 © Peter E. Burkhardt
C555-AMV (IC1)

Der C555 arbeitet ohne Stelltransistor Q3 als normaler AMV. Durch Q3 wird die C1-Entladung solange hinausgezögert, bis die Ausgangsspannung Ua unter 5,0 V absinkt. Erst dann wird C1 über R3-Q3 bis zur unteren C555-Schwelle (1/3 von Ub) entladen. Nun beginnt ein neuer Ladezyklus, d.h. der C555-Ausgang liefert H und damit über Treiber Q1 (Emitterfolger) neue Energie für den Gleichrichter.

Da der C555 nahezu Rail-to-Rail-Eigenschaften hat, d.h. die Ausgangsspannung am Pin 3 ist bei H nahezu +Ub, bei L nahezu GND, wird der Komplementär-Treiber Q1-Q2 bis fast an die Betriebsspannungsgrenzen ausgesteuert. In der Grundlagenbeschreibung zum 555 ("555-Ausgang, Belastbarkeit") sind die Eigenschaften einer C555-Ausgangsstufe mittels Diagramm mittels Diagramm dargestellt. Ein Pullup-Widerstand am CMOS-555-Ausgang ist, im Vergleich zum bipolaren 555-Ausgang, nicht nötig.

Treiber mit Q1-Q2

Die Treibertransistoren müssen nicht gekühlt werden.

Für Q1 und Q2 können auch Kleinleistungs-Transistoren mit einem maximalen Kollektorstrom von 150 mA eingesetzt werden, wenn nur wenige mA entnommen werden. Die angegebenen Transistoren wurden vor allem wegen der Impulsbelastung bei Maximalstrom ausgewählt.

Gleichrichter

C2, D1-D2 und C3 bilden die Gleichrichterschaltung. Über C3 steht die negative Ausgangsspannung. Die Größe von C2 reicht für die zu übertragende Ladungsmenge vollkommen aus. Für den Ausgangskondensator C3 ist allerdings ein Wert von wenigstens 470 uF, besser 1000 uF, erforderlich, damit die für die Regelung nötige Restwelligkeit am Ausgang nicht zu hoch ist. Gemessen wurden im angegebenen Lastbereich ca. 10 bis 20 mV. Dies ist ein Wert, der bei Versorgung z.B. eines Opamp überhaupt nicht stört. Die sogenannte Betriebsspannungs-Unterdrückung des Opamp lässt den geringen AC-Anteil nicht wirksam werden. Bei Audio-Schaltungen ist allerdings Vorsicht geboten. Ein zusätzliches Siebglied (L und C oder R und C) am Ausgang der Wandlerschaltung sollte dann vorgesehen werden.

Parallelregler TL431

Der Einsatz des TL431 anstelle einer Z-Diode in der Istwert-Rückführung zur Steuerung des Transistors Q3 hat den Vorteil, dass die negative Ausgangsspannung einstellbar ist und genau auf den gewünschten Nominalwert von 5 V abgeglichen werden kann. Zur geregelten Spannung über dem TL431 addiert sich die Ube des Transistors Q3. Allerdings ändert sich die gesamte Vergleichsspannung von ca. 5,6 V mit der Temperatur. Die resultierende Ausgangsspannungs-Änderung im Anwendungsfall als negative Opamp-Versorgungsspannung spielt aber keine Rolle.

Erstaunlicherweise brachte der Parallelregler TL431 keine besseren Regeleigenschaften bezogen auf die negative Ausgangsspannung im Vergleich zur Schaltung mit einer einzelnen Z-Diode. Näheres ist aus den Diagrammen im Schaltbild ersichtlich.

Stelltransistor Q3

Transistor Q3 hat die Aufgabe, das regelmäßige C1-Entladen zu sichern. Während der AMV schwingt, erhält die Gleichrichterschaltung Energie und der Ausgang liefert Strom (Ua steigt). Damit C1 bis auf weniger als die untere C555-Schwelle (1/3 von Ub) entladen werden kann, muss R1 mehr als doppelt so groß als R3 sein. Ist R1 mit 10 kΩ vorgegeben, muss R3 kleiner als 5 kΩ sein, da die Kollektor-Emitter-Restspannung von Q3 und der Source-Drain-Widerstand des C555-Qdis zusätzlich zu berücksichtigen sind. Ist R1 zu groß, wird die 1/3-Schwelle nicht unterschritten, der C555 schwingt nicht.

Andererseits darf R3 nicht zu klein sein, da sonst der Tastgrad für maximalen Ausgangsstrom zu ungünstig wird. Idealerweise sollte der Tastgrad für maximalen Ausgangsstrom bei gegebener Betriebsspannung bei 0,5 liegen. In diesem Fall liefert die Gleichrichterschaltung die meiste Energie an den Ausgang. Der angegebene R3-Wert ist günstig, ggf. ist eine geringfügige Anpassung nötig.

Sobald die negative Ua geringfügig größer als 5,0 V ist, sperrt Q3. Somit wird das C1-Entladen verhindert und der C555 beginnt später mit seinem Schwing-Zyklus oder setzt bei geringer Ua-Last sogar kurzzeitig aus.

Wirkung der Regelung

Sind -5,0 V am Ausgang erreicht, sperrt Stelltransistor Q3, C1 bleibt geladen und der C555-Ausgang verharrt auf H-Potential. Das bedeutet, der C555 stoppt, die Gleichrichterschaltung bekommt keine Energie.

Erst wenn Ua weniger als -5,0 V wird (wegen RL), erhält Q3 Basisstrom. Q3 entlädt nun C1, ein neuer C555-Zyklus beginnt. Damit liefert der C555 wieder Energie an die Gleichrichterschaltung, -Ua kann wieder steigen.

Sind -5,0 V erreicht, beginnt das Spiel von vorn. Ua pendelt also geringfügig um den Nominalwert von 5,00 V. Wie groß dieses Pendeln um den Sollwert ist, wird von der Regelverstärkung der gesamten Anordnung bestimmt. Die Ua-Welligkeit war bei 20 mA Ausgangsstrom ca. 10 mVac.

DC-Spannungswandler: Geregelter Wandler +10V nach -5V
2022-03 © Peter E. Burkhardt
Ausgangsstrom -Ia und Betriebsspannung Ub

Das rechte Diagramm im Schaltbild enthält einige Ua-Messwerte in Abhängigkeit vom Ausgangsstrom Ia. Dabei wurde Ub mit 10,0 V konstant gehalten. Erst bei einer Last größer als 40 mA begann Ua signifikant zu sinken. Das reicht für die Versorgung einiger Opamps spielend aus. Ub sollte vorstabilisiert sein. Generell bestimmt die mit R5 eingestellte Spannung TL431-Spannung den Ua-Wert. Sie ist nahezu unabhängig von Ub.

Im Diagramm zeigt sich die etwas bessere Aussteuerungsfähigkeit des Komplementärtreibers Q1-Q2 durch den C555 gegenüber dem bipolaren 555. Beim bipolaren 555 war der Arbeitsbereich 0 bis 35 mA Ausgangsstrom, bei dem eine nahezu perfekte Regelung der negativen Ausgangsspannung erfolgte. Hier sind es 40 mA.

Das linke Diagramm im Schaltbild enthält einige Ua-Messwerte in Abhängigkeit von der Betriebsspannung Ub. Dabei wurde der Ausgangsstrom Ia mit 20 mA konstant gehalten. Schon ab Ub = 9 V bleibt die Ausgangsspannung Ua nahezu konstant.

Die Schaltung ist kurzschlussfest, da Ua bei zu hohem Strom zusammenbricht.

Fazit

Die Schaltung mit dem TL431 anstelle einer einfachen Z-Diode bringt keine wesentlichen Vorteile, wenn die passende Z-Diode zur Hand ist. Soll die negative Ausgangsspannung abgleichbar sein, ist der TL431 mit den zwei zusätzlichen Widerständen R5-R6 nötig. Bei der Opamp-Versorgung hat aber die genaue Höhe der negativen Versorgungsspannung meist keinen signifikanten Einfluss auf die Anwendungsschaltung.

Der Einsatz eines CMOS-555 liefert ähnliche Schaltungseigenschaften wie mit einem bipolaren 555. Allerdings ist die Stromaufnahme beim C555 signifikant geringer. Im Leerlauf (ohne Ia) nimmt die Schaltung mit CMOS-555 und TL431 nur 6 mA auf, beim bipolaren 555 waren es 23 mA. Gegenüber der Schaltung mit Z-Diode ist der Leerlaufstrom durch R5-R6 geringfügig größer.

 

© Peter E. Burkhardt