Elektronik: 555 SV1 SV2 SV3 LED NF HF AA Remote ADU/DAU Digital Messtechnik Alarm Kfz Diverses Tipps BE
Elektronik: LED-Schaltungen
2015-2020 © Peter E. Burkhardt
LED-Schaltungen

RC-LED-Blinker

Blinker mit LM3909-Emulation

3909-Grundanwendung

3909-Blinker, Frequenz einstellbar

Blinker mit Thyristor-Ersatzschaltung

Komplementär-Blinker

Schaltungstest 1 bis 4

Komplementär-Grundschaltung

Grundschaltung komplementär npn/pnp
Grundschaltung komplementär pnp/npn

Komplementär-Blinker-Varianten (npn/pnp und pnp/npn)

Blinker 2-5V, LED intern (Q2-C)
Blinker 2-5V, LED intern
Blinker 2,5-5V, LED intern
Blinker 2,5-20V, Diode, LED intern
Blinker 2-20V, ZD, LED intern
Blinker 2,5-20V, ZD, LED intern
Blinker 1-5V, U-Erhöhung
Blinker 1-5V, U-Erhöhung, Q3
Blinker 1-5V, U-Erhöhung, Q3, Gegentakt
Blinker 1-5V, U-Erhöhung, Q3, Gegentakt, LDR
Blinker 1-20V, ZD, U-Erhöhung
Blinker 2-5V, Treiber
Blinker 2-20V, ZD, Treiber
Blinker 2-20V, ZD/Diode optional, Treiber
Blinker 1-5V, Treiber mit U-Erhöhung
Blinker 1-20V, ZD/Diode optional, Treiber mit U-Erhöhung

Blinker als Zweipol

Blinker-Zweipol 5-12V (npn/pnp)
Blinker-Zweipol 4-12V (pnp/npn)

Blinker als Spannungswächter

Blinker mit Drossel oder Trafo

AATIS Langzeit-Blinker

AMV-Blinker (npn oder pnp)

AMV-Blinker mit 1x LED

AMV-Wechsel-Blinker

RC-LED-Blinker
2015 © Peter E. Burkhardt

RC-LED-Blinker

Blinker mit LM3909-Emulation

Der LED-Flasher LM3909 wird als IC schon lange nicht mehr gefertigt. Deshalb wurde versucht, den Schaltkreis durch eine gleichwertige Schaltung zu ersetzen. Wie die Ergebnisse zeigen, ist dies prinzipiell möglich. Allerdings erscheint der diskrete Aufwand relativ hoch. Eine speziell an die jeweilige Anwendung angepasste Blinkerschaltung ist wesentlich einfacher.

3909-Grundanwendung

Die Eigenschaften und Parameter des LM3903 sind im entsprechenden Datenblatt ausführlich dokumentiert. Die Emulation mit diskreten Transistoren erreicht ähnliche Eigenschaften.

3909-Blinker, Frequenz einstellbar

Auch die folgende Schaltung mit einstellbarer Frequenz ist in ähnlicher Form im 3909-Datenblatt zu finden. Darüber hinaus gibt es dort weitere typische Anwendungsbeispiele, die sich mit der hier gezeigten IC-Nachbildung realisieren lassen.

Blinker mit Thyristor-Ersatzschaltung

RC-LED-Blinker
2015 © Peter E. Burkhardt

Komplementär-Blinker

Es kursieren viele Blinkerschaltungen im Web, die mit komplementären Transistoren arbeiten. Um herauszufinden, was denn eigentlich die vielen Schaltungen unterscheidet, habe ich versucht, eine gewisse Systematik zu entwickeln. Ausgehend von den folgenden 4 Schaltungstests entstand dann die im darauffolgenden Abschnitt beschriebene Komplementär-Grundschaltung mit diversen Erweiterungen.

Schaltungstest 1 bis 4

Zu den getesteten Schaltungen 1 bis 4 ist nicht viel zu sagen. Ich habe einfach alle Test-Ergebnisse in die Pläne eingetragen.

Schaltung 1 (im Bild links) ist nicht zufriedenstellend. Die 2 zusätzlichen Widerstände in Schaltung 2 (im Bild rechts) brachten eine geringfügige Verbesserung.

Bei Schaltung 3 (im Bild links), die ebenfalls aus dem Web stammt, leuchtete die LED teilweise auch in der Dunkelphase. Die erweiterte Schaltung 4 verhindert dies zwar, ist aber durch die vielen Widerstände schon ziemlich aufwändig.

RC-LED-Blinker
2016 © Peter E. Burkhardt

Komplementär-Grundschaltung

Die folgende Grundschaltung eines AMV-Blinkers mit 2 komplementären Transistoren ergab sich aus der Analyse und dem Umzeichnen vieler Blinker aus dem Web. Wird die Grundschaltung mit den dargestellten Erweiterungen versehen, ergeben sich unzählige Schaltungen, deren Bauelemente entsprechend der jeweiligen Anwendung speziell angepasst werden können. So spielen die gegebene Betriebsspannung Ub und die nötige LED-Leistung eine entscheidende Rolle bei der Schaltungsauswahl und bei deren Dimensionierung.

Die Grundschaltung enthält einige typische Bauelemente-Werte (BE-Werte), mit denen die meisten Schaltungen funktionieren. Je nach verwendetem Tansistortyp des ersten (linken) Transistors sind die Schaltungen in eine npn/pnp-Variante und in eine zweite pnp/npn-Variante unterteilt. Beide Varianten sollten gleiche Ergebnisse bringen. Unterschiede bei den Messungen ergaben sich nur wenige, meistens als Folge von BE-Toleranzen oder wegen der immer vorhandenen Messunsicherheiten.

Index der Bauelemente

Der Index wurden funktionsbezogen vergeben, damit in den verschiedenen Schaltungen Bauelemente gleicher Funktion schnell auffindbar sind. Die Indexierung erfolgt also nicht durchgängig ab 1 aufsteigend.

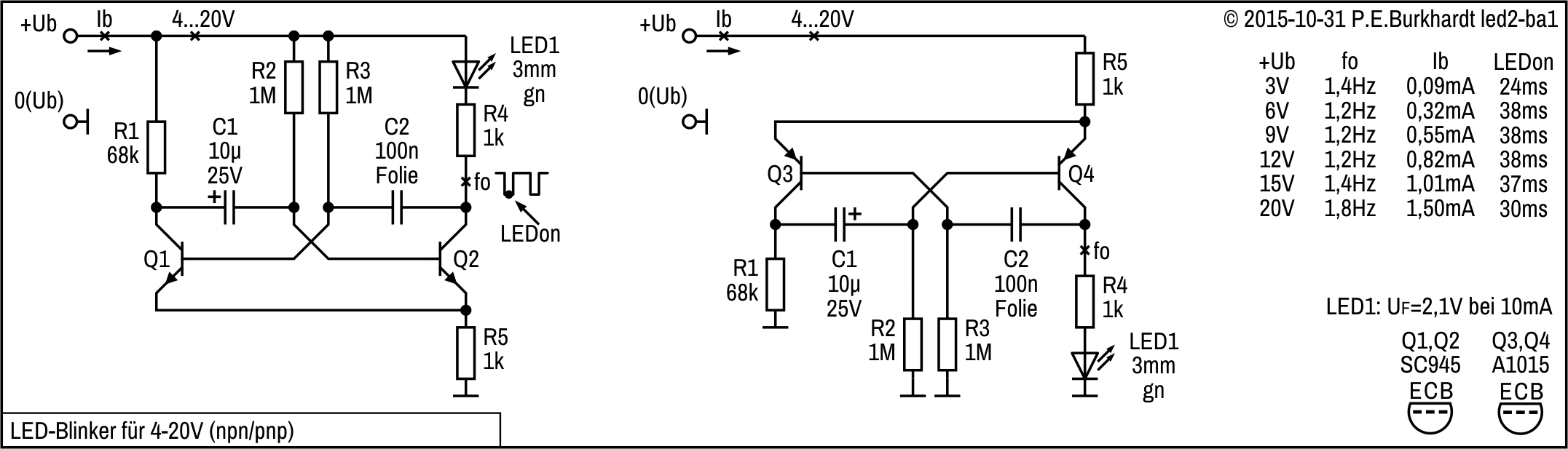
Grundschaltung komplementär npn/pnp
Funktionsweise des AMV

Nehmen wir an, C1 hat an der Q1-Basis-Seite seine maximal mögliche negative Spannung. Diese maximale negative Spannung liegt immer unterhalb von GND, im Extremfall beträgt sie -Ub gegenüber GND. Q1 und Q2 sind gesperrt. Über R1 wird C1 langsam in Richtung positiver Spannung geladen, bis die Q1-Basis-Emitter-Spannung ca. 0,6 V erreicht hat. Q1 wird leitend, damit aber auch Q2. Der positive Spannungssprung am Q2-Kollektor bewirkt, dass LED1 aufblitzt (falls in Reihe mit R3 geschaltet) oder dass an R3 ein positiver Impuls zur Ansteuerung eines Treibertransistors zur Verfügung steht.

Die Impulsbreite Td dieses Impulses ist kurz gegenüber der C1-Ladezeit, die maßgebend durch die Zeitkonstante R1 * C1 bestimmt wird. Während des kurzen Impulses (Q2 ist durchgesteuert) ist die rechte C1-Seite (siehe Bild) über Q2 mit +Ub verbunden. Das bewirkt, dass die linke C1-Seite negativ gegenüber GND wird. Diese negative Spitze kann bis zum Wert von +Ub absinken, wenn sie nicht durch ZD1, D1 oder die Durchbruchspannung der Q1-Emitter-Basis-Strecke begrenzt wird. Gleichzeitig werden Q1 und damit auch Q2 wieder gesperrt.

Nun beginnt wieder das C1-Aufladen über R1 und damit ein neuer Zyklus. Die entstehende Schwingung ist fast sägezahnförmig, siehe Diagramm im Bild rechts.

Z-Diode ZD1 und Diode D1

Wird entweder ZD1 oder D1 eingesetzt, erfolgt die Begrenzung der gegenüber GND negativen C1-Spannungsspitze auf entweder die Z-Spannung oder auf die D1-Fluss-Spannung. Das bedeutet, an der Q1-Basis tritt maximal eine Spannung von -5,6 V auf (bei ZD5.6) oder bei Einsatz von D1 eine Spannung von maximal -0,7 V. ZD1 bzw. D1 dienen also als Begrenzer und schützen so die Q1-Basis-Emitter-Strecke vor einem Durchbruch.

RC-LED-Blinker
2016 © Peter E. Burkhardt

Werden beide Dioden weggelassen, erfolgt der Anstieg der negativen Spannung bis zur Q1-Durchbruchspannung, wenn +Ub genügend groß ist. Bei zum Beispiel +15 V wird die negative Spitze durch den Q1-Durchbruch auf ca. 5 bis 9 V begrenzt. Das ist die Emitter-Basis-Sperrspannung, die je nach Transistortyp unterschiedlich ist. Diese Art der Begrenzung sollte aber nicht betriebsmäßig ausgenutzt werden. Das bedeutet, ist +Ub größer als etwa 5 bis 6 V, sollte entweder ZD1 oder D1 eingesetzt werden, um Q1 zu schonen.

Beträgt +Ub weniger als 5 V, ist keine Gefahr des Durchbruchs gegeben. ZD1 bzw. D1 kann dann entfallen.

Die Dioden haben natürlich Einfluss auf die Frequenz, da C1 auf unterschiedliche Spannungswerte aufgeladen wird. Die Anstiegsflanke des Sägezahns ist also entweder kürzer (bei D1) oder länger (bei ZD1), vorausgesetzt natürlich, +Ub ist genügend groß. Werden beide Dioden weggelassen, bestimmen Q1 (Durchbruchspannung) bzw. +Ub den negativen C1-Scheitelwert und damit die resultierende Frequenz der erzeugten Schwingung.

Widerstand R10 optional

Widerstand R10 kann eingesetzt werden, wenn Q1 nicht sicher sperrt. R10 erleichtert das Anschwingen und verhindert, dass Q1 und damit Q2 ständig durchgesteuert sind. LED1 würde permanent leuchten, der AMV schwingt in diesem Falle nicht. R10 ist aber nicht immer erforderlich.

Zeitkonstante mit R1 und C1

Widerstand R1 kann auch mehrere Megaohm betragen, um die Ladezeit zu vergrößern und damit die Blinkfrequenz zu verringern. Für die weiter unten aufgeführten Anwendungsbeispiele wurden 2 repräsentative Kondensatorwerte verwendet. C1 sollte kein Elko sein, bei 1 µF ist das auch nicht nötig.

Widerstand R7 in Reihe zu C1

Widerstand R7 ist ebenfalls optional. Fehlt er, ist die LED-Impuls-Dauer Td am geringsten. Mit R7 kann aber Td vergrößert werden, der LED-Blitz wird länger und damit heller. Zu groß darf aber R7 auch nicht sein, damit der AMV sicher schwingt. Außerdem darf die LED bei hohem Strom nicht zu lange leuchten, damit sie nicht überlastet wird.

Basis-Widerstand R2

Widerstand R2 begrenzt den Q2-Basis-Strom und damit gleichzeitig den Q1-Kollektor-Strom. Obwohl viele Schaltungen ohne diesen Widerstand veröffentlicht sind, darf er nicht fehlen. Q1 und Q2 sind zwar nur während des LED-Impulses leitend, aber ohne R2 besteht zwischen +Ub und GND fast ein Kurzschluss. Bei hoher Ub wird der zulässige Q2-Basis-Strom schnell überschritten. Auf Dauer hält das kein Transistor aus.

Widerstand R8 optional

Widerstand R8 sorgt für sicheres Sperren des Tansistors Q2. In manchen Schaltungen ist R8 nötig, um die richtigen Pegelverhältnisse und damit das sichere AMV-Schwingen zu erreichen.

Kollektor-Widerstand R3

Widerstand R3 ist der Q2-Kollektor-Widerstand und immer erforderlich. Er begrenzt den Q2-Kollektor-Strom und dient gleichzeitig als Arbeitswiderstand, wenn am Q2-Kollektor eine weitere Stufe angekoppelt wird. Ist LED1 in Reihe zu R3 geschaltet (siehe Bild), begrenzt R3 den LED-Impuls-Strom.

Transistoren Q1 und Q2

Beide Transistoren sind 150mA-Kleinleistungstypen. Die Stromverstärkung sollte wenigstens 200 sein, in den Test- und Anwendungsschaltungen wurden Transistoren mit B = 310 verwendet. Bei zu geringer Stromverstärkung ist evtl. die Dimensionierung zu verändern, um stabile Verhältnisse zu erreichen.

Leuchtdiode LED1

LED1 ist eine glasklare runde 3mm-Diode mit niedrigem Leuchtbeginn. Schon bei 40 Mikroampere LED-Strom zeigt sich ein deutlich erkennbarer Leuchtpunkt. Das ist günstig, weil dadurch ein unerwünschter LED-Strom während der LED-Dunkelphase gut erkennbar ist. Die LED sollte im Impulsbetrieb bis zu 200 mA aushalten können, was aber die meisten kleinen LEDs verkraften. Vorsicht ist aber angebracht, wenn beim Test einer Schaltung der AMV nicht schwingt und im leitenden Q2-Zustand verharrt. Die LED wird dann mit Dauerlicht leuchten und relativ schnell überlastet, wenn +Ub hoch genug ist.

In manchen Schaltungen ist parallel zur LED ein Widerstand (R9) erforderlich, damit die LED in der Dunkelphase nicht glimmt. Ob R9 nötig ist, hängt auch vom Typ der verwendeten LED ab.

LED-Treiber mit Q3

Für höhere Lichtleistung ist meist ein Treiber erforderlich, mit dem die unterschiedlichsten LEDs betrieben werden können. Während R4 in den meisten Fällen nicht verändert werden muss, ist R5 an den nötigen LED-Strom bei gegebener Ub anzupassen. Die Verwendung der Treiberschaltung hat außerdem den Vorteil, dass für den Treiber eine andere (meist höhere) Betriebsspannung vorgesehen werden kann. Die LED1 wird dann nicht an +Ub, sondern an die separate Treiber-Ub angeschlossen. Das gemeinsame GND-Potential bleibt.

RC-LED-Blinker
2016 © Peter E. Burkhardt
Spannungs-Erhöhung

Die im Bild gezeigte U-Erhöhung erlaubt es, mit dem AMV auch schon bei +Ub = 1 V die LED zum Leuchten (Blitzen) zu bringen. Das ist vorteilhaft bei Schaltungen, die an einer 1,5V-Batterie oder an einem 1,2V-Akku arbeiten sollen. Elko C2 kann ggf. angepasst werden.

Spannungs-Erhöhung mit LED-Treiber

Damit die AMV-Grundschaltung unabhängig dimensioniert werden kann, ist bei dieser Variante der LED-Treiber Q3 nachgeschaltet, der zusammen mit C2 und den beiden Widerständen R5 und R6 ebenfalls für eine U-Erhöhung sorgt. Auch damit funktioniert die Gesamtschaltung schon mit 1 V, meist sogar schon bei 0,9 V.

Grundschaltung komplementär pnp/npn
Funktionsweise des AMV

Nehmen wir an, C1 ist an der Q1-Basis-Seite auf seine maximal mögliche Spannung aufgeladen. Diese maximale positive Spannung ist immer größer als +Ub, im Extremfall doppelt so hoch. Q1 und Q2 sind gesperrt. Über R1 wird C1 langsam entladen, bis die Q1-Basis-Emitter-Spannung ca. +Ub - 0,6 V erreicht hat. Q1 wird leitend, damit aber auch Q2. Der negative Spannungssprung am Q2-Kollektor bewirkt, dass LED1 aufblitzt (falls in Reihe mit R3 geschaltet) oder dass an R3 ein negativer Impuls zur Ansteuerung eines Treibertransistors zur Verfügung steht.

Die Impulsbreite Td dieses Impulses ist kurz gegenüber der C1-Entladezeit, die maßgebend durch die Zeitkonstante R1 * C1 bestimmt wird. Während des kurzen Impulses (Q2 ist durchgesteuert) ist die rechte C1-Seite (siehe Bild) über Q2 mit GND verbunden. Das bewirkt, dass die linke C1-Seite positiv gegenüber +Ub wird. Diese positive Spitze kann bis zum doppelten Wert von +Ub ansteigen, wenn sie nicht durch ZD1, D1 oder die Durchbruchspannung der Q1-Emitter-Basis-Strecke begrenzt wird. Gleichzeitig werden Q1 und damit auch Q2 wieder gesperrt.

Nun beginnt wieder das C1-Entladen über R1 und damit ein neuer Zyklus. Die entstehende Schwingung ist fast sägezahnförmig, siehe Diagramm im Bild rechts.

Z-Diode ZD1 und Diode D1

Wird entweder ZD1 oder D1 eingesetzt, erfolgt die Begrenzung der gegenüber +Ub positiven C1-Spannungsspitze auf entweder die Z-Spannung oder auf die D1-Fluss-Spannung. Das bedeutet, an der Q1-Basis tritt maximal eine Spannung von Ub + 5,6 V auf (bei ZD5.6) oder bei Einsatz von D1 eine Spannung von maximal Ub + 0,7 V. ZD1 bzw. D1 dienen also als Begrenzer und schützen so die Q1-Basis-Emitter-Strecke vor einem Durchbruch.

Werden beide Dioden weggelassen, erfolgt der Anstieg der positiven Spannung bis zur Q1-Durchbruchspannung, wenn +Ub genügend groß ist. Bei zum Beispiel +15 V wird die positive Spitze durch den Q1-Durchbruch auf ca. 5 bis 9 V oberhalb von +Ub begrenzt. Das ist die Emitter-Basis-Sperrspannung, die je nach Transistortyp unterschiedlich ist. Diese Art der Begrenzung sollte aber nicht betriebsmäßig ausgenutzt werden. Das bedeutet, ist +Ub größer als etwa 5 bis 6 V, sollte entweder ZD1 oder D1 eingesetzt werden, um Q1 zu schonen.

Beträgt +Ub weniger als 5 V, ist keine Gefahr des Durchbruchs gegeben. ZD1 bzw. D1 kann dann entfallen.

RC-LED-Blinker
2016 © Peter E. Burkhardt

Die Dioden haben natürlich Einfluss auf die Frequenz, da C1 von unterschiedlichen Spannungswerten entladen wird. Die abfallende Flanke des Sägezahns ist also entweder kürzer (bei D1) oder länger (bei ZD1), vorausgesetzt natürlich, +Ub ist genügend groß. Werden beide Dioden weggelassen, bestimmen Q1 (Durchbruchspannung) bzw. +Ub den positiven C1-Scheitelwert und damit die resultierende Frequenz der erzeugten Schwingung.

Widerstand R10 optional

Widerstand R10 kann eingesetzt werden, wenn Q1 nicht sicher sperrt. R10 erleichtert das Anschwingen und verhindert, dass Q1 und damit Q2 ständig durchgesteuert sind. LED1 würde permanent leuchten, der AMV schwingt in diesem Falle nicht. R10 ist aber nicht immer erforderlich.

Zeitkonstante mit R1 und C1

Widerstand R1 kann auch mehrere Megaohm betragen, um die Entladezeit zu vergrößern und damit die Blinkfrequenz zu verringern. Für die weiter unten aufgeführten Anwendungsbeispiele wurden 2 repräsentative Kondensatorwerte verwendet. C1 sollte kein Elko sein, bei 1 µF ist das auch nicht nötig.

Widerstand R7 in Reihe zu C1

Widerstand R7 ist ebenfalls optional. Fehlt er, ist die LED-Impuls-Dauer Td am geringsten. Mit R7 kann aber Td vergrößert werden, der LED-Blitz wird länger und damit heller. Zu groß darf aber R7 auch nicht sein, damit der AMV sicher schwingt. Außerdem darf die LED bei hohem Strom nicht zu lange leuchten, damit sie nicht überlastet wird.

Basis-Widerstand R2

Widerstand R2 begrenzt den Q2-Basis-Strom und damit gleichzeitig den Q1-Kollektor-Strom. Obwohl viele Schaltungen ohne diesen Widerstand veröffentlicht sind, darf er nicht fehlen. Q1 und Q2 sind zwar nur während des LED-Impulses leitend, aber ohne R2 besteht zwischen +Ub und GND fast ein Kurzschluss. Bei hoher Ub wird der zulässige Q2-Basis-Strom schnell überschritten. Auf Dauer hält das kein Transistor aus.

Widerstand R8 optional

Widerstand R8 sorgt für sicheres Sperren des Tansistors Q2. In manchen Schaltungen ist R8 nötig, um die richtigen Pegelverhältnisse und damit das sichere AMV-Schwingen zu erreichen.

Widerstand R3

Widerstand R3 ist der Q2-Kollektor-Widerstand und immer erforderlich. Er begrenzt den Q2-Kollektor-Strom und dient gleichzeitig als Arbeitswiderstand, wenn am Q2-Kollektor eine weitere Stufe angekoppelt wird. Ist LED1 in Reihe zu R3 geschaltet (siehe Bild), begrenzt R3 den LED-Impuls-Strom.

Transistoren Q1 und Q2

Beide Transistoren sind 150mA-Kleinleistungstypen. Die Stromverstärkung sollte wenigstens 200 sein, in den Test- und Anwendungsschaltungen wurden Transistoren mit B = 310 verwendet. Bei zu geringer Stromverstärkung ist evtl. die Dimensionierung zu verändern, um stabile Verhältnisse zu erreichen.

Leuchtdiode LED1

LED1 ist eine glasklare runde 3mm-Diode mit niedrigem Leuchtbeginn. Schon bei 40 Mikroampere LED-Strom zeigt sich ein deutlich erkennbarer Leuchtpunkt. Das ist günstig, weil dadurch ein unerwünschter LED-Strom während der LED-Dunkelphase gut erkennbar ist. Die LED sollte im Impulsbetrieb bis zu 200 mA aushalten können, was aber die meisten kleinen LEDs verkraften. Vorsicht ist aber angebracht, wenn beim Test einer Schaltung der AMV nicht schwingt und im leitenden Q2-Zustand verharrt. Die LED wird dann mit Dauerlicht leuchten und relativ schnell überlastet, wenn +Ub hoch genug ist.

In manchen Schaltungen ist parallel zur LED ein Widerstand (R9) erforderlich, damit die LED in der Dunkelphase nicht glimmt. Ob R9 nötig ist, hängt auch vom Typ der verwendeten LED ab.

LED-Treiber mit Q3

Für höhere Lichtleistung ist meist ein Treiber erforderlich, mit dem die unterschiedlichsten LEDs betrieben werden können. Während R4 in den meisten Fällen nicht verändert werden muss, ist R5 an den nötigen LED-Strom bei gegebener Ub anzupassen. Die Verwendung der Treiberschaltung hat außerdem den Vorteil, dass für den Treiber eine andere (meist höhere) Betriebsspannung vorgesehen werden kann. Die LED1 wird dann nicht an +Ub, sondern an die separate Treiber-Ub angeschlossen. Das gemeinsame GND-Potential bleibt.

Spannungs-Erhöhung

Die im Bild gezeigte U-Erhöhung erlaubt es, mit dem AMV auch schon bei +Ub = 1 V die LED zum Leuchten (Blitzen) zu bringen. Das ist vorteilhaft bei Schaltungen, die an einer 1,5V-Batterie oder an einem 1,2V-Akku arbeiten sollen. Elko C2 kann ggf. angepasst werden.

Spannungs-Erhöhung mit LED-Treiber

Damit die AMV-Grundschaltung unabhängig dimensioniert werden kann, ist bei dieser Variante der LED-Treiber Q3 nachgeschaltet, der zusammen mit C2 und den beiden Widerständen R5 und R6 ebenfalls für eine U-Erhöhung sorgt. Auch damit funktioniert die Gesamtschaltung schon mit 1 V, meist sogar schon bei 0,9 V.

RC-LED-Blinker
2016 © Peter E. Burkhardt

Komplementär-Blinker-Varianten (npn/pnp und pnp/npn)

Die folgenden Blinker-Varianten sind alle im jeweils angegebenen Ub-Bereich getestet. Die Blinkfrequenz fo wurde mit einem digitalen Zähler, die Impulsdauer Td mit einem analogen Oszi bestimmt. Die Strom-Messung erfolgte mit einer speziellen Mess-Schaltung, um bei der sehr kleinen Einschaltdauer der Stromaufnahme die Strom-Mittelwerte bei akzeptabler Ablesezeit feststellen zu können.

Aufgrund des kurzen Lichtblitzes bei langer Pause ergibt sich insgesamt auch bei hohem LED-Strom ein sehr niedriger mittlerer Betriebsstrom. Das ist vor allem bei Anwendungen mit Batteriespeisung interessant.

Da alle Schaltungen auf der weiter oben beschriebenen komplementären AMV-Grundschaltung basieren, erübrigt sich an dieser Stelle eine Funktionsbeschreibung. Messwerte und nötige Hinweise sind in jedem Schaltbild angegeben.

Blinker 2-5V, LED intern (Q2-C)
RC-LED-Blinker
2016 © Peter E. Burkhardt
Blinker 2-5V, LED intern
RC-LED-Blinker
2016 © Peter E. Burkhardt
Blinker 2,5-5V, LED intern
Blinker 2,5-20V, Diode, LED intern
RC-LED-Blinker
2016 © Peter E. Burkhardt
Blinker 2-20V, ZD, LED intern
Blinker 2,5-20V, ZD, LED intern
RC-LED-Blinker
2023 © Peter E. Burkhardt
Blinker 1-5V, U-Erhöhung
Blinker 1-5V, U-Erhöhung, Q3
RC-LED-Blinker
2023 © Peter E. Burkhardt
Blinker 1-5V, U-Erhöhung, Q3, Gegentakt
Blinker 1-5V, U-Erhöhung, Q3, Gegentakt, LDR
Blinker 1-20V, ZD, U-Erhöhung
RC-LED-Blinker
2016 © Peter E. Burkhardt
Blinker 2-5V, Treiber
Blinker 2-20V, ZD, Treiber
RC-LED-Blinker
2016 © Peter E. Burkhardt
Blinker 2-20V, ZD/Diode optional, Treiber
Blinker 1-5V, Treiber mit U-Erhöhung
RC-LED-Blinker
2016 © Peter E. Burkhardt
Blinker 1-20V, ZD/Diode optional, Treiber mit U-Erhöhung
RC-LED-Blinker
2015 © Peter E. Burkhardt

Blinker als Zweipol

Wird die LED in der Stromversorgungsleitung des AMVs angeordnet, erhält man einen Zweipol, bei dem es keine Rolle spielt ob die LED in der Plus-Leitung oder in der Minus-Leitung liegt. Die folgenden Schaltungen unterscheiden sich von den bisherigen Anwendungsbeispielen in der Weise, dass die LED-Leuchtzeit genauso lang ist wie die LED-Pausenzeit. Das heißt, die erzeugte Schwingung hat einen Tastgrad von 0,5. Die längere LED-Leuchtzeit bewirkt eine höhere LED-Belastung. Der LED-Strom sollte nicht höher sein, als der zugelassene Strom für Dauerlicht.

Blinker-Zweipol 5-12V (npn/pnp)
Blinker-Zweipol 4-12V (pnp/npn)
RC-LED-Blinker
2018 © Peter E. Burkhardt

Blinker als Spannungswächter

RC-LED-Blinker
2023 © Peter E. Burkhardt

Blinker mit Drossel oder Trafo

AATIS Langzeit-Blinker
AMV-LED-Blinker
2018nbsp;© Peter E. Burkhardt

AMV-Blinker (npn oder pnp)

AMV-Blinker mit 1x LED

AMV-Wechsel-Blinker

AMV-LED-Blinker
2018 © Peter E. Burkhardt

 

© Peter E. Burkhardt